中心議題:
- 本文討論的是透射式脈搏傳感器, 側重于脈搏信號的測量
- 基于光電式脈搏傳感器的設計和具體實現
- 采用該光電式脈搏傳感器對人體的脈搏進行實時測量,
- 對脈搏信號測量可能引起的噪聲來源做了分析, 并做相應的抗干擾處理。
解決方案:
- 芯片的集成化能夠有效減小器件間匹配引起的干擾, 提高脈搏測量精度。
- 為脈搏信息的提取和分析提供了良好的數據
- 脈搏檢測中關鍵技術是傳感器的設計與傳感器輸出的微弱信號提取問題
引 言
人體心室周期性的收縮和舒張導致主動脈的收縮和舒張, 使血流壓力以波的形式從主動脈根部開始沿著整個動脈系統傳播, 這種波稱為脈搏波。脈搏波所呈現出的形態、強度、速率和節律等方面的綜合信息, 很大程度上反映出人體心血管系統中許多生理病理的血流特征。
傳統的脈搏測量采用脈診方式, 中醫脈象診斷技術就是脈搏測量在中醫上卓有成效的應用, 但是受人為的影響因素較大, 測量精度不高。無創測量(Noninvasive Meas2urement s) 又稱非侵入式測量或間接測量, 其重要特征是測量的探測部分不侵入機體, 不造成機體創傷, 通常在體外, 尤其是在體表間接測量人體的生理和生化參數。
生物醫學傳感器是獲取生物信息并將其轉換成易于測量和處理信號的一個關鍵器件。光電式脈搏傳感器是根據光電容積法制成的脈搏傳感器, 通過對手指末端透光度的監測, 間接檢測出脈搏信號。光電式脈搏傳感器具有結構簡單、無損傷、可重復好等優點, 本文討論的就是基于光電式脈搏傳感器的設計和具體實現。
光電式脈搏傳感器的原理和結構
a.光電式脈搏傳感器的原理
根據朗伯比爾(Lamber Beer) 定律, 物質在一定波長處的吸光度和他的濃度成正比。當恒定波長的光照射到人體組織上時, 通過人體組織吸收、反射衰減后測量到的光強將在一定程度上反映了被照射部位組織的結構特征。
脈搏主要由人體動脈舒張和收縮產生的, 在人體指尖, 組織中的動脈成分含量高, 而且指尖厚度相對其他人體組織而言比較薄, 透過手指后檢測到的光強相對較大,因此光電式脈搏傳感器的測量部位通常在人體指尖。

光電脈搏傳感器的研制和噪聲分析手指組織可以分成皮膚、肌肉、骨骼等非血液組織和血液組織, 其中非血液組織的光吸收量是恒定的, 而在血液中, 靜脈血的搏動相對于動脈血是十分微弱的, 可以忽略, 因此可以認為光透過手指后的變化僅由動脈血的充盈而引起的, 那么在恒定波長的光源的照射下, 通過檢測透過手指的光強將可以間接測量到人體的脈搏信號。
b.光電式脈搏傳感器的結構
從光源發出的光除被手指組織吸收以外, 一部分由血液漫反射返回。其余部分透射出來。光電式脈搏傳感器按照光的接收方式可分為透射式和反射式2 種, 其中透射式的發射光源與光敏接收器件的距離相等并且對稱布置,接收的是透射光, 這種方法可較好地反映出心律的時間關系, 但不能精確測量出血液容積量的變化; 反射式的發射光源和光敏器件位于同一側, 接收的是血液漫反射回來的光, 此信號可以精確地測得血管內容積變化。本文討論的是透射式脈搏傳感器, 側重于脈搏信號的測量。

[page]
光電式脈搏傳感器的制作
a.光敏器件
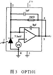
光電式脈搏傳感器由于采用不同的光敏元件有著多種實現方法, 其中光敏元件主要有光敏電阻、光敏二極管、光敏三極管和硅光電池。在傳統的光電式脈搏傳感器設計中, 通常采用的是獨立光敏元件, 利用半導體的光電效應改變輸出的電流, 通常光敏元器件輸出的電流極低, 容易受到外界干擾, 而且對后續的放大器的要求比較嚴格, 需要放大器空載時的電流輸出較小, 避免放大器空載輸出電流對脈搏信號測量的干擾, 這樣對于普通的放大器就不能直接應用在光敏元件的后端。

在本文中, 采用一種新型的光敏元件OPT101 , 該元件將感光部件和放大器集成在同一個芯片內部, 這種集成化的設計方式有效地克服了后端運算放大器空載電流輸出對光敏部件輸出電流的影響, 而且芯片輸出的電壓信號可以通過外部的精密電阻進行調節, 有利于芯片適應整體的電路設計, 同時芯片的集成化設計也能夠減小系統的功耗。
b.發射光源
光電式脈搏傳感器主要由光源、光敏器件, 以及相應的信號調理控制電路構成。為了充分利用器件的效果, 光源和光敏元件的選擇是綜合考慮的, 光源的波長應該落在光敏元件檢測靈敏度較高的波段內, 圖4 為OPT101 的光波長響應曲線。

脈搏信號主要由動脈血的充盈引起, 而血液中還原血紅蛋白( Hb) 和氧合血紅蛋白( HbO2 ) 含量變化將造成透光率的變化, 當氧合血紅蛋白和還原血紅蛋白對光的吸收量相等時, 透射光的強度將主要由動脈血管的收縮和舒張引起, 此時能夠比較準確地反映出脈搏信號。圖5 為血紅蛋白的光吸收曲線, 從圖中可以看出, 血液中HbO2 和Hb 對于不同波長光的吸收系數的差異明顯, 而且2 條曲線好幾個不同的交點, 考慮到在805 nm 波長處, 血紅蛋白的光吸收率比較低, 那么透射過手指的光強較大, 有利于光敏器件的接收, 因此發射光源的波長選擇為805 nm。

c.恒的波長3 恒流源控制電路
在脈搏信號測量過程中, 為了盡量減少光源供電波動對測量脈搏信號的影響, 需要恒流電路[4] 來控制光源的穩定供電, 使在脈搏測量過程中, 發射光源發出的光強是恒定的。

圖6 為恒流源電路, 在電路中R1 兩端的電壓值恒等于穩壓二極管D1 的穩壓值,因此流經R1 的電流值恒定,控制使三極管Q1 處于放大狀態, 那么流過發光二極管D3 的電流值恒定,因此發光二極管D3 能輸出穩定光強的光。[page]
d.脈搏信號調理電路
芯片OPT101 中輸出的脈搏信號為直流和交流疊加的混合電壓信號, 其中交流信號中包含了脈搏信息, 因此信號調理電路先要濾除疊加的直流信號, 再對交流信號進行放大。濾除直流信號可以通過一個電容來實現, 但是電容在隔直流的同時可能造成脈搏信號的部分失真。較為理想的方式是采用一個減法器來實現絕大部分直流電平的濾除, 由于不同受試者的手指的透光率不同, 測量到的直流電平不同, 因此需要一個來實現相應的直流電平的濾除,本文就是采用可控直流電平輸出和減法器來實現脈搏信號的提取。在得到包含有脈搏信號的交流信號后, 只要通過簡單的放大電路和低通濾波電路即可實現脈搏信號的提取。
光電式脈搏傳感器的實驗測量和噪聲分析
在測量過程中, 前端測量到的脈搏信號十分微弱, 容易受到外界環境干擾, 因此需要對脈搏傳感器的干擾噪聲進行分析, 從光電式脈搏傳感器設計的技術角度減少干擾, 使之能夠準確測量到脈搏信號。光電式脈搏傳感器的干擾主要有測量環境光干擾、電磁干擾、測量過程運動噪聲, 下面對上述情況結合實驗測量做進一步的分析。
a.環境光對脈搏傳感器測量的影響
在光電式脈搏傳感器中, 光敏器件接收到的光信號不僅包含脈搏信息的透射光信號, 而且包含測量環境下的背景光信號, 由于動脈搏動引起的光強變化比背景光的變化微弱得多, 因此在測量過程當中要保持測量背景光的恒定, 減少背景光的干擾。
測量環境下的背景光包含環境光和在測量過程中引起的二次反射光。為了減少環境光對脈搏信號測量的影響, 同時考慮到傳感器使用的方便性, 采用密封的指套式的包裝方式, 整個外殼采用不透光的介質和顏色, 盡量減小外界環境光的影響。為了避免測量過程中的二次反射光的影響, 在指套式傳感器的內層表面涂上一層吸光材料, 這樣能有效減少二次反射光的干擾。

由圖7 的圖形明顯可知, 加上指套式外殼后的脈搏傳感器測量到的脈搏波形比較平滑。這是因為加指套式的脈搏傳感器中環境光在測量過程中基本上不受外界環境光的影響, 而且能夠有效減少二次反射光, 使照射到手指上的光波長單一, 所以得到的脈搏信號較為穩定, 沒有明顯的重疊雜波信號, 能夠很好地體現出脈搏波形的特征。
b.電磁干擾對脈搏傳感器的影響
通過光電轉換得到的包含脈搏信息的電信號一般比較微弱, 容易受到外界電磁信號的干擾, 在傳統的光電式脈搏傳感器電路中, 由于光敏器件和一級放大電路是分離的, 那么在信號的傳遞過程就很容易受到外界電磁干擾,通常在一級放大電路采用電磁屏蔽的方式來消除電磁干擾。本系統采用了新型的光敏器件, 在芯片內部集成光敏器和一級放大電路, 有效地抑制了外界電磁信號對原始脈搏信號的干擾。
工頻干擾是電路中最常見的干擾, 脈搏信號變化緩慢, 特別容易受到工頻信號的干擾, 因此對工頻信號干擾的抑制是保證脈搏信號測量精度的主要措施之一。通常脈搏信號的頻率范圍在013~30 Hz 之間, 小于工頻50 Hz ,因此通過低通濾波器可以有效濾除工頻干擾, 這在信號調理電路中容易實現; 同時可以在控制電路中對光源進行脈沖調制。這樣不但能夠降低系統的功耗, 而且能夠在一定程度上減小外界的電磁干擾。在脈搏信號數據采集后, 可以通過數據處理法方法進一步濾除工頻信號的干擾。
c. 測量過程中運動噪聲
在測量過程當中, 通常情況下手指和光電式脈搏傳感器可能產生相對的運動, 這樣對脈搏測量產生誤差, 可以通過2 個方面減少運動噪聲誤差: 一是改善指套式傳感器的機械抗運動性, 比如說使指套能夠更緊的夾在手指上, 不易松動; 二是從脈搏信號處理的角度, 通過算法來減小誤差,對于傳感器的設計, 現在采用的主要是第一個途徑。
結 語
無創傷監護技術將是未來醫學工程發展的重要方向,而人體脈搏信號中包含豐富的生理信息, 也逐漸引起了臨床醫生的很大興趣。光電容積法( PPG) 是當今測量脈搏信號的一種有效途徑, 也可以通過這種方法測量血氧飽和度, 氧分壓、心搏出量等生理信號, 為臨床診斷提供了強有力的技術支持。最近, 日本學者又提出了以脈搏波傳導速度與血壓的相關性來間接測量血壓, 用檢測分析脈搏波的方法估計血壓的課題, 足見脈搏檢測的應用有著良好的發展前景。
脈搏檢測中關鍵技術是傳感器的設計與傳感器輸出的微弱信號提取問題, 本文對脈搏傳感器的設計進行了初步的探討并取得了可喜的實驗結果。實驗證明: 采用本文這種方法能夠較好地測量出脈搏信號, 為脈搏信息的進一步提取提供了有利的前提。



