【導讀】所謂的智能路燈實際上就是使用LED作為光源,再借助傳感器和先進的無線通信技術,以可控的方式實現城市的公共智能照明需求,從而達到降低能源成本,提高安全性和生活質量的目標。憑借較高的能源效率,智能路燈將徹底改變城市照明的方式。
通過利用物聯網(IoT)和實時數據連接等先進技術,城市可以變得更加高效、可持續和宜居,其中一個例子就是智能路燈。
所謂的智能路燈實際上就是使用LED作為光源,再借助傳感器和先進的無線通信技術,以可控的方式實現城市的公共智能照明需求,從而達到降低能源成本,提高安全性和生活質量的目標。憑借較高的能源效率,智能路燈將徹底改變城市照明的方式。
Berg Insight公司在調查了智能路燈市場的新發展后給出了這樣一組數據:截至2022年底,全球獨立控制智能路燈的安裝量以22.7%的復合年增長率高速增長,達到了2,300萬盞;到2027年,預計這一數字將達到6,380萬盞。歐洲是智能路燈方案的積極推動者,目前約占全球安裝基數的35%。
在實際運作中,成本優化只是公共管理部門在轉向智能路燈時必須考慮的因素之一,遍布全市主要街道的那些智能互聯的路燈資源在智慧城市管理中還將衍生出更多創新應用。這些配備了傳感器、無線連接模塊的照明設備,可以實時監測空氣質量、噪音水平以及交通流量等諸多信息。有了這些數據,城市管理者可以做出明智的決定,以提高城市的整體效率和宜居性。
智能路燈:智慧城市的寶貴資產
智能路燈通常與物聯網(IoT)集成,可與其他設備和系統進行通信,從而創建一個相互連接的基礎設施網絡。這種連接性使它們能夠動態響應不斷變化的外部環境,例如根據行人或車輛的多少以及天氣變化等情況確定亮燈時間并調整亮度,以此達到優化能耗,提高整體安全性的目的。
智能照明為每盞燈提供了單獨控制和監控的能力,這意味著不再需要夜間檢查。此外,安裝在每盞燈上的智能控制器允許根據一天中的時間或交通情況進行連續感知和動態開/關/調光控制,所有這些都將轉化為能源及運營成本的降低。此外,因為燈中的故障可以很容易地檢測和修復,智能照明系統還能大幅降低維護成本。市場數據表明,智能照明可使能源成本降低35%,運營成本降低42%。
街道照明是各地智慧城市建設的基礎設施,智能路燈與智慧城市基礎設施的整合還能帶來更多的附加價值。與大型項目相比,在路燈桿上安裝傳感器不那么復雜和具有破壞性,更容易在整個城市進行集成。
智能路燈網絡即使在白天也會持續供電,這意味著有大量其他傳感器和物聯網設備可以從智能街道照明電網獲取電能。由于每根燈桿都可以連接到更廣泛的網絡,因而每盞燈都可以轉變為物聯網的安裝平臺。所有這一切意味著,發展智慧城市所需的三個基本要素智能街道照明都可以提供——即物理安裝基礎設施、通信基礎設施和永久電源。
通過在路燈上安裝額外的傳感器,可以解決城市目前面臨的常見問題。比如在智能燈桿上輔助安裝智能停車和交通傳感器、環境傳感器、閉路電視攝像頭或麥克風等。有實驗表明,即使是電動汽車充電插頭也可以直接連接到路燈桿上,而無需任何土建工程。
智能路燈中的通信技術
智能路燈有許多節點或傳感器用來檢測各種數據,然后通過無線通信網絡共享這些數據,并與遠程中央控制系統共享。通信技術被認為是其中的“神經系統”,它將智能系統的所有元素集成到一個平臺中,確保了硬件和軟件之間的信息傳輸,充當了設備和軟件的粘合劑。
在通信技術的選擇上,有公共網絡和專有網絡之分,二者具有不同的安全性和可靠性,成本也有較大不同。選擇的重點首先要看哪種方案能夠滿足城市和其他現有智能系統的具體需求,再就是要分析公共或專用網絡哪一種更容易在當地部署。
公共網絡如NB-IoT、4G或5G,由電信運營商安裝和維護,可以包括無限數量的設備,更適合實時通信。在網絡運營商的責任下,他們采取措施確保網絡的安全和正常運行。這種類型的通信具有更高的安全性和可靠性。NB-IoT是一種專為物聯網應用設計的低功耗廣域網技術,智能路燈可以利用NB-IoT連接到蜂窩網絡并長距離傳輸數據,使它們能夠與其他設備和系統(如交通管理系統或緊急服務)可靠有效地通信。
專用網絡由市政當局或智能照明提供商直接運營,采用的技術主要有LoRaWAN和Wi-SUN,也有一些項目采用了電力線通信(PLC)技術。PLC技術利用現有的電力線進行數據傳輸,調制電力線上的電信號允許這些燈在沒有額外通信基礎設施的情況下發送和接收數據。也算是一種高效且經濟的解決方案,但該技術方案往往會受到信號干擾的限制。LoRaWAN和Wi-SUN通常在遠程和低功耗下運行,可以將多達5,000臺設備連接到單個網關,適合機器對機器(M2M)通信的特定需求,并且可以讓物聯網設備在單個電池上可靠運行長達10年。
很多項目中,專用網絡是解決方案提供商在設計物聯網或智慧城市系統時的首選。在這些網絡中,網絡規劃、安裝、維護和安全,這些都必須由照明提供商執行。此外,安裝成本可能相對較高,用戶需要自己進行網絡維護,但同時節省了向運營商支付網絡費用的成本。
LoRaWAN在智能路燈中的應用
雖然基于蜂窩的解決方案提供了廣泛的覆蓋范圍和高數據傳輸速度,但它們也帶來了更高的功耗和基礎設施成本。LoRaWAN因其遠程連接、低功耗和經濟高效的部署在智能路燈方案中脫穎而出。它以極低的基礎設施要求提供廣泛的覆蓋范圍,是大型智能路燈項目的有效解決方案。
LoRaWAN系統遵循星形拓撲,網關充當終端設備和云服務器之間的中介。這些系統易于配置,成本效益高,使用壽命長,可以輕松地與交通信號燈、停車場和廢物管理等其他智能城市設備集成。在智能街道照明解決方案中使用LoRaWAN可以獲得以下一些優勢:
? LoRaWAN使街道照明設備以極少的電力消耗實現遠距離通信。
? LoRaWAN能為街道照明設備提供集中控制和實時監控功能。管理員可以遠程調整照明參數、安排開/關時間和監控性能,確保高效運行和更好的可見性。
? 使用LoRaWAN可以連續監測街道照明系統的故障或出現的異常情況,實現主動維護、快速識別問題并及時維修,極大限度地減少停機時間并確保可靠運行。
? LoRaWAN在智能街道照明解決方案中實現了能源管理的智能化。根據需要遠程控制照明水平,可極大限度地減少不必要的能源消耗。
? 實施基于LoRaWAN的智能街道照明解決方案相對簡單且經濟高效。該技術的無線特性消除了對復雜布線的需求,減少了安裝時間和成本。
? LoRaWAN網絡具有可擴展性,可以隨著照明基礎設施的增長或需要覆蓋新的區域而輕松擴展。
公共照明是城市的“神經系統”,是連接數億盞路燈的關鍵基礎設施。在智能路燈領域,LoRaWAN已經成為游戲規則的改變者。Semtech的LoRa技術和基于LoRaWAN協議的低功耗廣域網提供了一個智能傳感和控制基礎設施,使城市能夠以簡化的方式收集和分析來自數千個連接設備的數據,以便對他們需要提供的服務做出智能決策。
早在2022年,Semtech就宣布與智慧城市智能照明解決方案供應商CITiLIGHT合作,共同打造VELOCITi LMS照明管理系統。超過100萬盞路燈已經通過智能照明解決方案實現了自動化,在100多個城市節省了12.9億千瓦時(kWh)的能源。
Semtech的LoRa和LoRaWAN產品組合非常完善,其中的LoRa Connect傳感器IC產品組合就包括sub-GHz收發器芯片、2.4GHz芯片、雙頻芯片和參考設計,具體產品包括SX126x系列、SX127x系列、SX128x系列和LLCC68收發器芯片,以及芯片的參考設計。它們共同代表了Semtech LoRa Connect設備的基本功能,包括長距離、低功耗和經濟高效的端到端通信。
SX1261、SX1262和SX1268 Sub-GHz無線電收發器非常適合智能路燈這種長距離無線應用,三款器件均專為實現長電池壽命而設計,僅4.2mA的有源接收會消耗電量。SX1261的傳輸功率高達+15dBm,而SX1262和SX1268可以通過高效集成功率放大器實現高達+22dBm的傳輸功率。這些器件均支持LPWAN用例的LoRa和長距離FHSS調制以及傳統用例的(G)FSK調制,具有高度可配置性。射頻前端器件中的SX1250屬于Sub-GHz器件,適合搭配Semtech的SX1302基帶引擎,以打造出利用LoRa或LoRaWAN的高性能網關,覆蓋1GHz以下的任何頻段,非常適合支持當今物聯網用例中使用的任何免授權頻段。
LoRaWAN技術憑借其遠程連接、低能耗和成本效益,正在徹底改變智能街道照明控制。通過利用LoRaWAN技術,城市可以通過智能街道照明控制實現能源效率、成本節約和宜居性的提高。

圖2:SX126X系統框圖(圖源:Semtech)
Wi-SUN技術在智能路燈中的應用
近年來,LPWA(低功耗廣域)等無線技術越來越多地被應用于社會基礎設施應用中,以配置大規模區域室外網絡。然而,傳統的LPWA協議如LoRaWAN、NB-IoT容易受到周圍環境變化(即新建筑開發)的影響,包括通信速度降低和通信故障等。
Wi-SUN聯盟是一個全球性的行業聯盟,它推動了可互操作的無線解決方案的普及,該技術正在使日常智慧城市的應用更加高效。無線智能泛在網絡(Wi-SUN)是一種基于IEEE 802.15.4g標準的新興技術,適用于智慧城市和物聯網應用。Wi-SUN技術網絡支持星形、網狀拓撲和嵌入網狀拓撲中的混合星形/網狀部署,其中每個節點傳輸網絡數據以提供網絡連接。Wi-SUN技術網絡可用于高功率和電池供電的設備。

圖3:Wi-SUN與其他物聯網無線標準的比較(圖源:ROHM) 從上圖可以看出,Wi-SUN的特點是通信距離比Wi-Fi長,速度比LoRaWAN和Sigfox快。這些平衡的特性具有不依賴于基站的適中傳輸速率,使其成為物聯網市場的極佳無線協議。這使其能夠與預計將在不久的將來推出的5G共存,從而實現與5G的互補使用。
Wi-SUN FAN(Field Area Network)是一種可互操作的低功耗無線通信標準,也是新的Wi-SUN標準,它將IEEE802.15.4g低功耗無線傳輸與IPv6多級技術相結合,具有三大技術特征:
使用Wi-SUN FAN作為底層網絡技術,將智能路燈網絡作為互連的天幕,可以為智慧城市中的各種應用提供安全的無線連接,越來越多的后續應用可以從而連接到同一通信網絡中進行管理,如智慧停車、污染監測、交通流管理、智慧標牌等。
2019年,由ROHM與日本日新系統株式會社和京都大學信息學研究生院原田浩史教授領導的研究小組,共同開發了Wi-SUN FAN兼容無線設備,這是業界第一個通過測試并獲得認證的設備,并于次年投產并推向市場。
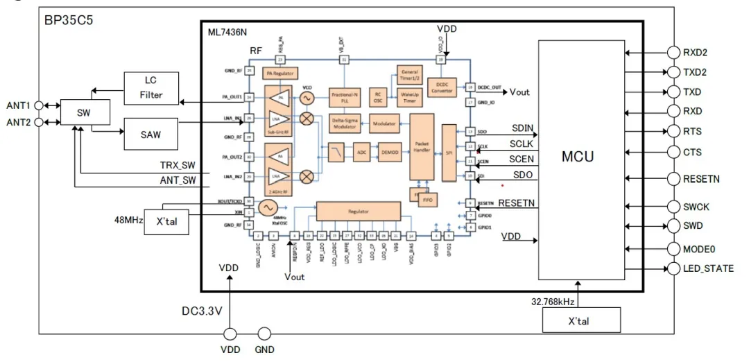
ROHM公司新推出的Wi-SUN FAN模塊解決方案BP35C5是一種超小型(15.0mm×19.0mm尺寸)Wi-SUN FAN無線通信模塊,通過在網關MCU中為大規模系統安裝Wi-SUN FAN堆棧,至多可以連接1,000個設備(例如交通信號和路燈),從而能夠配置覆蓋整個城市的遠程無線管理系統。此外,BP35C5還包括必要的安全功能,用于在不需要復雜控制的情況下進行安全通信。
圖4:超小型Wi-SUN FAN無線通信模塊BP35C5(圖源:貿澤電子)
智能城市對互聯和智能技術的采用越來越多,對優化能源使用的需求越來越大,對改善客戶體驗的需求激增,這些都直接影響了智能路燈Wi-SUN技術市場的增長。在2021年至2028年的預測期內,智能路燈Wi-SUN技術市場預計將以29.20%的復合年增長率增長。
STMicroelectronics公司的高性能超低功耗S2-LP射頻收發器原生支持IEEE802.15.4g數據包格式,可隨時用于Wi-SUN應用。S2-LP是一款高性能的超低功耗RF收發器,適用于sub-1 GHz頻段的RF無線應用。該器件設計為在免許可的ISM和SRD(433、512、868和920MHz)頻帶上均可運行,但也可以對其進行編程,以便在其他額外頻率下運行。S2-LP支持多種不同的調制方案,包括2(G)FSK、4(G)FSK、OOK和ASK。還可以對無線數據傳輸速率進行編程,范圍從0.1到500kbps。

圖5:S2-LP簡化系統框圖(圖源:STMicroelectronics)
本文小結
根據Mordor Intelligence的一項研究,2023年智能照明市場估計價值超過190億美元,預計到2028年將達到近500億美元,相當于預測期(2023-2028)的復合年增長率超過20%。
正如數據所表明的那樣,城市管理者已經開始認識到,在一個依賴于永久電力和連通性的世界里,街道照明網絡是一項寶貴的資產。智能路燈為城市環境走向更加互聯和可持續的未來鋪平了道路。
智能街道照明系統不僅提供更好的照明,還收集交通、空氣質量和噪音水平的數據,這些系統可以遠程監控和控制,以便進行主動維護和快速響應。通過利用智能街道照明網絡在城市周圍安裝額外的智能應用,長期成本將大大降低,新服務還能以更快的速度部署。智能路燈這項技術的可能性及其集成潛力數不勝數,但自動化路燈為智能城市基礎設施提供了完美的切入點。它們可以擴展、集成和連接各種技術,使其成為城市或城鎮在發展過程中的寶貴資源,并據此做出更明智、數據驅動的決策。
借助LoRaWAN技術的魔力,我們可以通過實施明亮高效的智能街道照明系統將智慧城市基礎設施提升到一個新的水平。作為一項新技術,Wi-SUN FAN有望在大規模、高可靠性的網絡環境中得到應用,使用的例子包括智能街道照明以及與電動汽車(EV)和下一代智能電表相關的基礎設施建設。
與傳統路燈相比,智能路燈具有各種優勢,如更好的節能、更高的運營效率、更低的維護成本和減少碳排放等。與此同時,智能路燈也為LoRaWAN和Wi-SUN技術提供了市場發展機會。
免責聲明:本文為轉載文章,轉載此文目的在于傳遞更多信息,版權歸原作者所有。本文所用視頻、圖片、文字如涉及作品版權問題,請聯系小編進行處理。
推薦閱讀:






