【導讀】與傳感器連接時,儀表放大器(IA)作用強大且功能多樣,但也存在一些限制,會阻礙可變增益IA或可編程增益儀表放大器(PGIA)的設計。在有些文獻中,后者也被稱為軟件可編程增益放大器(SPGA)。因為經常遇到要求根據各種各樣的傳感器或環境條件調節電路的情況,我們需要這類PGIA。采用固定增益時,系統設計人員可能不得不應對欠佳的SNR,這會降低精度。我的同事發表了《模擬對話》文章"可編程增益儀表放大器:找到適合的放大器",其中討論了多種有助于創建精密、穩定的PGIA的技術。
文章中指出了這種設計可能存在的缺陷,并展示了對可用解決方案和技術的全面調查。在本文中,我將介紹另一種促進這項工作的工具和方法,我會逐一介紹每個設計步驟,讓大家快速掌握使用新發布的儀表放大器創建精密PGIA所需的外部元器件值。
一種新的儀表放大器架構
常見的儀表放大器架構如圖1所示。

圖1. 經典儀表放大器。
增益由外部電阻器RG的值來設定。要使用這類器件創建PGIA,只需切換RG的值即可。這種切換通常使用模擬開關或多路復用器來完成。但是,模擬開關的一些非理想行為讓這項任務變得復雜——例如開關的導通電阻、通道電容,以及通道電阻隨施加電壓的變化。
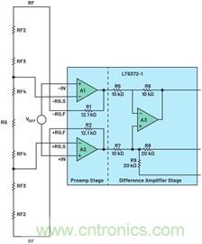
圖2所示為基于標準儀表放大器結構的變化版本。注意RG引腳如何被分解成±RG,S和±RG,F,單獨引出,并從器件封裝外部進行配置。

圖2. LT6372-1架構允許配置一些IA內部節點。
圖2所示的架構有一個重要的實用特性:能夠配置儀表放大器,使其可以在幾個不同的增益值之間切換,同時將開關電阻造成的增益誤差降至最低。此特性可用于創建PGIA。
如上所述,任何電阻可編程儀表放大器都可以通過切換增益電阻的值來改變其增益。但是,這種做法存在明顯的缺點,例如:
● 開關導通電阻(RON)標稱值及其變化會造成較大的增益誤差。
● 由于需要的開關RON值較低,高增益值可能無法實現。
● 開關非線性會引起信號失真。這是因為信號電流直接流過RON,因此其值隨電壓的任何變化都會引起失真。
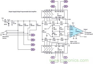
如圖3所示,當 LT6372-1 配置為PGIA時,可以緩解這些問題,因為RG,F和RG,S引腳是單獨引出的。在這個原理圖中,惠斯登電橋(由R5至R8組成)產生的信號被放大,提供4個可能的增益值,用戶可根據選擇的SW1開關位置進行選擇。利用 LT6372 系列 引腳排列,我們可以創建一個PGIA以通過改變RF/RG比來獲得所需的增益值。

圖3. LT6372-1 PGIA電橋接口,提供四種增益設置。
此外,作為增益誤差源的U1、U2模擬開關RON被降至最低,因為它可以與輸入級反相端口及其反饋電阻串聯。這樣配置之后,RON只占內部12.1 kΩ反饋電阻總量的一小部分,因此對增益誤差和漂移幾乎沒有影響。同樣,由于RON值只占總反饋電阻的一小部分,其值隨電壓的變化幾乎不會產生影響,因此開關非線性引起的失真可降至最低。此外,此器件的輸入級由電流反饋放大器(CFA)架構組成,與傳統的電壓反饋放大器相比,它本身在增益變化時所允許的帶寬或速度變化較小。1 上述所有這些因素綜合在一起,讓我們能夠使用低成本外部模擬開關,創建具有精密增益步進的精密PGIA。
圖4所示為PGIA的簡化圖,展示了梯形電阻的不同抽頭(由總共8個模擬開關實現,每次短接2個來設置增益)如何配置電路。在此圖中,兩個開關組由四種可能的增益值之一來描述;–RG,S和+RG,S引腳短接至RF3/RF4結。

圖4. LT6372-1的框圖,以及PGIA的簡化外部連接(未顯示增益開關)。
用于計算外部電阻的增益的設計步驟
圖3顯示完整的PGIA配置,包括所需的開關,該配置可適應任意大小的增益范圍。其中包含四個可能的增益值,但是可以通過在設計中增加更多開關來增加該值。如前所述,允許配置RG,F和RG,S引腳這一特性讓我們能夠增加RF來增大增益,并降低RG來減小增益,以創建功能多樣的PGIA。為了計算增益,我們可以將反饋電阻計為內部12.1 kΩ調整電阻加上RG,F到RG,S端口連接上與RG,F串聯的其他電阻。相反,增益設置電阻是+RG,S和-RG,S之間的總電阻。總結起來就是:
RF = 12.1 kΩ + 兩個輸入放大器各自上面的RG,F和RG,S之間的電阻
RG = +RG,S和–RG,S之間的電阻
在這種配置下,增益的可能范圍為1 V/V至1000 V/V。當U1和U2開關上的開關都設置為的短路引腳S3和D3時,對應的RF和RG值,以及產生的增益如下:
RF = 12.1 kΩ + 11 kΩ + 1.1 kΩ = 24.1 kΩ
RG = 73.2 Ω + 97.6 Ω + 73.2 Ω = 244 Ω
G = 1+ 2RF/RG = 1 + 2 × 24.1 kΩ/244 Ω = 199 V/V
很容易能夠看出,決定外部電阻使用哪個值是一個迭代且彼此相關的過程,可能的增益值相互作用,對選擇使用的電阻產生影響。為了便于參考,表1列出了一些常見的增益值組成值,但是,還可能存在許多其他的增益組合(G)。
確定PGIA的值的步驟
我們可以使用等式1中的公式依序計算增益網絡中的單個電阻的值。該方程確定電阻的方式如圖3所標示,表1中的案例2(增益為2、20、200和500 V/V)用作算出的示例。反饋電阻與增益設置電阻是交互式的;因此,公式必須是當前項取決于之前項的一個系列。計算公式如下:
以下是一些定義:
RF1 = 12.1 kΩ (LT6372-1的內置電阻)
M:增益數量(本電路為4)
Gi:增益實例(在本例中,G1 – G4分別為2、20、200或500 V/V)
i:在1至(M-1)之間變化,用于計算 RFi + 1
等式1可用于計算任何增益組合所需的反饋電阻。一個虛擬變量(j)充當計數器,以保持之前的反饋電阻的連續總數。
● 在計算之前,建議先繪制與圖3所示的網絡類似的電阻網絡。該網絡中有(2 × M) – 1個電阻,其中M =增益數。在這個示例中,M = 4,所以,電阻串中將包含7個電阻。需要針對i = 1 →(M – 1)求等式1的值。
G1 = 2, G2 = 20, G3 = 200, G4 = 500 V/V
根據等式2:
根據i = 1 → (M-1),以迭代的方式求等式1的值

然后,可以使用以下等式計算中心電阻RG:

在進行最后一步計算之后,表1中的所有4個電阻值都經過計算,設計的計算過程完成。
測量的性能圖
以下這些圖顯示了使用此PGIA配置可以實現的性能:

圖5. PGIA大信號頻率響應。

圖6. PGIA CMRR與頻率的關系。
ADG444的開關電容使得在最低增益設置(G1 = 2 V/V)下,小信號頻率響應出現一些明顯的峰化(參見圖7)。這種現象只在采用較低的增益設置時才會出現,因為LT6372-1的帶寬擴展到足以受到開關的pF電容影響。解決這種副作用的方法包括,選擇電容更低的開關(例如具有5 pF電容的 ADG611/ADG612/ADG613),或者限制PGIA的最低增益設置。

圖7. PGIA小信號低增益峰化。
結論
本文介紹了如何利用新發布的LT6372系列器件的引腳排列為儀表放大器添加增益選擇功能。文中分析了這種PGIA的特性,并詳細說明了其設計步驟以及性能測量值。LT6372-1具有高線性度,提供精確的直流規格和性能,因此非常適合用于此類解決方案。
免責聲明:本文為轉載文章,轉載此文目的在于傳遞更多信息,版權歸原作者所有。本文所用視頻、圖片、文字如涉及作品版權問題,請聯系小編進行處理。
推薦閱讀:




