【導讀】有關擴頻通信技術的觀點是在1941年由好萊塢女演員Hedy Lamarr和鋼琴家George Antheil提出的。基于對魚雷控制的安全無線通信的思路他們申請了美國專利#2.292.387。不幸的是當時該技術并沒有引起美國軍方的重視,直到十九世紀八十年代才引起關注將它用于敵對環境中的無線通信系統。

短距離數據收發信機中的典型應用是衛星定位系統(GPS)、3G移動通信、WLAN (IEEE® 802.11a、IEEE 802.11b、IEEE 802.11g)和Bluetooth® (藍牙)技術。擴頻技術也為提高無線電頻率的利用率提供幫助(無線電頻譜是有限的,因此也是一種昂貴的資源)。
擴頻理論的基礎
在Shannon和Hartley信道容量定理中可以明顯看出頻譜擴展的作用:
C = B × log2 (1 + S/N) (公式1)
式中,C是信道容量,單位為比特每秒(bps),它是在理論上可接受的誤碼率(BER)下所允許的最大數據速率;B是要求的信道帶寬,單位是Hz;S/N是信號噪聲功率比。C表示通信信道所允許的信息量,也表示了所希望得到的性能。帶寬(B)則是付出的代價,因為頻率是一種有限的資源。S/N表示周圍的環境或者物理特性(例如障礙、阻塞和干擾等)。
用于惡劣環境(例如噪聲和干擾導致極低的信噪比)時,從上式可以看出,通過提高信號帶寬(B)可以維持或提高通信的性能(C),甚至信號的功率可以低于噪底。(公式中沒有對這一條件進行限制!)
將公式1中的對數底從2修改為e (自然數),用ln = loge表示,側:
C/B = (1/ln2) × ln(1 + S/N) = 1.443 × ln(1 + S/N) (公式2)
由MacLaurin級數展開得:
ln(1 + x) = x – x²/2 + x³/3 – x4/4 + … + (-1)k+1xk/k + …:
C/B = 1.443 × (S/N – 1/2 × (S/N)² + 1/3 × (S/N)³ – …) (公式3)
在擴頻技術應用中,信噪比S/N通常比較低。(如上面所提到的,信號功率密度甚至可以低于噪底。)假定較大的噪聲使S/N << 1,則Shannon表示式近似為:
C/B ≈ 1.433 × S/N (公式4)
可進一步簡化為:
C/B ≈ S/N (公式5)
或:
N/S ≈ B/C (公式6)
在信道中對于給定的信噪比要無差錯發射信息,我們只需要執行基本的信號擴頻操作:提高發射帶寬。這個原理似乎簡單、明了,但是具體實現非常復雜。因為基帶擴頻(可能擴展幾個數量級)會導致電子器件相互作用,從而產生擴頻和解擴操作。
定義
擴頻技術在具體實現時有多種方案,但思路相同:把索引(也稱為碼或序列)加入到通信信道,插入碼的方式正好定義了所討論的擴頻技術。術語“擴頻”指將信號帶寬擴展幾個數量級,在信道中加入索引即可實現擴頻。
擴頻技術更加精確的定義是:通過注入一個更高頻信號將基帶信號擴展到更寬的頻帶內的射頻通信系統(圖1),即發射信號的能量被擴展到一個更寬的頻帶內,使其看起來如同噪聲一樣。擴展帶寬與初始信號之比稱為處理增益(dB)。典型的擴頻處理增益可以從10dB到60dB。
采用擴頻技術,即在天線之前發射鏈路的某處簡單引入相應的擴頻碼(這個過程稱為擴頻處理),結果將信息擴散到一個更寬的頻帶內。相反地,在接收鏈路中數據恢復之前移去擴頻碼,稱為解擴。解擴是在信號的原始帶寬上重新構建信息。顯然,在信息傳輸通路的兩端需要預先知道擴頻碼(在某些情況下,它應該只被傳輸信息的雙方知道)。

擴頻處理的帶寬

擴頻調制作用于通用調制器如BPSK的前端或直接轉換。沒有接受擴頻碼的信號保持不變,不擴頻。
解擴處理的帶寬
同樣,解擴過程如圖3所示:

解擴通常在解調之前進行。在傳輸過程中加入的信號(例如干擾或阻塞)將在解擴處理中擴頻。
由于擴頻浪費的帶寬通過多用戶彌補
擴頻的直接結果是占用更寬的頻帶(擴頻因子與前面提到的“處理增益”有關),因此浪費了有限的頻率資源。然而,所占用的頻帶可以通過多用戶共享同一擴展頻帶得到補償(圖4)。

擴頻是寬帶技術
與窄帶技術相比,擴頻過程是一種寬帶技術。例如,W-CDMA和UMTS屬于需要較寬頻帶(相對于窄帶無線電)的寬帶技術。
擴頻的益處
抗干擾和抗阻塞性能
擴頻技術會帶來諸多益處,抗干擾特性是其中最為重要的優勢。因為干擾和阻塞信號不帶有擴頻因子,所以被抑制掉。解擴處理后,只有包含擴頻因子的所希望的信號會出現在接收器內。如圖5所示。

如果干擾信號(窄帶或寬帶)不包括擴頻因子,解擴后可忽略其影響。這種抑制能力同樣也作用于其它不具有正確擴頻因子的擴頻信號,正是由于這一點,擴頻通信允許不同用戶共享同一頻帶(比如CDMA)。注意擴頻是寬帶技術,但寬帶技術不是擴頻,寬帶技術不必包括擴頻技術。
防止信號攔截
防信號攔截是通過擴頻獲得的第二個優勢。因為沒有授權的用戶不知道擴展原始信號的擴頻因子,所以他們無法解碼。沒有正確的擴頻因子,擴頻信號就相當于噪聲或者干擾(當然,如果擴頻因子很短,則可利用掃描方法進行破解)。值得慶幸的是,擴頻通信允許信號功率低于噪底,因為擴頻處理降低了頻譜密度,參見圖6 (總能量相同但展寬到整個頻域內)。這樣,可以將信息隱藏起來,這一效果是直序擴頻(DSSS)的顯著特點(直序擴頻將在后面詳細介紹)。其它的接收機無法解析這次發射,對它們的影響只是總的噪聲功率略有增加!

衰落抑制(多徑影響)
無線信道通常具有多徑傳播效應,從發射端到接收端存在不止一條路徑(圖7)。這些路徑是由于空氣的反射或折射以及從地面或物體,如建筑物等的反射產生。

反射路徑(R)對直接路徑(D)產生干擾被稱為衰落現象。因為解擴過程與信號D同步,所以,即使信號R包含有相同的擴頻因子,也同樣會被抑制掉。可以對反射路徑的信號進行解擴,并將其均方根值疊加到主信號上。
擴頻技術在CDMA中的應用
值得注意的是,擴頻不是一種調制方式,不應該同其他類型的調制相混淆。例如,我們能夠利用擴頻技術發射一個經過FSK或BPSK調制的信號。從編碼基本理論來看,擴頻也能作為實現多址通信的一種方法(多個通信鏈路同時共存于同一個物理媒介)。迄今為止,主要有三種方式。
FDMA—頻分多址
FDMA給每個通信信道分配一個特定的載波頻率,用戶數受頻譜的頻段數限制(圖8)。在三種多址實現方法中,FDMA的頻帶利用率最低。典型應用包括無線廣播、TV、AMPS和TETRAPOLE。

TDMA—時分多址
TDMA中,不同用戶之間的通信基于分配的時隙(圖9)。這樣,在一個載波頻率上可以建立不同的通信信道。TDMA被應用于GSM、DECT、TETRA和IS-136。

CDMA—碼分多址
CDMA的空間接入取決于擴頻因子或碼(圖10)。從某種角度上講,擴頻是CDMA的一種方式。發射端和接收端需要預先知道定義好的擴頻碼。典型應用包括IS-95 (DS)、IS-98、藍牙技術和WLAN。

實際應用中可以綜合利用上述多址方式。例如,GSM組合了TDMA和FDMA,利用不同的載波頻率定義了拓撲區域(蜂窩),并在每一個蜂窩設置時隙。
擴頻和編解碼因子
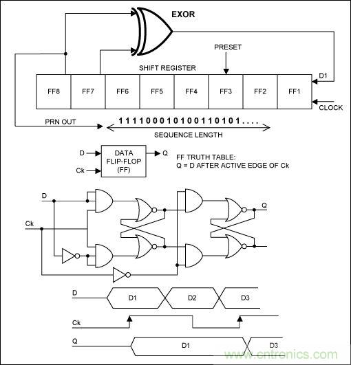
擴頻的主要特點就是發射機和接收機必須預先知道一個預置的擴頻碼或擴頻因子。在現代通信中,擴頻碼必須足夠長,盡量接近類似于噪聲的隨機數序列。但是,在任何情況下,他們必須保持可恢復性。否則,接收機將不能提取發射信息。因此,這序列是近似隨機的。擴頻碼通常稱為偽隨機碼(PRN)或偽隨機序列。通常采用反饋型移位寄存器產生偽隨機碼。
圖11給出了一個偽隨機碼的示例。移位寄存器包含8個數據觸發器(FF),移位寄存器中的內容在時鐘上升沿逐位左移。移入FF1的數據取決于FF8和FF7的反饋信息。偽隨機碼PRN從FF8讀出。觸發器的內容在每個序列的開始處被復位。

許多書籍都講到了PRN的生成和特性,但這些基本指導已經趕不上其發展的步伐。合適的序列(或序列集)的生成或選擇都不是簡單地直接完成的。為保證有效的擴頻通信,PRN序列必須考慮幾條準則,如長度、自相關、互相關、正交性和比特均衡。比較常用的PRN序列是:Barker、M-Sequence、Gold和Hadamard–Walsh等。擴頻通信鏈路使用的序列集越復雜其可靠性越高。但是,付出的代價是解擴操作所需的電子設備也會更復雜(包括速度和性能)。數字解擴芯片可以包含幾百萬個等效的2輸入與非門,開關頻率為幾十兆赫茲。
擴頻技術的不同調制方式
根據偽隨機碼(PRN)插入通信信道的位置不同可以得到不同的擴頻調制方式。圖12是基本的RF前端原理說明。

如果在數據上直接加入偽隨機序列碼,則可得到直序擴頻(DSSS) (在實際應用中,偽隨機序列與通信信號相乘,產生完全被偽隨機碼“打亂”了的數據)。如果偽隨機碼作用在載波頻率上,我們得到跳頻擴頻(FHSS)。如果偽隨機碼作用于本振端,FHSS偽隨機碼迫使載波按照偽隨機序列改變或跳變。如果用偽隨機序列控制發射信號的開或關,則可得到時間跳變的擴頻技術(THSS)。這也是一種線性調頻脈沖技術,即在一個周期內線性掃描載頻。也可以綜合上述技術形成混合擴頻技術,比如DSSS + FHSS。DSSS和FHSS是現在最常用的兩種技術。
直序擴頻(DSSS)
直序擴頻技術中,偽隨機碼直接加入載波調制器的數據上。因此,調制器似乎具有更高碼率,與偽隨機序列的碼片速率有關。用這樣一個碼序列調制射頻載波的結果是產生一個中心在載波頻率、頻譜為((sin x)/x)²的直序調制擴展頻譜。
頻譜主瓣(零點至零點)的帶寬是調制碼時鐘速率的兩倍,旁瓣帶寬等于調制碼時鐘速率。圖13是直序擴頻信號的典型范例。直序擴頻頻譜形狀上發生一些改變與實際采用的載波和數據調制方法有關。下面是一個二相相移鍵控(BPSK)信號,是直序擴頻系統中常用的調制類型。

跳頻擴頻(FHSS)
顧名思義,FHSS中載波在一個很寬的頻帶上按照偽隨機碼的定義從一個頻率跳變到另一個頻率。跳變速率由原始信息的數據速率決定,我們能夠識別出快速跳頻(FFHSS)和慢速跳頻(LFHSS)。后者(最通用)允許幾個連續的數據位調制同一頻率,FFHSS是在每個數字位內多次跳頻。
跳頻信號的發射頻譜同直序擴頻有很大差別。跳頻輸出在整個頻帶上是平坦的(如圖14所示),而不再是((sin x)/x)²包絡。跳頻信號的帶寬是頻率間隙的N倍,N是每個跳變信道的帶寬。

時間跳變擴頻(THSS)

圖15所示為時間跳變擴頻技術,該項技術到目前為止沒有大的突破,利用偽隨機序列控制PA的通/斷。
系統實現和結論
一個完整的擴頻通信鏈路需要運用各種先進的技術和工藝:射頻天線,大功率、高效率的功放,低噪聲、高線性的LNA,高集成度收發信機,高分辨率的ADC和DAC,高速、低功耗數字信號處理器(DSP)等。設計者和制造商之間既相互競爭又精誠合作,最終使擴頻系統得以實現。
最難以實現的電路是接收通道,特別是對DSSS的解擴,因為接收端必須能夠重新恢復原始信息,并且做到實時同步。碼的識別也稱為相關運算,它是以數字域實現的,需要進行快速的、大量的二進制加法和乘法運算。
到目前為止,接收機設計中最復雜的問題是同步問題。與擴頻通信的其它技術相比,發展同步技術花費了更多的時間、金錢,也消耗了更多的人力、物力。目前,能夠解決同步問題的方法有許多種,大多數方案需要大量的分立元件。DSP與特定用途集成電路(ASIC)的出現為其帶來了重大突破。DSP提供高速的數學運算能力,在對擴頻信號劃分后進行分析、同步和去相關運算。借助于超大規模集成電路(VLSI)技術,ASIC降低了系統成本,并通過創建基本模塊架構使其適合于多種應用。
本文轉載自濾波器微信公眾號。
推薦閱讀:




