【導讀】對于采用先進開放計算項目(OCP)開放機架第3版(ORV3)架構的數據中心、網絡、服務器和存儲設備,電源單元(PSU)和BBU是支持它們正常運行的命脈。中央電源轉換器負責輸送所需的大部分電能。輔助電源組件則扮演著幕后的無名英雄,為了維護包括PSU和BBU在內的整個電源供應生態系統的整體穩健性、可靠性和安全性,它發揮了不可或缺的作用。
摘要
本系列文章的第五部分闡明ADI公司備用電池單元(BBU)參考設計中輔助電源的重要性。輔助電源包括與主電源輸出一起提供的補充電壓軌,用于支持眾多組件和功能。它對于確保BBU參考設計模塊中集成的電源器件的可靠和高效運行至關重要。
引言
對于采用先進開放計算項目(OCP)開放機架第3版(ORV3)架構的數據中心、網絡、服務器和存儲設備,電源單元(PSU)和BBU是支持它們正常運行的命脈。中央電源轉換器負責輸送所需的大部分電能。輔助電源組件則扮演著幕后的無名英雄,為了維護包括PSU和BBU在內的整個電源供應生態系統的整體穩健性、可靠性和安全性,它發揮了不可或缺的作用。
在接下來的詳細討論中,我們將研究輔助電源在BBU模塊參考設計中發揮的作用,探索其功能和內部機制。通過深入探究輔助電源的復雜性,我們的目的是凸顯它為了確保不間斷電力供應和保護重要技術資源免受損害而作出的重大貢獻。
后備電源
輔助電源用于提供BBU內的副電源。即使背板電源中斷或不可用,補充電源也會繼續為模塊內的器件供電,確保BBU內存儲的關鍵操作能夠順利執行。這種后備電源讓該單元能夠保留和維持重要操作,例如安全轉換過程、周密監控、復雜控制電路管理以及為低功耗器件持續供電。輔助電源通過在停電期間提供持續不間斷的電源,確保模塊在需要時能夠分配電力。這反過來可以起到緩沖器的作用,抵御潛在干擾,并防止發生數據丟失。
電壓調節
為使BBU內部的器件達到理想性能,確保其處于恒定平衡和恒定電壓輸出狀態至關重要。在這種情況下,怎么強調輔助電源的重要性也不為過,因為它充當關鍵的保護措施,可以監督BBU模塊復雜架構內電壓控制的敏感區域。輔助電源持續監測輸出電壓,在嚴格定義的容差范圍內對電壓進行精細調整,使其保持穩定。
這種調節猶如一道堅實的屏障,有效地保障了BBU與其關聯器件之間的互動。輔助電源確保能源供應穩定可靠,防止電壓波動,避免引發故障、數據損壞或物理損害。
輔助電源通過精密校準發揮關鍵作用。它不僅讓模塊保持高效運行,還能保護所連接的器件。憑借出色的精密度和可靠性,數據中心的PSU、BBU和一系列相關器件能夠獲得更長的使用壽命、更高的效率和持久的運行活力。
散熱和風扇控制
有效的散熱管理對于防止電氣設備過熱至關重要。BBU內部的風扇由輔助電源供電并進行協調。此散熱過程有助于保護BBU和受支持器件。這種組合利用輔助電源來管理風扇轉速,創造平穩高效的散熱環境。這樣一來,系統能夠實現良好平衡,保持理想工作溫度,防止過熱造成破壞性影響。
熱量的耗散涉及熱動力學中復雜的相互作用。該系統會管理熱量,防止因過熱而導致故障。精心的溫度調節和輔助電源可提高性能和可靠性。
保護和安全特性
BBU具有一系列重要的安全和防護特性,可保護所連接的器件和電源轉換器。為了實現這些功能的部署和監督,輔助電源的集成至關重要。輔助電源支持一系列主動保護措施,包括過壓、過流和短路保護以及溫度監控等。輔助電源通過連續實時檢查各種參數,確保對異?;騿栴}做出快速反應。這種快速激活的保護機制有效地避免了對PSU及其連接器件的損害,減輕了電氣危險,并顯著提高了系統的整體安全性。
診斷評估
BBU在向連接的器件供電之前,會定期進行自診斷測試以驗證其功能。在此過程中,輔助電源會提供啟動和結束診斷程序所需的電壓和控制信號。這種自我評估有助于及時檢測BBU內的潛在故障,包括器件問題或電壓異常。輔助電源的參與有助于通過及早識別和查明故障來增強PSU的性能,并延長其使用壽命。這種主動方法讓PSU工作更可靠,準備更充分,確保不間斷供電,并大大降低系統發生故障的風險。
ADI的電源設計工具LTpowerCAD?提供專為BBU輔助電源設計的定制工程見解和組件性能數據。這種強大的組合成功地加快了復雜的電氣評估過程,縮短了原型設計階段,并大大加速了輔助電源電路的整體開發進程。這會明顯減少審查所花費的時間,大幅降低電路設計的復雜性。
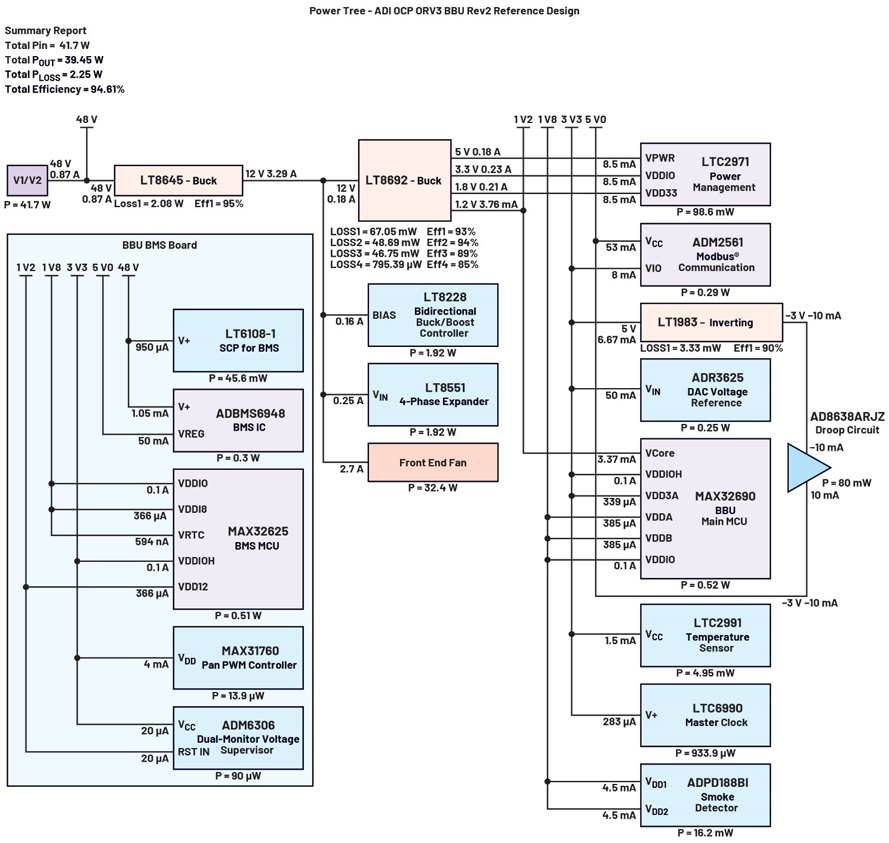
圖1展示了為優化充電模式或放電模式下BBU運行期間的能量流而設計的輔助電路,其中體現了巨大的工程工作量。圖2則顯示了BBU休眠模式下的低功耗輔助電路,它采用低壓差(LDO)穩壓器和單通道降壓轉換器。

圖1.BBU模塊在充電和放電過程中的輔助電路設計。

圖2.BBU模塊在休眠模式下的輔助電路設計。
為了給此類電源轉換器、微控制器和其他外設供電,BBU模塊輔助電路包含表1所列的六個電壓軌。
表1.BBU電壓軌
充電或放電工作模式 | 休眠工作模式 |
?12 V偏置軌 ?5 V、3.3 V、1.8 V和1.2 V偏置軌 ?-3.0 V偏置軌 | ?3.3 V、1.8 V和1.2 V偏置軌 |
BBU充電或放電工作模式下的輔助電源
12 V偏置軌
LT8645S是一款高壓同步降壓控制器,具有高達8 A的驚人負載能力。其主要功能是以非常高的精度將48 V背板電壓電源高效轉換為12 V輔助電壓電源。該器件集成了旁路電容,這使其有別于其他高壓降壓控制器。這一策略性選擇不僅可以減小PCB尺寸,而且巧妙地解決了快速電流環路和電磁干擾(EMI)發射等難題。這種組合顯著提高了整體效率,增強了控制器優化能耗的能力。
12 V偏置軌為電源轉換器、風扇電源和電流共享總線電路等基本組件提供支持。12 V偏置軌充當這些關鍵組件的主要能源通道,助力系統實現無縫運行和高性能。這些組件在電源下有機結合在一起,其中LT8645在增強效率和功能方面發揮著關鍵作用。
5 V、3.3 V、1.8 V和1.2 V偏置軌
采用四通道同步降壓控制器LT8692S是一個經過深思熟慮的選擇,旨在提供多種輸出:5 V、3.3 V、1.8 V和1.2 V。這種調整對于適應降低的輔助電壓以與較低的總線電壓保持一致尤為重要。該控制器在一個以2 MHz頻率運行的單一振蕩器的引導下,確保其輸出的精密度和同步性。
該器件真正的獨特之處在于集成了電容,這一特性有效降低了布局對EMI的敏感性,有助于滿足嚴格的EMI性能要求。因此,其與噪聲敏感的設置和應用的兼容性顯著增強。四通道架構具有高集成度特點,不僅節省空間,而且設計方法更加簡潔高效。
為了解釋其使用方式,5 V偏置軌為放大器電源軌、Modbus UART驅動器、數字溫度傳感器和電源管理器件供電。3.3 V、1.8 V和1.2 V輸出分別為EEPROM器件、主微控制器單元(MCU)和電池管理系統(BMS) MCU供電。
-3.0 V偏置軌
LTC1983為驅動BBU的運算放大器提供關鍵的-3 V電源軌,是電荷泵反相器的明智選擇。該器件僅需一對附加電容即可支持高達100 mA的輸出負載,這證明其固有效率非常高。值得注意的是,這種高效率得益于其微小的外形尺寸,這一設計特性賦予了它獨特的優勢——在BBU電源板上僅需1 mm空間即可發揮作用。
BBU休眠工作模式下的輔助電源
3.3 V、1.8 V和1.2 V偏置軌
MAX17551是一款性能突出的同步降壓轉換器,可將電池堆的48 V電壓轉換為穩定的3.3 V輸出。此電壓充當一個重要通道,在主MCU和BMS MCU處于休眠模式時將電力輸送至其數字通用引腳。選擇這款降壓轉換器是因為它具有以下優勢:輸入電壓范圍寬廣,從4 V到60 V,通用性強;外形小巧,節省空間;運行效率出色,最低功耗不到10 mW。這些特性的融合使其成為提高電池堆整體耐用性和續航能力的優選解決方案。
ADP165LDO穩壓器實現了更為復雜的降壓功能,可準確地將電源電壓從3.3 V降至1.2 V。這種有針對性的降壓可作為主要能源,為主MCU和BMS MCU的核心操作供電。在微控制器電路中巧妙地集成LDO穩壓器可以改善電壓調節,顯著降低噪聲,簡化設計架構,提高運行效率,并提升可靠性標準。此外,ADP165的功耗不到15 μW,因此系統能耗大大降低,電池的續航時間顯著延長。
最后,為了供應模擬和USB電源電壓以及其他一些核心電壓,系統采用了MAX38911,它能準確地將電源電壓從3.3 V降至1.8 V。此LDO穩壓器可以輸送高達500 mA的負載電流,足以提供微控制器所需的負載電流。該電源轉換器在低功耗模式下消耗約19.2 μA的電源電流,因而適合休眠工作模式。
鑒于輔助電源在充電或放電操作期間的效率高達94%,而在休眠模式期間的效率為62%,為了保持一致的理想性能,怎么強調響應式熱管理的重要性都不為過。為輔助電路選擇適當器件的意義不僅僅在于提升普通功能;更關鍵的是,這構成了在BBU不同工作狀態下的設計完整性的基礎。借助該策略可以預測整體功耗,并估算電池的使用壽命。此外,它支持以經濟有效的方式改善輔助電路的性能,最終全面提升該單元的整體效率。1
總結
在本系列的最后一篇文章中,輔助電源被描述為BBU的關鍵組件,負責協調各種重要功能。其功能涉及許多關鍵責任,所有這些責任對于BBU的平穩、可靠、安全運行都至關重要。輔助電源作為后備電源,如同保護盾,負責調整電壓水平、管理散熱風扇電源、采取保護措施以及開展開機自檢等。這些操作精妙地相互作用,以提供不間斷電源,保護器件,并延長整個系統的壽命。
輔助電源是為模擬和數字器件提供可靠補充電源的關鍵因素。隨著輔助電源技術的進步,數據中心PSU和BBU的效率和安全性不斷提升,功耗不斷降低,推動創新達到新的高度。我們不斷變化的技術世界對電源的需求日益增長,而持續的技術進步是對這種需求的有力回應,不僅塑造了我們的當下,也影響著未來的電氣化。
本系列文章的每一篇都是一份全面的資源,提供了準確的指導,幫助設計和應用工程師獲得必要的見解,以便基于OCP ORV3 BBU提供的復雜規范構建更智能、更可靠、更具成本效益的解決方案。為此,文中提供了詳盡的器件選型流程、周全的操作指南、工程設計方法以及具體的程序性建議。
參考文獻
1 David Sun。“開放計算項目開放機架V3 48 BBU 1.3版”。開放計算項目,2022年11月。
(來源:ADI公司,作者:Christian Cruz,應用開發工程師,Ralph Clarenz Matoci?os,助理工程師)
免責聲明:本文為轉載文章,轉載此文目的在于傳遞更多信息,版權歸原作者所有。本文所用視頻、圖片、文字如涉及作品版權問題,請聯系小編進行處理。
推薦閱讀:
【“源”察秋毫系列】 Keithley在碳納米管森林涂層纖維復合材料的應用



