【導讀】過去十年,新裝服務器的市場需求增長迅猛,2015到2022年復合年均增長率達到了11%。拉動市場增長的動力主要來自以下幾個方面:首先,個人文件無紙化和企業辦公數字化進程加快;其次,全球健康危機期間的居家辦公,新媒體平臺融入個人生活,致使屏幕使用時間大幅增加;最后,隨著人工智能的興起和普及,這個市場將繼續保持高速增長。在這個背景下,給服務器設計開關電源殊為不易,主要是處理高熱耗散問題,以及降低這種大型可擴展設備的維修成本,這是擺在電源開發者面前的兩大難題。
I.前言
過去十年,新裝服務器的市場需求增長迅猛,2015到2022年復合年均增長率達到了11%。拉動市場增長的動力主要來自以下幾個方面:首先,個人文件無紙化和企業辦公數字化進程加快;其次,全球健康危機期間的居家辦公,新媒體平臺融入個人生活,致使屏幕使用時間大幅增加;最后,隨著人工智能的興起和普及,這個市場將繼續保持高速增長。在這個背景下,給服務器設計開關電源殊為不易,主要是處理高熱耗散問題,以及降低這種大型可擴展設備的維修成本,這是擺在電源開發者面前的兩大難題。
基于可控硅來解決這兩大問題的方案應運而生,提出了用可控硅替代傳統機電開關的設計在開關電源的AC/DC部分的啟動功能的方案。
II.先進技術
a)原理
在 AC-DC功率轉換器啟動過程中,大容量電容直流充電時會產生高于系統標稱穩態電流10 倍的大電流,這種涌流會在市電交流電源上產生電壓降,從而影響同一電源連接的其他設備的正常運行。在IEC61000-3-3標準里有電壓波動和頻閃的定義。
要想保護電氣設備的安全和功率轉換器的可靠性,必須抑制這種浪涌電流。事實上,浪涌電流可能會觸發或燒毀電源串聯的設備,例如,斷路器、保險絲、電容器或橋式整流器。
有三種解決方案可以抑制電氣設備連接電源時產生的浪涌電流:
- 用繼電器并聯NTC或PTC熱敏電阻,在電源恢復到穩態后短接啟動電阻,傳輸電能,降低電阻的電能損耗;
- 用SCR可控硅代替方案1的繼電器;
- 用SCR設計軟啟動的導通配置
關于每個涌流抑制解決方案在啟動階段和穩態階段的工作原理圖,見圖1。
圖1:AC/DC轉換器:浪涌電流抑制電路拓撲
b)為軟啟動尋找一個適合的方法
以前的標準拓撲是用機電繼電器建立一條旁路,繞過管理浪涌電流的NTC熱敏電阻。用 SCR建立旁路也可以實現同樣的效果。現在更加優化的方法是采用軟啟動拓撲。
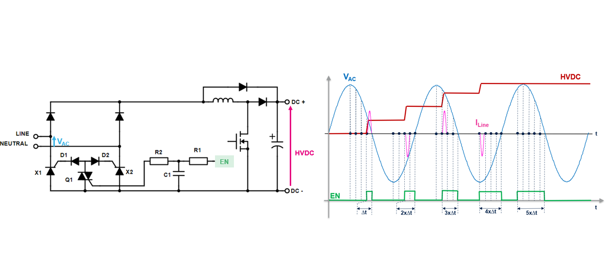
通過用相位角控制SCR開關操作,可以把PFC輸出電容器的電壓平穩地提高至交流線路的峰值電壓。MCU控制預充電流峰值,并同步SCR柵極驅動信號的相位角步長(圖2中的Δt)。
圖2:采用純SCR拓撲的軟啟動
不難發現,ILINE 峰值和 Δt 值是相關的:Δt值越大,ILINE 峰值越高,系統啟動越快。
c) 純SCR涌流抑制拓撲的優點
軟啟動拓撲允許設計人員不用機電元件和無源元件(即 NTC 或 PTC)就能處理在應用啟動階段出現的浪涌電流,從而降低AC/DC整流部分的物料成本。
通過用MCU 控制SCR 的導通,設計人員可以輕松設置線路電流大小,改善啟動時間,同時滿足IEC61000-3-3標準。
SCR可控硅X1 和 X2 正在取代下橋臂上的標準整流二極管,可控硅驅動電路是由一個雙向晶閘管Q1和兩個小二極管D1和D2組成。
因為采用這種驅動器配置,MCU可直接控制SCR導通,無需額外隔離電路和交流線路極性檢測。只要被施加正偏置電壓后,SCR就能正向導通,因此當將柵極電流反向施加到未使用的SCR時,沒有潛在功率損耗的風險。
這種全固態浪涌電流管理方案沒有笨重的活動的機械元件,因而改進了電源的可靠性和使用壽命。此外,應用中不再有因為繼電器觸點彈跳產生的EMI噪聲。與繼電器相比,可控硅沒有老化問題。
圖 3從能效、功率密度、使用壽命、聲學噪聲和電磁干擾幾個方面比較了16A SCR和16A機械繼電器的應用性能。
圖3:SCR與機械式繼電器性能對比
III. 數據中心的電力損耗非常嚴重
數據中心SMPS設計人員面臨的主要難題是功率損耗。即使散熱方法不斷改進,不管是水冷還是油冷,首要手段仍然是限制轉換器分立功率器件的電能損耗,使開關電源盡可能達到最高能效。
a) 基于繼電器的1500W電源與基于SCR的1500W電源能耗對比
我們在1500 W電源裝置(PSU)上測量了純SCR解決方案的能效。該電源的最初配置使用的是機械繼電器,我們用意法半導體開發的評估板(STEVAL SCR002V1)替換機械繼電器,在電源上實現一個純SCR的啟動拓撲。圖 4 顯示了兩種解決方案在輸出負載從 10% 到100% 時的能效。
SCR 拓撲的能效與繼電器的能效完全相同。
圖4:1500 W電源能效對負載比曲線圖
b) 150°C 結溫下的 SCR 損耗優化
選擇正確的 SCR 對于防止高功率損耗和可能的過熱現象非常重要。意法半導體開發了一系列AC/DC轉換器專用的SCR。
150°C最大結溫是關鍵參數。圖 5描述了 16A SCR(TN1605H-8I)在高溫條件下的通態特性。在150 °C結溫和RMS 6.5 A電流(在1500 W / 230 V電源上)時,SCR 的通態壓降低于正常溫度25°C 的通態壓降,所以,SCR在高溫工作時的功率損耗會更低。
在高溫工作時,SCR還有其他優點:較低的散熱要求、更寬的溫度裕量、更高的可靠性。
圖5: 16A SCR在高溫通態時的特性
VI. 電路實現及工作方式
設計者的第一個問題是“如何設計整流橋中的SCR柵極電路”?
這個問題很容易回答,因為下面的柵極電路是由分立器件組成的,由 MCU 直接控制,并且不需要給接口額外加隔離器件。
為了簡單地解釋電路的工作原理,我們只討論交流線路正弦波的正半波,下面是電路運行方式:SCR可控硅X2 是由 Q1 通過二極管 D2導通。因此,一旦 MCU激活Q1,X2也會導通。Q1柵極電流來自MCU,而X2 柵極電流是通過Q1和D2接收的交流電源的電流。
圖6:電路工作方式
在正弦波的正半周期,D1二極管被反向偏置,因此沒有柵極電流流過 X1 SCR的柵極,從而防止SCR 漏電流導致的反向損耗增加。
在浪涌階段,MCU 控制Q1三端雙向可控硅開關元件的相位角,因此,X2 SCR也是用相位角控制。浪涌電流流經 D3、PFC 輸出電容(C)、X2 SCR,然后回到零線。Vdc充電順利。
在穩定狀態下,PFC導通,MCU控制Q1三端雙向可控硅全波段導通,X2可控硅導通。在交流電源正弦負半周期也是同樣的操作,使用相同的MCU I/O 信號。
結論
純SCR拓撲及其專用的非絕緣驅動器可以輕松地替代機電繼電器和/或無源元件解決電氣設備啟動時的浪涌電流問題,這個基于高結溫SCR的完整固態解決方案非常適合功率密度非常高的應用場景,例如,數據中心的SMPS電源。該方案有以下幾個好處:高能效;去除機械部件,高可靠性;實現簡單的非隔離控制電路。
(來源:意法半導體 ,作者: Romain PICHON,Benoit RENARD)
免責聲明:本文為轉載文章,轉載此文目的在于傳遞更多信息,版權歸原作者所有。本文所用視頻、圖片、文字如涉及作品版權問題,請聯系小編進行處理。
推薦閱讀:
來吧,展示!第104屆中國電子展暨國際元器件及信息技術應用展火熱招商中
用于電池儲能系統 (BESS) 的 DC-DC 功率轉換拓撲結構



