【導讀】隨著移動設備的功率需求呈指數級增長,快充技術在過去幾年得到了迅猛發展。2020年末,手機市場領導者(如蘋果、小米和三星)開始不再提供手機包裝內附送的適配器。這一變化引發了零件市場適配器的又一波需求熱潮,也印證了快充適配器市場的兩大趨勢。
第一個趨勢是對多端口適配器的需求。傳統的手機隨附適配器無論功率多大,都只提供單個USB端口。一旦不再附送適配器,傳統的“one phone, one adapter(一部手機配一個適配器)”的概念就變得毫無意義,因為客戶開始更喜歡多個 USB 端口設計的適配器。現代消費者在日常生活都會用到大量的電子設備(例如手機、平板電腦和筆記本電腦),無論在家中還是在旅途中,擁有一個可以同時為多個設備供電的適配器,當然是首選的充電方式(見圖 1) 。

圖1: 帶3C1A USB端口的100W適配器
第二個趨勢是適配器需要可以適用于超過100W的更高功率水平。由于快充技術的發展,大多數適配器的功率水平也在不斷提高。USB PD協議允許高達20V的充電電壓和5A充電電流。
迄今為止,出于量產成本以及單個便攜式設備實際充電要求等考慮,市場上的大多數產品附送適配器功率仍低于65W。
但由于為多個設備充電需要更高的功率,許多零件市場的多端口適配器已經超越了傳統的功率限制。而且,因為可以為更多設備充電,更高的成本也變得可以接受。因此,額定功率超過100W的大功率適配器正逐步成為主流產品。
對于最高功率65W的適配器,單級反激拓撲一直以來都是最常用的解決方案。特別是對具有寬輸入和輸出電壓范圍的單端口快充適配器而言,反激解決方案無需額外的 DC/DC 功率級即可適應多種電壓組合。然而,基于上述趨勢,市場需要快充適配器解決方案有所變革。
首先,大多數地區對電源都有強制的功率因數規范,當額定功率超過一定水平時,需要在前端進行功率因數校正(PFC)。其次,反激解決方案很難滿足100W以上應用的效率和功率密度要求。
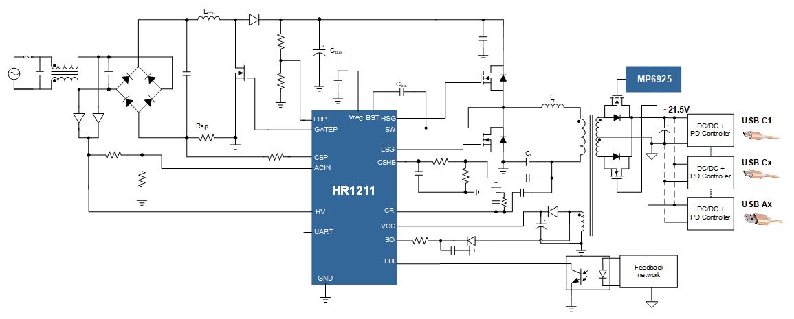
由于多端口適配器要求每個端口都能夠獨立調節輸出電壓,因此每個端口必須有自己的 DC/DC 級。這意味著主電源只需要提供固定的輸出電壓即可,無需提供可調電壓。這使得兩級PFC + LLC 組合控制器成為更適合多端口大功率適配器的解決方案。LLC 是一種諧振變換器,它可在寬負載范圍內實現零電壓開關 (ZVS)。輸入端為PFC,輸出端為 DC/DC,LLC 解決方案實現了比反激解決方案更高的效率和功率密度。圖 2 顯示了典型的PFC + LLC 解決方案。

圖2: 采用HR1211實現的典型PFC + LLC控制器解決方案
我們以MPS的HR1211為例進行說明。HR1211是一款數字 PFC + LLC combo控制器,可用于大功率多端口PD適配器設計。
該PFC + LLC combo控制器是多端口適配器的理想解決方案。HR1211中的混合控制方案允許PFC 級的連續導通模式 (CCM) 和斷續導通模式 (DCM)。在滿載條件下,CCM降低了傳導損耗(尤其是在低壓線路輸入時)和電感尺寸要求。與此同時,LLC 級通過自適應死區時間追蹤技術實現了電流控制模式,保證了ZVS 操作在任何條件下都具有最小死區時間。這最大限度地降低了LLC 變換器的開關和傳導損耗。這些特性對實現高效率和高功率密度至關重要。在具有 3C1A USB 端口的100W PD 適配器中,從 AC 到 LLC 輸出的滿載效率接近95%(參見圖 3)。

圖3: 100W適配器設計中的HR1211滿載效率
基于此,我們可以在非常小的尺寸 (76mmx61mmx29mm) 下實現100W大功率適配器,而且可以輕松控制溫升。圖 4顯示了在 20V/5A 的連續滿載工作條件下,該解決方案的最高溫度為 77°C。

圖4: 在連續20V/5A 輸出條件下的熱性能
HR1211的專有控制方案還具有卓越的輕載性能。隨著負載的降低,該解決方案將逐步將PFC 操作從CCM模式改為DCM模式,并降低開關頻率。在輕載條件下,LLC 控制采用跳頻模式和突發模式來降低 LLC 變換器的等效開關頻率,從而降低開關損耗。
圖 5 顯示了在輸出電壓為20V時,USB Type-C 輸出之一從10%負載到滿載時的效率。PFC + LLC combo可以分別實現88.3%的高壓線路平均效率和89%的低壓線路平均效率,輕松滿足全球效率規范。

圖5: USB Type-C輸出效率
該解決方案的另一個好處是采用數字化設計,更具靈活性。它不僅外部電路相當簡單,而且HR1211芯片具有數字內核和多次可編程(MTP)存儲器,因而具有豐富的可編程性??梢酝ㄟ^基于 UART 的通信接口和圖形用戶界面 (GUI) 編程各種操作模式里的關鍵參數、開關特性、調整率以及轉換閾值。
憑借這種靈活的數字化設計,我們可以根據給定設計輕松優化效率、紋波、噪聲和保護等各類性能(參見圖 6)。這一點對快速發展的市場(如大功率快速充電適配器)尤為重要。一旦市場對電源規格、外形規格或性能規范提出新的需求,PFC + LLC combo控制器都能夠快速做出響應。

圖6: HR1211圖形用戶界面
快充適配器市場不斷發展,超過100W 的大功率適配器以及具有多個USB PD端口的新型適配器需求不斷涌入。HR1211這種數字PFC + LLC 控制器解決方案可以很好地滿足此類需求,其出色的效率、性能、功率密度和靈活性將助力適配器市場進入新時代。
免責聲明:本文為轉載文章,轉載此文目的在于傳遞更多信息,版權歸原作者所有。本文所用視頻、圖片、文字如涉及作品版權問題,請聯系小編進行處理。
推薦閱讀:



