【導讀】現有的USB標準允許最大充電電流為500mA(USB 1.0、2.0)或900mA(USB 3.0),快速充電的電流限制為1.5A。為了確保充電設備可以安全傳輸電能,可以在數據傳輸線D+和D-施加固定電壓或在這兩個數據線連接之間安裝一個電阻,告知便攜式設備已將其連接到專用充電端口(DCP)。
現有的USB標準允許最大充電電流為500mA(USB 1.0、2.0)或900mA(USB 3.0),快速充電的電流限制為1.5A。為了確保充電設備可以安全傳輸電能,可以在數據傳輸線D+和D-施加固定電壓或在這兩個數據線連接之間安裝一個電阻,告知便攜式設備已將其連接到專用充電端口(DCP)。不幸的是,不同的制造商有不同的規格因此沒有通用的解決方案(圖1)。

圖1:不同便攜式設備制造商的各種DCP電阻器配置
為了避免混亂,USB3.1標準加入了電池充電的規范,允許便攜式設備與充電器通信以設置可變輸出電壓、電流和功率限制以配合各種便攜式設備和連接器型號的充電能力(A型、B型、微B型或C型)。
即使便攜式設備配備的是USB-C連接器仍可以通過舊式充電器充電,因為USB標準是向后兼容的,只是與專用的USB 3.1充電器相比會需要更長的充電時間。
使用RECOM轉換器作為USB充電器
將D-和D+引腳短接在一起的USB連接器可以被許多便攜式設備視為DCP。在下方的示例中,高性價比的R-78E降壓轉換器成為低成本的DCP解決方案:

圖2:簡單的DCP解決方案
圖2所示的解決方案可以搭配12或24 VDC固定電壓電源或12V鉛酸電池。如果使用24V鉛酸電池作為電源,建議使用R-78C5.0-1.0(引腳兼容),因為輸入電壓范圍會升至42 VDC。電池供電的USB充電器需要串聯反極性保護二極管。
有些便攜式設備會無法充電除非D+和D-引腳連接到如圖1所示的適當識別電壓和電阻。這些設備須要添加一個充電端口控制器IC才能自動檢測插入的設備并設置正確的電壓和電流才可以進行充電。
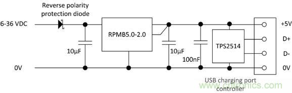
在下方的示例中,TI TSP2514充電端口控制器與SMD貼片式RPMB5.0-2.0降壓轉換器配合使用,可為各種便攜式設備提供高達1.5A的連續充電電流(快速充電):

圖3:RPMB的充電端口控制器IC為不同制造商的便攜式設備充電
上面的示例適用于12V或24V電池電源電壓,但是如果是更高的輸入電壓范圍(例如,與48V鋰離子電池電源一起使用),需要使用一個最高可以處理60VDC輸入電壓的轉換器以應付高充電電壓,而RPMH5.0-1.5就是理想的選擇。在輸入端和使能引腳之間接入分壓電阻可提供欠壓保護;如下圖所示,如果輸入電壓降至20V以下轉換器將自動關閉,保護電池不受深度放電的傷害。

圖4:用于高輸入電壓的DCP (RPMH)
某些應用需要隔離的充電端口以避免輸出引腳意外跨接到電源的時候短路。RS6-4805S是一個合適的解決方案,小巧的SIP8封裝提供高達1200mA的電流。RS6系列還內置欠壓鎖定功能以防止深度放電造成電池損壞、1.6kVDC/1分鐘的隔離、100V的浪涌承受力,以及使用TVS二極管的±1kV瞬態保護功能。需要電源時,RS12系列通過同一SIP8引腳提供高達2.4A的電流。

圖5:具有100VDC浪涌承受力的隔離USB DCP
免責聲明:本文為轉載文章,轉載此文目的在于傳遞更多信息,版權歸原作者所有。本文所用視頻、圖片、文字如涉及作品版權問題,請電話或者郵箱聯系小編進行侵刪。





