【導讀】我們知道作為開關電源,它電路中光耦的電源是從高頻變壓器次級電壓來獲取的,一旦輸出電壓由于各種原因降低時候,反饋電流就會相應的加大,此時占空比也會相應的變大,結果使得輸出電壓升高;若輸出電壓升高,那么電流將會變小,占空比也會減小,使得輸出電壓降低。
一、光耦在開關電源調整電壓作用
我們知道作為開關電源,它電路中光耦的電源是從高頻變壓器次級電壓來獲取的,一旦輸出電壓由于各種原因降低時候,反饋電流就會相應的加大,此時占空比也會相應的變大,結果使得輸出電壓升高;若輸出電壓升高,那么電流將會變小,占空比也會減小,使得輸出電壓降低。

一旦高頻變壓器次級負載超載或開關電路有故障,就沒有光耦電源提供,此時光耦就控制著開關電路不能起振,最終保護開關管不至被擊穿燒毀,因此光耦在開關電源一般起到隔離、提供反饋信號和開關三種作用。

如下圖是光耦PC817和穩壓管組合而成的開關電源電路,有些開關電源還會與TL431一起構成精度較為高的電路。注意這種光耦一般是線性的光耦。

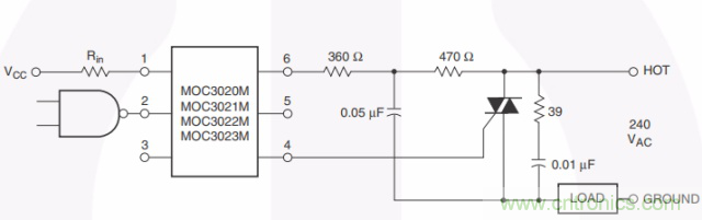
二、光耦在交流等負載做開關作用
光耦由于在具有單向傳輸,并且輸入端與輸出實現了電氣隔離,使得輸出信號對輸入端無影響,因此廣泛應用于各種隔離電路當中,對于電力電子而言,在交流負載應用的就比較多,通過與雙向可控硅一起構成抗干擾能力強的隔離電路,如下圖,注意要增加限流電阻,另外在輸出負載增加RC吸收回路或者并聯一個壓敏電阻,這有助于保護負載。

三、過零檢測作用
要實現過零其實有很多種方法,有串聯兩個二極管方法,還可以通過光耦來轉換,如下圖,

采用兩個光耦,交流電輸入,兩個光耦反向并聯,在市電的正負半周兩個光耦分別輪流導通,當市電不在過零點時候,只有一個光耦導通,此時輸出低電平,當市電轉到過零點時候,兩個光耦均不導通,此時由于R3作用,pin輸出高電平,這樣在輸出端得到周期為10ms的脈沖信號。由于這種電路由光耦隔離作用,因此這種過零檢測電路比串聯二極管的那種電路更為更安全。
四、其他應用
除了這三種,另外光耦還有其他的應用,例如觸發電路、邏輯電路、脈沖放大電路等。
推薦閱讀:




