【導讀】目前,三相四線數字化電能表是新一代智能型電能計量產品,主要應用于能源管理系統、數字化變電站、配電網自動化、工業自動化等場合,是電力負載管理系統的配套終端產品,由電力控制中心調配,實現電網的合理配置和監測,為電力營銷自動化提供終端數據。在智能電表、電力轉換開關、消防監控等系統中,很多都采用三相四線接線方式。
1、引言
傳統的三相四線制智能電表,為解決高壓輸入及四線制的供電要求,采用3PCS工頻變壓器進行電壓變換,再通過整流及濾波電路實現直流電壓的輸出,這種方案的優勢是成本低,缺點是體積大。同時不同國家、不同區域,三相四線智能電表的工作電壓存在很大的區別。目前一些國家(如中國、俄羅斯)實際供電電壓達到380VAC、而有的國家(如美國)則達到了480VAC。如果把如此高的供電電壓通過線-線直接接入85-264VAC輸入的AC/DC電源中,則電源將出現過壓損壞等情況。因此,85-264VAC輸入的常規電源已經不能滿足此應用需求。
2、三相智能電表電源方案
微功率三相四線制電力專用電源LS03-16BxxSS或LD03-16BxxSS系列能夠解決工頻變壓器的體積大、設計復雜、輸入電壓高等問題。下面為三相智能電表的電源解決方案。

圖一 三相四線制智能電表方案框圖
圖(一)為三相四線智能電表功能框圖,主要由EMC防護、電源模塊、網絡模塊、人機交互模塊、高速數據處理器、實時時鐘、數據接口及采集模塊等組成。該方案推薦選用LS03-16BxxSS(或LD03-16BxxSS)系列開關電源。此電源輸入電壓為90-528VAC,可從前端三相輸入中的任何相電壓或線電壓中直接取電,而不因過壓導致模塊損壞。經過LS03-16BxxSS轉換為隔離的DC電源,再經過LDO的轉換給系統的其他功能模塊供電。考慮到智能電表需向外部接口提供信息和進行數據交換,為使信號傳輸穩定可靠,建議選擇帶集成隔離電源的通信模塊,能有效抑制電磁干擾和消除地環路影響。
3、LS03-16BxxSS系列模塊電源簡介
LS03-16BxxSS 系列是小體積開關模塊電源。該系列電源具有全球輸入電壓范圍、交直流兩用、低功耗、高效率、高可靠性、安全隔離等優點。同時,該系列電源也滿足國際UL60950/EN60950 標準。能夠廣泛適用于工控和電力儀器儀表等對體積要求苛刻、輸入電壓要求寬、需要滿足UL/CE 認證并對EMC 要求不高的場合。

產品特點:
● 超寬輸入電壓:90~ 528VAC
● 交直流兩用(同一端子輸入電壓)
● 4000VAC 高隔離電壓
● 小體積、高功率密度
● 輸出短路、過流保護功能
● 工業級工作溫度范圍:-40℃~+85℃
● 符合UL60950/EN60950 認證標準
4、LD03-16Bxx系列模塊電源簡介
針對寬電壓輸入微功率三相四線制電源,為滿足不同環境應用需求,不僅提供小體積、高功率密度、經濟型的SIP封裝,而且還提供內置EMC防護濾波電路的DIP封裝LD03-16Bxx,此產品在環境不是很惡劣的情況下,無需增加任何EMC器件即可滿足IEC 61000-6-3、IEC 61000-6-1標準要求,為客戶系統設計提供便利。

產品特點:
● 超寬輸入電壓:90~ 528VAC/100~745VDC
● 交直流兩用(同一端子輸入電壓)
● 3000VAC 高隔離電壓
● 小體積、高功率密度
● 產品裸機即可以滿足IEC 61000-6-1、IEC 61000-6-3 EMC標準要求
5、LO10-26D0512-04三相四線制電力儀表專用電源介紹
儀表接入電網的方式有兩種,直接接入或經電壓互感器接入。如果是經電壓互感器接入,根據IEC 62052-11:2003標準要求,輸入電壓會低至60V。為滿足智能電表更低輸入電壓和電力行業單相或三相輸入的要求,推出專為電力儀表三相四線制設計的超寬輸入電壓范圍的開關電源。
LO10-26D0512-04可在65-460VAC 或90-650VDC 超寬輸入電壓下工作,符合額定電壓380/220VAC(三相四線)、任接2 根線工作的供電要求。當供電系統發生故障導致輸入過壓時,電源會自動關機,從而保障電源及終端不受損。

產品特點:
● 三相四線超寬輸入: 65~460VAC/90~650VDC
● 接入三相四線供電系統任意兩線,電源正常工作
● 傳導/輻射:CLASS B
● 群脈沖/浪涌:四級
● 具有輸出短路、過流和輸入過壓關斷保護功能
● 高效率、高可靠性,低紋波噪聲、低待機功耗
● 采用長壽命低阻抗電解電容
6、應用注意事項
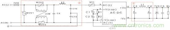
LS03-16BxxSS系列電源,如果需應用在電磁環境比較惡劣的場合中,為使產品工作穩定且不被電磁干擾輕易損壞,建議在電源輸入端口增加相應的EMC外圍電路,以滿足一定指標的電磁兼容性能,如圖(二)所示為推薦電路供參考:

圖二 LS03-16BxxSS EMC外圍推薦電路
注:具體元器件選型參數請參考LS03-16BxxSS技術手冊。
7、總 結
隨著智能電表在全球各地廣泛普及,其不僅要求開關電源具有小體積、高可靠性等,更要求開關電源能夠同時兼容多種輸入電壓。





