【導讀】本次設計是基于FPGA 的電機測速系統設計,利用的是Altera 公司開發的Quartus II 軟件作為設計平臺,可以在FPGA 開發板上實現測量由傳感器轉換得到的脈沖信號,并且通過計算得到電機轉速值。
現場可編程門陣列即FPGA,是從EPLD、PAL、GAL等這些可編程器件的基礎上進一步發展起來的。作為專業集成電路領域中的半定制電路而出現的FPGA,不但解決了定制電路的不足,而且克服了原有可編程器件因門電路數有限的而產生的缺點。FPGA 的使用十分的靈活,同一片FPGA 只要使用不同的程序就能夠達到不同的電路功能?,F在FPGA 在通信、儀器、網絡、數據處理、工業控制、軍事和航空航天等眾多領域有著廣泛的應用。隨著成本和功耗的進一步降低,將在更多的領域運用FPGA?;贔PGA 的電機測速系統設計,以Quartus II 為設計平臺,采用硬件描述語言VHDL和模塊化設計的方式,并通過數碼管驅動電路動態顯示測量的結果。本設計具有外圍電路少,集成度高,可靠性強等特點,可以用來測量電機的轉速值。
外圍電路設計
傳感器將電機轉速的模擬信號轉換成數字脈沖信號送入FPGA 模塊。同時由基準時鐘電路產生準確的時鐘信號和復位電路產生的復位信號送入FPGA 模塊。再由FPGA 模塊產生分頻電路、十進制計數器電路、數據處理電路和顯示譯碼電路。由分頻電路將送入的基準時鐘信號進行分頻,得到一個閘門信號,作為十進制計數器的使能信號。數據處理電路的作用是將十進制計數器得到的數據進行相應的處理后,再送入顯示譯碼電路進行轉換譯碼。電機測速系統的總體框圖如圖1所示。外圍電路分為:基準時基電路,復位電路,傳感器測量電路和顯示電路。

圖2 有源晶振電路圖
基準時基電路設計
基準時基電路采用50 MHz 的有源晶振,3.3 V 電源通過FB5接入有源晶振的VCC 端口,同時通過C10和C11濾去高頻干擾信號。從OUT 端口輸出50 MHz 的時鐘信號。晶振電路如圖2所示。
復位按鍵的設計
按鍵作為嵌入式智能控制系統中人機交互的常用接口,我們通常會通過按鍵向系統輸入各種信息,調整各種參數或者發出控制指令,按鍵的處理是一個很重要的功能模塊,它關系到整個系統的交互性能,同時也影響系統的穩定性。在本次設計中,通過按鍵實現了FPGA模塊的手動復位。復位按鍵如圖3所示。

圖3 復位按鍵電路圖
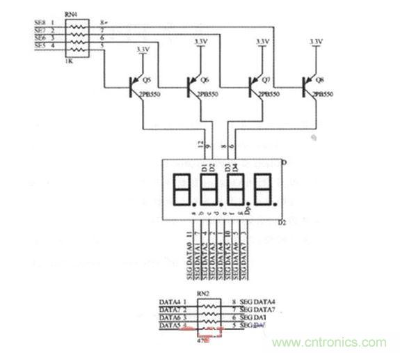
顯示電路的設計
在本次設計中我們用到的顯示電路如圖4 所示。

由數碼管顯示電路可以知道,這是共陽極數碼管。當在位選端SE1~SE4輸入低電平時,三極管導通,從而D1~D4接入高電平。由a 到DP 端輸入數碼管顯示碼,就可以得到我們所需要的數字,由位選端讓數碼管選擇導通。
本次設計是基于FPGA 的電機測速系統設計,利用的是Altera 公司開發的Quartus II 軟件作為設計平臺,可以在FPGA 開發板上實現測量由傳感器轉換得到的脈沖信號,并且通過計算得到電機轉速值。在本次設計中,還可以進行一些擴展,可以添加報警電路,設定一個報警值,當測量的轉速值大于這個報警值時,就可以讓蜂鳴器報警或數碼管點亮。


