【導讀】設備故障的原因有很多,最經典的就是電力系統中,由于電源設計的不合理所造成的設備故障。由此可見,供電電路的可靠性和穩定性是多么重要。本文就詳細解析了三相電供電過程中所發生的故障以及改善方案。
傳統的供電電路多采用工頻變壓器加后級降壓電路來實現。由于近年來三相電供電故障頻發,為了很好的解決三相電供電出現故障后,供電系統仍能穩定可靠的為電力檢測設備供電。許多電源廠家推出電力專用的的高頻開關電源,這種電源具有許多優點:安全、可靠、體積小、重量輕、綜合效率高以及噪音低等優點,非常適應電網設備的應用,目前很多大型設備廠家已開始批量使用。
一、三相電供電常見故障分析
我國供電大多都采用三相四線供電方式。下圖為三相四線制示意圖,從圖中可以看出此種供電方式可以提供兩種不同的電壓——線電壓(380V)和相電壓(220V),可以適應用戶不同的需要。三相四線制供電較為理想的狀態是三相負載平衡,此時中線電流為零,從理論分析此時中線可有可無,不影響設備的正常運行。但現實情況三相平衡只是相對的,不平衡則是絕對的,所以現實應用中的中線是必須有的,這樣才能保證各相電壓的穩定輸出。隨著經濟的發展,用電器大幅度增加,單相短路幾率必然升高,單相短路和瞬間短路引起零飄過電壓問題及為普遍。下面我們針對此一些常見故障問題進行分析,為我們設計電力設備供電系統時提供方向,從而使供電系統穩定可靠的運行。

圖1 三相電壓示意圖
1、單相短路故障現在很多場合為了取電方便,直接采用三相電的相電壓供電。包括目前很多農村電網設計都是將三相電中的三相平均分給三組用戶使用,從而省掉了三相變壓器。這種供電方式雖然節省了一些設備的投入,但是對用戶的用電設備帶來很大隱患。在實際應用中,單相短路接地故障發生的概率最高可達65%,兩相短路約占10%,兩相短路接地約占20%,三相短路約占5%。下面簡單分析一下單相短路的威脅。

圖2 三相電單相短路示意圖
如上圖所示,一旦出現單相短路現象,會抬高中線電位,對用電人員的安全有較大威脅(有零線接外殼保護的設備)。同時在短路瞬間,負載2與負載3需要承受瞬間大電壓沖擊,嚴重時電壓值直接上升到線電壓(380VAC)。致使用電設備出現過電壓損壞現象。2、輸電線中線開路
在實際用電環境環境中,往往會由于線路安裝不當,或熔斷器及開關安裝位置不當,導致中線斷開。如果中線斷了,三相負荷中性點電位就要發生位移。中性點電位位移直接導致各相的輸出電壓不平衡,而相電壓太高會使設備過電壓而直接燒毀,而相電壓偏低的相,可能會由于電壓降低,電流增大而損壞設備。由于三相電電壓計算非常復雜,由于負載矢量的引入,最終詳細計算公式也異常難懂。下面以一種簡單的方式解釋一下中線短路對線電壓的影響。

圖3 三相電中線開路示意圖
如上圖,假設負載3開路,同時中線出現中斷。此時負載1與負載2串聯后接在線電壓UUV(380VAC)上,兩個負載上的電壓主要取決于Z1與Z2的大小。若Z1遠遠大于Z2時,則負載1的的電壓會接近與380VAC的線電壓,此時負載1就很可能由于過電壓而損壞,而負載2可能會由于電壓過低而停止工作。在正常情況下,相電壓之間影響較小,可正常使用。[page]
3、設備供電中線開路
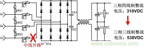
電力設備除了輸電線容易出現故障外,設備電源輸入及插座等出現故障也有可能使設備出現損毀。由于大多數場合均采用三相四線制電源,同時三相四線制電源還有一個比較特殊的應用,及采用三相四線制全波整流時,只要任何一相有電設備均能正常運轉。

圖4 供電設備中線開路示意圖
如上圖所示,三相四線制全波整流,此電路好處在在三相電任意兩相出現問題時,此供電電路任然可以繼續工作。但是一旦整流電路中的中線中斷或則未連接,此電路就變為三相三線制整流電路,此時電壓有原來310VDC升高到538VDC,若后級設備無法承受538VDC高壓,將后損壞后級設備。二、三相電供電改善措施
由于在實際應用中有較多限制,不可能避免很多電力故障的發生,但我們能可以通過一些手段減少設備損壞概率,從而提升產品的可靠性。具體改善措施如下:
1、單相短路故障改善措施
此故障可適當提高電源輸入端的抗沖擊能力,一般需要抗335VAC沖擊。這樣可以在瞬時短路時,保護到后級電路不會因過電壓而損壞。為了減小因零飄而照成的電壓升高,可適當加大零線截面積,降低零點飄移,來縮小另外兩相電壓抬高幅度。
2、輸電線中線開路改善措施
從故障分析我們可以看出,中線開路主要是影響到相電壓的電流回路,使電流未能回到中性點。只能通過兩根相線形成回路,從而增加了設備過電壓的風險。為了給相電壓提供可靠的電流回路,在布線中可采取三相三零六線供電方式,三相三零獨立工作。此布線缺點是增加零線投資和線損,但這樣能有效抑制零飄,減小了每相電壓的相互影響。
3、設備供電中線開路改善措施
一般設備采取三相四線全波整流電路,主要是考慮其供電的冗余設計,只要三相電任意一相電設備就能正常工作。但是一旦在中線未連接上設備,整流電路電壓就會急劇升高。解決此問題,需要在電壓升高時切斷后級電路,從而保護后級電路不受損壞。但在設計時需保證檢測控制電路穩定供電。
三、從根源解決電力系統供電故障
隨著社會的發展,用電設備的功率逐漸增加,同時各種設備質量也參差不齊。這些設備不但對電網形成了較大干擾,而且還存在較大的短路風險。電力故障誘因很多,不可能做到完全避免其發生。但是一旦故障發生后,我們需要及時反饋并處理。此時就需要有電力檢測設備對電網實時檢測,并在故障發生時采取必要措施,避免造成更大損失。
在電網在出現異常時,電力檢測設備仍需要保證正常工作。此時電力系統的供電設計就顯得尤為重要。供電系統需要保證在大多數電力故障發生時,其仍能為電力檢測設備提供穩定的電能。電力故障一般表現為:缺項運行、單相電壓飄高、電路過負載電壓拉低、中線開路、雷擊事故等。故此供電電源需要較寬的電壓輸入范圍及較強的抗擾度。
單相電路應用特點:單相電路簡單,可適應市電大幅的電壓波動。

圖5

圖6

圖7





