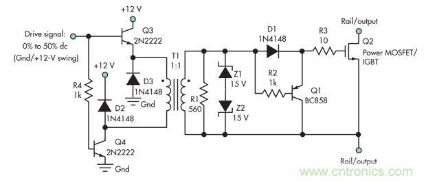
門驅動變壓器的絕緣性和穩定性好,經常用于驅動半橋功率電路。但是要讓它們都關斷一段時間,很有挑戰。一般會加一個電阻,消耗更多的功率和成本。怎么辦?美國的高手李科.馬力給了這個電路圖設計。

到MOSFET的驅動信號可以從50%一直到零,當T1充電的后,第二個通過D1輸送電流,給門充電。松開后,第二個輸送一個低功耗的負峰,然后到零。Q2的門仍然有電,Q1關斷Q2的源電流,這樣,門就可以迅速地放電。
相關閱讀:
設計實例:電源高頻變壓器設計步驟詳解
http://www.aolaiaolisita.com/power-art/80021581
怎樣抑制變壓器雷電過電壓
http://www.aolaiaolisita.com/cp-art/80020676




