中心議題:
- 恒流二極管的基本原理、構成、參數和散熱
- 恒流二極管用作LED的驅動源
- 使用恒流二極管時的性能擴張
很早就已經出現了恒流二極管,但是這種二極管并沒有引起人們的關注,因為它只是用于某些儀器儀表中作為電流的標準。然而近來隨著LED產業的蓬勃發展,這種二極管突然引起了廣泛的興趣。很多國外的大公司都開發出這種產品以供驅動LED,這是因為LED必須采用恒流源作為驅動的原因。下面我們將要深入討論一下恒流二極管的性能和應用。
一. 什么是恒流二極管
理想的恒流源是一種內阻為無窮大的器件,不論其兩端電壓為何值,其流經的電流永遠不變。當然這種器件是不可能存在的。實際的恒流二極管相當于一個在一定工作電壓范圍內(例如25-100V),其電流恒定為某一值(例如20mA)。其等效電路如圖1所示。

圖1. 恒流二極管的等效電路
其內阻為Z,并聯的電容大約為4-10pF。其典型的伏安特性如圖2所示。

圖2. 恒流二極管的典型伏安特性
它在某一個電壓范圍內有一段恒流區間,在這個區間,流經的電流幾乎不變,VL為到達IL的電壓值,IL大約為0.8Ip,Vb為擊穿電壓值。但是實際的恒流二極管并不是那么理想。圖3是美國Supertex的CL1恒流二極管的特性。它的電流仍然會隨電壓而有所增加。

圖3. 實際的恒流二極管的伏安特性[page]
恒流二極管的另一個特性就是它的溫度特性,溫度特性通常用相對值%/°C或絕對值μA/°C來表示。這個溫度系數通常是負值。其值取決于恒流的值,恒流值越大,溫度系數也越大,通常在-0.4%~-0.6%之間。為了達到恒流的目的當然不希望電流隨溫度變動,所以通常需要采用溫度補償措施(圖4)。

圖4. 恒流二極管的溫度補償措施
采用溫度補償以后就可以把電流的溫度系數降低到很小的數字,例如Supertex公司的CL1的電流溫度系數只有-8.5μA/°C。
二. 恒流二極管的構成
最簡單的恒流二極管就是采用一個結型場效應管(圖5)。

圖5. 用一個結型場效應管構成恒流二極管
用兩個晶體三極管,也可以構成一個恒流源(圖6)。

圖6. 用兩個三極管構成一個恒流源
其電流為:I = Vbe/R1,
[page]
它雖然很簡單,但是缺點是不同型號的管子,其be電壓不是一個固定值,即使是相同型號,也有一定的個體差異。所以很難批量生產。為了克服這個缺點,就采用結型場效應管來代替晶體管。同時在反饋回路里采用一個運放
圖6. 采用結型場效應管和運放的恒流源
其電流:I = Vin/R1,這個恒流源還需要一個基準電壓Vin,最簡單的基準電壓就是齊納二極管,所以也可以利用一個齊納二極管和一個三極管或場效應管來構成恒流源。
圖7. 采用齊納二極管的恒流源
其所恒定的電流:I = (Vd-Vbe)/R1。
但是,所有以上結構都是利用現有的半導體器件來構成恒流源。實際上現在已經可以根據對恒流特性的要求,構成專門的半導體器件而能具有所要求的恒流特性。其構成如圖8所示。

圖8. 專門的恒流二極管結構[page]
當一個反向偏壓加到PN結的陰極和陽極時,這個恒流二極管開始導通,當反向偏壓增加到VL時(見圖2),其電流由于N區的體電阻也跟著增加,當電流增加到曲線的拐點時,在N區和P型柵之間形成一個耗盡層。這個耗盡層減小了N區中電流的路徑也就減慢了電流的增加速度。結果這個耗盡層遇到了P型柵于是就產生了夾斷效應,這使得電流變成恒定而幾乎和所加電壓無關,直到所加電壓達到一個擊穿點Vb。如果所加電壓反過來,那么就相當于一個正向電壓加到一個PN結,其特性就和一個普通二極管加上正向電壓時一樣。
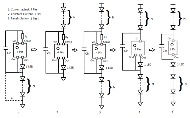
實際所采用的恒流二極管可分為4條管腳,3條管腳,和2條管腳三種結構和封裝(圖9)。

圖9. 3種封裝的恒流二極管
其中4條管腳的恒流二極管主要用于可調恒流電流。
三. 幾種恒流二極管的參數
下面列出幾種常用的恒流二極管的參數

[page]
四. 恒流二極管的散熱
由于恒流二極管要吸收市電電壓的變化而有可能會承受很高的電壓,假如電流也很大的話,它的功耗有可能會相當大,也就必須要有很好的散熱,以免損壞內部的芯片。恒流二極管的散熱主要取決于它的管殼封裝。各種不同封裝的散熱能力主要表現在它的熱阻。下面就來看一下各種封裝的熱阻。

由表中可見,On-semi公司的NSI50350ADT4G所采用的D-PAK具有最小的熱阻,其耗散功率高達11W。不過如果整個系統設計于這樣高的耗散功率也說明其效率不高,是需要避免的。
五. 恒流二極管作為LED的驅動源
我們知道LED必須采用恒流源來驅動,否則由于它的負溫度系數,而會使電流急劇上升導致結溫升高,壽命縮短。而恒流二極管的恒流作用恰恰可以用來驅動LED。最簡單的方法就是直接和LED串聯。但是我們在把恒流二極管用于LED驅動時必須注意選擇恰當的電流和耐壓。
5.1 最低電壓
由于恒流二極管需要一定的電壓Vk才能夠進入恒流,所以太低的電源電壓是無法工作的。通常這個Vk大約在5-10V左右,所以大多數采用電池供電的LED是無法工作的。
5.2 最大電流
由于恒流二極管的功耗受到限制,所以過大的電流也是不合適的。例如1W的LED通常需要350mA,恒流二極管就很難提供。
5.3 采用恒流二極管作為LED驅動電源
目前比較合適的使用場合就是交流市電供電的LED燈具,采用很多小功率LED串聯,也就是高壓小電流的情況是最為合適。
圖10就是一種用于球泡燈的恒流二極管驅動源。其負載是80顆3014,總功率為8W。所用的恒流二極管也是恒流在30mA。假如手頭的恒流二極管只有5mA的,就需要6個并聯。

圖10. 采用恒流二極管作為LED驅動電源
在這里,恒流二極管的作用就是要在輸入市電電壓變化時,保持輸出電流不變。但是由于恒流二極管的耐壓有一定的限制,所以它所能吸收的電源電壓變化也是有限的。就拿100V耐壓的CRD來說,用在220V市電電源里,都還只能對付有限的電壓變化。220V經過橋式整流以后它的輸出直流電壓大約為264V。如果市電變化+10%,~-15%,就相當于整流后為290~187V,電壓變化103V。已經超過其耐壓了。假如所用的LED為80顆,那么總電壓為264V,正好相當于220V經過橋式整流以后的值。這時候恒流二極管上沒有壓降,但是這時候它是不能工作的而至少需要10V壓降,也就是要求整流后電壓為274V,市電電壓為228VAC。那時候恒流二極管壓降為最小,功耗也最小,只有0.03Ax10V=0.3W,整體效率為最高可達96%(當然還要考慮整流器的效率,實際上還會低一些)。如果市電增高至242VAC,那么恒流二極管電壓就增高為26.4V,其功耗也增加到0.79W,這時候效率就等于91%。
如果市電電壓低于228V,是不是恒流二極管就不工作呢?并不是,但的確是不恒流了,這時候它和LED就會達到一個新的平衡點,那就是二者的電壓和等于市電電壓經過整流后的電壓。因為LED伏安特性的非線性,所以很難用公式來表示。總之,當市電電壓降低時,LED中的電流就會隨市電電壓的降低而降低。其亮度也會跟著變暗。
[page]
下面舉一個實測的結果為例,這是一個80顆3014串聯的球泡燈,采用了5顆Semitek 的S-562T并聯。它在不同的輸入市電電壓時,所測得的結果如下表所示。

由表中可知,當市電電壓在200~225VAC的服務內變化時基本上可以保持恒流在27.1~27.8mA的范圍內,而且效率在82.5%~95.79%范圍內,即使在輸入電壓過低而無法恒流時,它的效率還能高達98-99%,這是采用恒流二極管的一個很大的優點。
它的唯一的缺點是功率因素比較低,只有0.535~0.543。
5.4無源功率因素校正
如果需要提高功率因素可以采用無源功率因素校正(見圖11)。可以把功率因數提高到0.9左右,但是會增加兩個大電解電容(22uF,250V)和三個二極管,在球泡燈里會受到體積的限制,而且成本會提高、效率也會降低。

圖11 無源功率因素校正
5.5有源功率因數校正
假如要求更高的功率因數,就可以采用有源功率因數校正。
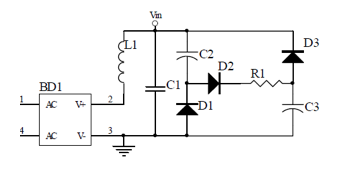
美國安森美公司加了一個功率因素校正芯片NCP1014的恒流二極管的電源,其電原理圖見圖12。

圖12. 非隔離式電源原理圖[page]
這個電源的基本指標如下:


圖13. NCP1014LEDGT外形圖
其實這個電源的核心就是一個恒流二極管NSI45025,以確保LED恒流在25mA。所以它只能用于小功率貼片式的LED。其中外加的集成電路NCP1014實際上是一個有源式的功率因數校正(PFC),可以把它的功率因數提高到>0.9以滿足美國能源之星的要求。輸入端的L1,C1,C2是一個防電磁干擾EMI的濾波器。它的缺點是非隔離,所以220V會直接加到負載LED上。但是歐盟IEC 61347-2-13 (5/2006)標準規定在LED負載端電壓不可超過25VAC或35VDC。所以采用非隔離電源是無法出口歐盟的。
六. 使用恒流二極管時的性能擴展
在選用現有的各種型號恒流二極管時經常遇到所需要的電流或電壓不能滿足要求的情況。下面介紹幾種方法解決這些問題。
6.1 加大恒流電流
為了加大電流,最簡單的方法就是用幾個恒流二極管并聯(圖12),

圖12. 多個恒流二極管并聯以增大電流
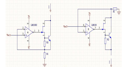
但是這會增加成本,因為恒流二極管比較貴。另一個簡單的方法,就是用一個晶體三極管來加大電流。圖13表明了采用NPN和PNP三極管進行電流放大的電原理圖。

圖13. 采用NPN和PNP三極管加大恒流電流
它們實際上都是利用小電流恒流二極管提供三極管的基極電流,經過三極管放大β倍以后再供給負載。圖14表明其輸出電流和R1的關系。

圖14. 放大以后的恒流特性[page]
其實這種方法在批量生產中是行不通的,因為各個晶體三極管的β有所不同,輸出的恒流值也不同。除非對三極管的β值進行挑選分檔,那也會增加成本。但可以用于對恒流值的精確度要求不高的場合。
6.2 增高耐壓
有不少現成的恒流二極管的耐壓往往不夠高,當然最簡單的方法就是用兩個或幾個恒流二極管串聯。同樣這樣成本就會增高。也可以用增加一些其它器件來提高。
1. 串聯齊納管
最簡單的方法就是和恒流二極管串聯一個齊納二極管來提高耐壓(圖15)。

圖15 采用齊納二極管來增高耐壓
這種方法可將起始電壓提高到齊納二極管的電壓V2,但是在低于這個電壓時,也就無法恒流。
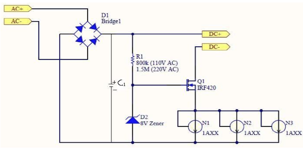
2. 串聯一個MOS管來增加耐壓(圖16)

圖16. 串聯一個MOS管來增加恒流二極管的耐壓
但是這時由于MOS管承擔了大部分耐壓,因而其功耗很大,效率降低。有一個實例采用了75個小功率LED串聯后,再兩串并聯。恒流于34mA。在最高輸入電壓時,MOS管上壓降達70V,功耗2.38W,還需要很好的散熱器散熱。
下面是實測的結果。

在最高輸入電壓時的總效率只有67%,所以還是應當采用足夠耐壓的恒流二極管。
6.3 采用恒流二極管時的PWM調光(圖17)

圖17. 用PWM信號來對恒流二極管供電的LED調光
采用PWM信號調光以后可以避免由于改變電流而引起的光譜偏移。但是不能采用只有兩條管腳的恒流二極管,而必須采用帶有控制開斷管腳的至少3條管腳的恒流二極管
七. 結束語
采用恒流二極管作為LED的恒流驅動具有結構簡單,成本低廉的優點。尤其適合于小功率市電LED燈具,如球泡燈和日光燈和吸頂燈。但是由于受到功耗的限制,它只能用于高壓小電流的情況。負載只能是多個小功率LED的串聯或是采用集成的“高壓LED”。而且,如果直接采用交流整流,電容濾波的方案,會有功率因素不高的缺點,而必須采用無源功率因素補償的方案。這些都是在使用時需要考慮的。






