中心議題:
- 常規RC吸收電路的功耗
- 高頻整流電路中的新型電壓毛刺無損吸收電路設計
- LC選取的原則
解決方案:
- 主變壓器二次為橋式整流電路的電壓毛刺無損吸收電路
- 主變壓器二次為雙半波整流電路的電壓毛刺無損吸收電路
電壓毛刺是高頻變換器研制和生產過程中的棘手問題,處理得不好會帶來許多的問題,諸如:功率管的耐壓必須提高,而且耐壓越高,其通態電壓越大,功耗越大,這不僅使產品效率降低,而且使電路可靠性降低;另外,高頻雜音的增加,對環境造成污染;為了達到指標,必須進一步采取措施,結果不僅使產品體積增大,而且使成本增加。解決辦法通常是:增加主變壓器中各線圈的耦合程度,以減少漏感(例如雙線并繞等);選用結電容小,恢復時間短的優質開關管;增加吸收電路,最常用的是RC吸收電路,這種電路雖結構簡單,但是有損的,而且變換器功率越大,需要的C越大,使R上的功耗也越大,導致R的體積很大,其結果是產品中常常裝有體積大的電阻電容,使運行環境惡化,整機效率降低。顯然這些解決辦法不理想,本文將介紹兩種無損電壓毛刺回收電路。
1 常規RC吸收電路的功耗
RC吸收電路如圖1所示,設主變壓器一次側為半橋或全橋電路,二次側為極性交變的脈寬調制方波,并且帶有毛刺,如圖2所示。這樣在RC串聯電路中就有充放電過程,在R上就會有功耗。為分析方便,先不考慮電壓毛刺,uAC的電壓波形為極性交變的方波。

圖1 高頻整流的RC吸收電路

圖2 高頻調制方波
設某一時刻t=0時uAC的極性為上正下負,大小為Eo,C上的電壓為Eo,極性上負下正,等效電路如圖3所示。由電路方程可得
Eo=
idt-Eo+iR

圖3 等效電路
由初始條件t=0時,i=2Eo/R,解得i=2Eoe-t/RC/R。電阻R上的消耗功率WR=
i2Rdt=2CEo2,即C上的電壓從-Eo→+Eo變化過程中,R上的功耗為2CEo2。
充電過程結束最終C上的電壓為Eo,極性反轉。一個周期內uAC翻轉兩次,R上的總功耗為4CEo2。例如:一個輸出為48V的整流器,Eo通常約為150V,頻率f取50kHz,電容C取1nF,則R上的功耗WR=4CEo2×f=5W??紤]毛刺的因素實際值遠大于此值。顯然,對于大功率高頻率變換器,R上的功耗是相當大的。
[page]
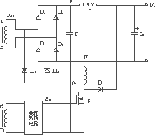
2 主變壓器二次為橋式整流電路的電壓毛刺無損吸收電路
二次為橋式整流電路如圖4所示。圖中D1,D2,D3,D4為主整流管;D11及D12為毛刺吸收電路專用二極管。Lo與Co為主整流電路中的電感和電容;C為毛刺能量儲存電容。L,S,D組成毛刺能量轉換釋放電路。主變壓器中繞組CD和脈沖轉換電路一起形成S的開關控制脈沖ugs,與繞組AB形成固定的相位關系。繞組AB的電壓uAB波形與S上的驅動脈沖波形示于圖5。

圖4 全橋整流電路與電壓尖峰吸收電路

(a) uAB波形 (b) ugs波形
圖5 uAB與ugs的相位關系
其吸收原理如下所述。
1)t1-t2時段 uAB處于高毛刺階段,毛刺最大值比正常值Uo高出ΔU,這時由D1,D2,D11,D12形成全橋整流電路,對C充電,具體講是D1和D12導通,uAB的毛刺部分將被C所吸收,使uc=Uo+ΔU。顯然,C越大,ΔU越??;毛刺越高,ΔU越大。
2)t2-t3時段 uAB="Uo",D12反偏截止。D1與D4導通,忽略D1與D4上的壓降,UEF=Uo。以E為電壓參考點,UF比UE電位低Uo,記作-Uo;由于UC=UEG=Uo+ΔUo,則UG比UE低Uo+ΔU,記作-(Uo+ΔU);這樣UFG=UF-UG=ΔU。
由圖5(b)可以看出,在t1-t3時間段開關管S被觸發導通,UFG將使L中的電流逐步上升,使C上高于Uo部分的電壓ΔU的能量逐漸轉移到L上,當t3時刻uAB消失,ugs同時也消失,S截止。L上的能量將通過D向輸出電容Co釋放,形成電壓毛刺的無損吸收。
3)t4-t5時段 繞組AB之間的電壓反向,此時D2與D11導通,對C充電,之后的工作過程同t1-t2時間段。
4)t5-t6時段 工作過程同t2-t3時間段。
t7時刻開始,電路將重復以上過程。
3 主變壓器二次為雙半波整流電路的電壓毛刺無損吸收電路
二次為雙半波整流電路如圖6所示。為分析方便,仍忽略D1,D2,D3的壓降。顯然uAB的波形、S的驅動脈沖波形與圖5完全一致。其工作過程與橋式整流電路相似,在此不再贅述。

圖6 雙半波整流電路與電壓尖峰吸收電路
4 關于LC選取的原則
為使上述電壓毛刺無損吸收電路正常工作,在設計LC時注意下述2個問題:
1)過大的C將會使整流二極管開機瞬間沖擊電流增加,過小的C將導致吸收毛刺過程中過大的電壓增量ΔU,因此C要選擇適當;
2)過大的L將使C中的ΔU能量無法及時轉移到L中,因為ΔU=Ldi/dt,L過大,將使其中的電流增長速度減慢;L過小,則di/dt過大將使承受的應力加大只能選取大電流的開關管,同時對向輸出端釋放電感能量的二極管(圖4中的D,圖6中的D4)也提高了容量要求,因此,L的選擇也要適當。



