中心議題:
- 開關電源對容性負載的要求
- 提高開關電源容性負載能力的方法
- 容性負載設計的典型案例
- 容性負載能力的應用
在DC/DC開關電源的應用中,輸出負載端外接電容能起到濾波、抑制干擾的作用,在某些大容性負載動態跳變的設備中,要求電源輸出端有快速響應,這就要求開關電源有較強的帶容性負載的能力,并且有好的穩定性能。在開關電源的設計過程中,要充分理解并實現客戶負載使用的特殊要求,必須分析開關電源容性負載能力的兩種不同狀態要求。
1 容性負載的要求
開關電源的基本特性中,一般并沒有對容性負載能力做出嚴格的規范。一般電源都可帶相當容性的負載,但考慮到電源的過流保護能力,尤其是輸出短路保護,容性負載能力不可能太大,否則保護能力變差。對于多路輸出的模塊所帶容性負載,其分配原則是電容的存儲總能量不能超過0.25J,包括主路的電容存儲能量與輔助電路的存儲能量的總和(1/2∑CU2)。依此計算,在設計中最大容性負載的選取如見表l(電路和輸出功率不同的模塊的最大容性負載會各不相同,實際選用和使用時需要參照相關給定的技術參數手冊)在實際設計和應用中,開關電源輸出容性負載能力由以下兩種要求來調試和測試:

1)電源穩定工作,僅負載由空載到滿載跳變,輸出電壓穩定
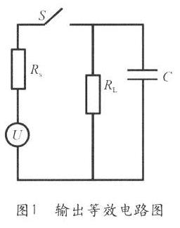
當模塊正常工作時,DC/DC開關電源可以等效為電壓源,其輸出等效電路圖和簡化后的等效電路圖分別如圖1和圖2所示。其中,U是輸出電壓,RS是等效內阻,RL是輸出負載電阻,C是輸出電容,

根據圖2有

可認為開關S閉合前電容電壓UC為零,由式(1)可得

由上述計算,可以看出電容電壓VC是按指數規律不斷上升,要使輸出電壓更快更穩定的建立,電源輸出內阻要小,一般通過高增益、快速響應的輸出穩壓反饋環路,可以實現性能的改善和提高。[page]
但由于存在輸出電感的儲能,電壓反饋和前端峰值電流控制的作用,電容電壓并不完全是由零開始上升的指數波形,見圖3。

輸出電壓的穩定過程中,一方面由輸出濾波電感的儲能來逐步補充,另一方面由反饋環控制電路原邊快速輸出更大功率。輸出電感的取值一般由電流紋波系數λ和電源的空載特性來確定,為了避免容性跳變輸出電壓過大的下沖,使控制電路達到極限,電感的取值要大于λ的理論值計算所得數值,但同時也要考慮輸出失載時的電壓上沖幅度,所以輸出電感也不能太大,大的電感一般不易制作、成本較高,所以電感的實際取值可以用實驗的方法得到。圖4給出了輸出電感Lout不同取值時,容性負載突變時輸出電感電流的跳變波形和最大的容性負載能力。

圖4 輸出電感電流波形
由實驗得出輸出電感大的模塊帶的容性負載大,電感儲能有助于輸出電壓的穩定,限流保護電路工作時間短,但響應時間會相應長一些。
2)模塊帶輸出電容啟動,輸出電壓穩定
當模塊帶大電容啟動時,需對電容迅速充電,以維持輸出電壓穩定,啟動瞬間會產生一個大的電流。啟動過程中大電流持續時間太長,模塊控制芯片的保護功能就會達到極限,會出現啟動不良現象即輸出電壓不能正常建立;另外,容性負載的大小直接影響輸出電壓的上升時間,在有嚴格輸出電壓上升時間要求的環境中就會出現應用故障。一般自饋電源的輸出電壓和供電電壓是正比關系,在輸出達到正常電壓之前,芯片VCC無法滿足供電要求。因此啟動電路的供電方式和VCC電容的儲能也是決定容性負載能力的重要因素。
2 提高開關電源容性負載能力的方法
如果輔助電源是獨立電源,可以用軟啟動的方法使輸出電壓緩慢建立。對自饋供電來說,軟啟動時間長就難以啟動,這時要增加VCC電容容量。VCC容量大,對單獨依靠芯片內部電流環起短路保護的模塊會有影響,因此必須在容性負載和過流(及短路保護)之間找一下平衡點。
適當使限流電阻取值減小,相當于提高電源的輸出功率,用于增加啟動過程中提供給輸出端負載能量。調節反饋環路參數,使運放光耦等集成元件退飽和速度加快,可以解決容性負載跳變時OVERSHOOT嚴重的問題,即提高了電源的穩定性能。
3 容性負載設計的典型案例
在Forward DC/DC變換器設計時,設計人員根據容性負載能力的兩項基本要求,通過調整限流電阻、啟動電容的大小等相關參數,參照理論計算值,進行調試和測試,金升陽系列型號(VRB_LD_15W)DC/DC模塊的容性負載能力大大增強,滿足客戶在各種特殊環境中的廣泛應用。
4 容性負載能力的應用和總結
容性負載的需求大小與應用環境密切相關,容性負載能力是基于短路性能、過載保護能力之間的平衡選擇。在具有特殊規格要求的模塊設計中,一定要對上述參數進行優化調試,做到最優設計,滿足特定的應用要求。


