中心議題:
- 功率因數問題及校正的基本原理
- 大屏幕彩電開關電源的PF分析
- 大屏幕彩電開關電源的高頻有源PFC
解決方案:
- 大屏幕彩電開關電源的高頻有源PFC設計
1 前言
提高功率因數( PF) 是用電設備節能的一個重要因數。隨著電力電子技術的發展, 高頻有源功率因數校正( PFC) 技術已越來越廣泛地應用于各種電源。大屏幕彩電開關電源的功率在200~ 300W 之間, 原有彩電的開關電源均采用普通整流加濾波電路, 其諧波電流成分大, 功率因數值λ低, 一般為0. 65~ 0. 85。本文討論功率因數問題及其校正的基本原理,分析大屏幕彩電開關電源的功率因數,并給出校正電路的設計方案及試驗結果。為了提高大屏幕彩電的節電性能, 在設計中我們采用了高頻有源PFC 技術, 提高了PF 特性。
2 PF 問題及其校正的基本原理
2. 1 PF 的概念
用電設備的λ指交流輸入有功功率P 和輸入視在功率S的比值, 即:

可見, λ還可定義為失真因數與移相因數的乘積。對開關電源來說, cos φ一般接近于1,即相移不大, 而諧波電流嚴重, 失真因數小。
2. 2 PF 低的危害性
用電設備的PF 低, 易造成以下危害:①諧波電流嚴重污染電網, 而干擾其它用電設備;②輸入電流有效值大, 需增加電路和保護器件的規格;③供電容量增加, 加大了前級設備( 如變壓器等) 的定額;④大大增加了中線負荷, 降低了安全性能。
2. 3 高頻有源PFC的基本原理
高頻有源PFC 是根據電網的電壓、電流及負載的變化產生PWM 信號, 控制高頻電子開關導通的, 可起調節電感L 的作用。改善電流波形, 利用乘法器控制PWM 信號, 可使電網的輸入電流基本為正弦波, 使λ接近于1( 即大于0. 99) 。圖1 示出PFC 的原理框圖。

圖1 高頻有源PFC 電路框圖[page]
3 大屏幕彩電開關電源的PF分析
現有的大屏幕彩電內用開關電源一般采用全橋不可控整流電路直接加電解電容濾波電路。圖2 示出該電路形式。

圖2大屏幕彩電開關電源原理框圖
圖中,V1 是單相整流橋;C1為吸收電容;R1 是保護壓敏電阻;R2是熱敏電阻;K為固態繼電器觸點。
R2 用以限制合閘電流, 當輸入濾波電解電容充滿電后, K 閉合, R2 斷接, 電路的交流輸入電壓、電流波形見圖3。由圖3 可見, 只有當網側電壓幅值高于電解電容電壓時, 電流才從電網中抽出, 因而電流諧波成分很大。計算出這種波形的λ很低, 一般在0. 65~ 0. 85 之間。

圖3 現有大屏幕彩電開關電源交流輸入電壓電流波形
圖中,uiac為電網電壓波形;uidc 為經V1 整流出的波形;uci 為輸入濾波電解電容的電壓波形;i i 為輸入電流波形。
大屏幕彩電開關電源的輸入功率在300W 左右, 其中1/ 3 ~ 1/ 5 是無功功率, 若采用有源PFC 技術可使其λ≥0. 99, 即λ≈1, 這樣可節電60~ 100W, 是相當可觀的。
4 大屏幕彩電開關電源的高頻有源PFC
4. 1 設計方案
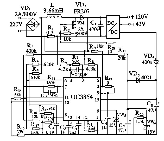
我們采用升壓式電路來設計大屏幕彩電開關電源的有源PFC 電路, 其控制電路采用平均電流控制方式, 芯片采用UC3854, 具體電路見圖4。它的工作原理是: 根據輸出電壓、輸出電流和負載電流, 由UC3854 產生控制脈沖, 控制開關管導通, 連續監控和調節L 中的電流,使之跟隨整流后的單向輸入正弦電壓, 并與其成正比; 此外, 為實現對輸出直流電壓的調整,利用乘法器并通過輸入交流電壓和輸出直流來調控正弦基準電流, 以完成正確的SPWM, 這也是實現PFC 的關鍵。

圖4 UC3854 構成PFC 電路的大屏幕彩電開關電源原理圖[page]
我們設計開關管的工作頻率為50kHz, Rt= 11. 2kΩ , C t= 2. 2nF, 輸入電壓Ui 范圍為220V+ 20%- 30%, 直流電壓Ud = √2Ui, DC/ DC 的輸出功率為250W, 輸入功率為275W, 效率η=91%, 根據公式計算校正電感:

4. 2 實驗結果
我們規定, 網側交流電壓為ui, 有效值為Ui; 交流電流為ii, 有效值為Ii; 濾波電解電容上的直流電壓平均值為Ud; DC/ DC 輸入電流的平均值為I d。在輸入線上串一小電阻,用示波器測得其電流波形見圖5。由圖5 可見, ui為正弦, ii 為基本正弦, 在50Hz 波形上有50kHz 的小紋波。i i 與u i 的相位差為100us左右, 所以φ= 1. 8°, cos φ≈0.9995。

圖5 實測波形
用單相調壓器調ui , 再用表測得當Ui=220V 時, I i= 1. 25A, Ud = 310V, I d= 0. 85A,UdId/UiIi≈0.958.
因為電抗器和開關管也有功耗, 所以總的λ> 0.958, 如果校正電路的效率η= 0.97, 則λ≈0.988。
5 結束語
大屏幕彩電開關電源采用全波整流直流電解電容濾波時的λ在0. 65~ 0. 85 之間, 比較低, 而采用PFC 后, 可使λ提高到0.98 以上,每臺彩電可節電60~ 100W。采用PFC 專用芯片, 可方便地實現校正電路, 且效果良好, 可靠性也高。




