中心議題:
- 推挽式Boost DC/DC 變換電路工作原理及缺點
- PSPICE 軟件對推挽式Boost DC/DC 變換電路建模仿真
隨著電力電子技術的迅速發展,雙向DC/DC 變換器的應用日益廣泛。主要有直流不停電電源系統( DC-UPS) 、航空電源系統、電動汽車等車載電源系統、直流功率放大器以及蓄電池儲能等應用場合。而雙向DC /DC 變換器中,升壓變換和降壓變換是雙向DC /DC 變換器中兩個組成部分,在DC /DC 升壓式電路中,通常采用的拓撲結構有Boost、Buck、Boost 和推挽三種。而當輸入電壓比較低,功率不太大的情況下,一般優先采用推挽結構。本文著重介紹一種推挽式Boost DC /DC 變換器,全面分析這種變換器的工作原理并闡述其缺點,利用PSPICE 仿真軟件對其進行建模仿真。
1 推挽式Boost DC/DC 變換電路工作原理
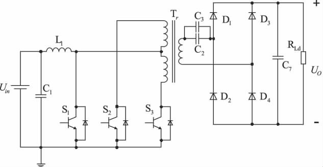
推挽式Boost DC /DC 變換器的拓撲結構,如圖1所示,前面一級升壓電路可以看作是一個Boost 升壓電路,通過調整開關管S1的占空比來調節變壓器原邊輸入電壓; 后面一級升壓電路是一個推挽式變換電路,也可以看作是由兩個正激式變換器組合來實現的,該變換器是由一個具有中心抽頭的變壓器和兩只開關管S2、S3構成的。這兩個正激式變換器在工作過程中相位相反,在一個完整的周期中交替把能量傳遞給負載,所以稱為推挽式變換。

圖1 推挽式Boost DC/DC 變換器
功率開關管S1、S2、S3的發射極直接連接在電源負極,因此該變換器的驅動電路繼承了一般推挽式變換電路的優點: 基極驅動十分方便、簡單,不需要進行電氣隔離就可以直接驅動。該拓撲結構具有結構緊湊、驅動電路簡單以及升壓效果明顯等優點。
升壓變換時其具體的工作過程如圖2 所示,高壓側開關管的驅動信號被封鎖。功率開關管S1和升壓電感L1構成的Boost 電路將電源電壓初次升高到一定的電壓值; S2和S3驅動信號的占空比均為50 %,構成的推挽變換電路將升高后的直流電壓變換成交流電壓,通過高頻變壓器傳送到副邊,并將電壓進一步升高,利用反向電路中的開關管的反并二極管進行整流。
在任一時刻,電流僅僅流過一個開關器件,這大大降低了變換器的通態損耗,同時提高了變換器的效率、縮小了變換器的體積。
開關管S1、S2、S3的驅動信號,以及開關管所承受的電壓波形、電感L1中的電流波形,如圖2 所示。

圖2 升壓變換時開關管上的電壓、電感中的電流和變壓器副邊電壓波形[page]
在分析之前,假設所有的開關器件和整流二極管器件均為理想器件,變壓器為理想變壓器,電感L1足夠大,能夠保證流過它的電流的連續性。其中電容C2是為了防止電流偏磁的。
各開關狀態如下:
(1) t0 ~ t1階段
t0時刻,S1導通,低壓側直流電壓加在L1的兩端,電感中的電流線性增長。此期間電源對電感充電,儲存能量,為了能夠保證電流的連續性,要求電感L1要足夠大。這期間雖然開關管S2有觸發信號,但是開關管S1的導通對L2回路形成短路,加在變壓器原邊的電壓為零,變壓器副邊輸出電壓也為零。
(2) t1 ~ t2階段
t1時刻,S1關斷,S2承受正向電壓導通,L1中的電流將通過開關管S2流經變壓器,此時變換器對負載供電,L1中的電流線性下降。
(3) t2 ~ t3階段
t2時刻,S1再次導通,工作過程同t0 ~ t1階段。
(4) t3 ~ t4階段
t3時刻,S1關斷,S3承受正向電壓導通,L1中的電流將通過開關管S3流經變壓器,此時變壓器對負載供電,L1中的電流線性下降。
通過分析得到如下結論: 該電路采用Boost 升壓電路和推挽式升壓電路兩種升壓電路相結合的方式對輸入電壓進行升壓,大大地提升了升壓的整體效率。但是其主要缺點是: 電路主體部分仍然采用硬開關電路,造成的開關損耗也比較大,變換器的工作效率受到一定的限制。因此有必要對變換電路進行改進,可以將串聯諧振軟開關技術引入到推挽式Boost 變換器中。
2 建模與仿真
為了驗證上述分析,下面應用PSPICE 電路仿真軟件對這種推挽式Boost DC /DC 變換電路進行建模仿真,觀察其仿真波形。
(1)圖3 給出了升壓變換電路的主電路的仿真圖,其仿真主要參數如下:
輸入直流電壓:Uin = 28 VDC; 輸出直流電壓:Uo= 270 VDC; 變壓器原、副邊匝比:n = 5; 升壓電感:L4= 200 μH; 輸出濾波電容:C1 = 200 μF; 開關管:IRF460; 功率二極管:MUR460。
(2)功率開關管的驅動信號設置
首先在Pspice 的Schematic 中繪制如圖3 所示的電路原理圖,選用暫態分析,在給定輸入激勵信號的作用下,調用PspiceA/D 程序進行電路的模擬仿真。

圖3 升壓變換電路的主電路仿真圖
三個開關管的驅動信號如表1所示進行設置。
此仿真開關管的驅動信號采用脈沖信號激勵源VPULSE,其主要有7 個參數設置。
升壓開關管的開關頻率為推挽管開關頻率的兩倍,推挽管的開關周期為25 μs。

表1 開關管驅動脈沖信號設置表[page]
(3) 仿真結果及分析
圖4 為升壓變換電路中升壓開關管和推挽開關管的驅動波形。S1為升壓開關管,S2和S3為推挽功率開關管。圖中S2和S3為推挽開關管的驅動波形,占空比為50 %,為兩個互為180°的方波。

圖4 升壓開關管S1和推挽管S2、S3的驅動波形
圖5 為變換器升壓開關管的驅動波形及其升壓電感中的電流波形。從圖中可知,當升壓開關管S1導通,低壓側的直流電壓Uin加在升壓電感L5的兩端,所以電感中的電流線性上升,此時直流電壓源對電感充電來存儲能量。此時雖然推挽開關管S2驅動導通,但是S1的導通對S2的回路形成短路,加在變壓器原邊的電壓為零。當開關管S1關斷時,升壓電感L5中的電流將通過開關管S2流經變壓器對負載供電,此時L5中電流線性下降,依次循環。

圖5 開關管S1的驅動波形及升壓電感中的電流波形
圖6 為升壓開關管S1和推挽開關管S2漏源極之間的電壓波形。從圖中可以看出開關管漏源極之間電壓有少量振蕩,這是由于變壓器中存在有漏感而引起的電壓峰值,這個電壓峰值直接加在關斷的開關管兩端。

圖6 S1和S2漏源極之間的電壓波形
3 結束語
通過上述仿真分析,這種新型的采用Boost 升壓和推挽式升壓相結合的升壓方式,大大地提高了升壓效率,但缺點是仍然采用硬開關,這樣一來變換器的體積大,二是有一定的開關損耗,下一步的研究即在此基礎上引入軟開關技術。



