- 整流電路類型及原理
- 半波整流電路
- 全波整流電路
- 橋式整流電路
- 整流元件的選擇和運用
電力網供給用戶的是交流電,而各種無線電裝置需要用直流電。整流,就是把交流電變為直流電的過程。利用具有單向導電特性的器件,可以把方向和大小交變的電流變換為直流電。下面介紹利用晶體二極管組成的各種整流電路。
一、半波整流電路

下面從波形圖上看著二極管是怎樣整流的

這種除去半周、圖下半周的整流方法,叫半波整流。不難看出,半波整說是以"犧牲"一半交流為代價而換取整流效果的,電流利用率很低(計算表明,整流得出的半波電壓在整個周期內的平均值,即負載上的直流電壓Usc=0.45e2)因此常用在高電壓、小電流的場合,而在一般無線電裝置中很少采用。
二、全波整流電路
如果把整流電路的結構作一些調整,可以得到一種能充分利用電能的全波整流電路。下圖是全波整流電路的電原理圖。

全波整流電路的工作原理,可用圖5-4所示的波形圖說明。在0~π間內,e2a對Dl為正向電壓,D1導通,在Rfz上得到上正下負的電壓;e2b對D2為反向電壓,D2不導通(見下圖在π-2π時間內,e2b對D2為正向電壓,D2導通,在Rfz上得到的仍然是上正下負的電壓;e2a對D1為反向電壓,D1不導通(見下圖如此反復,由于兩個整流元件D1、D2輪流導電,結果負載電阻Rfz上在正、負兩個半周作用期間,都有同一方向的電流通過,如圖所示的那樣,因此稱為全波整流,全波整流不僅利用了正半周,而且還巧妙地利用了負半周,從而大大地提高了整流效率(Usc=0.9e2,比半波整流時大一倍)。
[page]

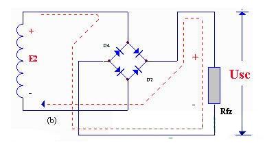
三、橋式整流電路
橋式整流電路是使用最多的一種整流電路。這種電路,只要增加兩只二極管口連接成"橋"式結構,便具有全波整流電路的優點,而同時在一定程度上克服了它的缺點。
橋式整流電路的工作原理如下:e2為正半周時,對D1、D3和方向電壓,Dl,D3導通;對D2、D4加反向電壓,D2、D4截止。電路中構成e2、Dl、Rfz、D3通電回路,在Rfz,上形成上正下負的半波整洗電壓,e2為負半周時,對D2、D4加正向電壓,D2、D4導通;對D1、D3加反向電壓,D1、D3截止。電路中構成e2、D2Rfz、D4通電回路,同樣在Rfz上形成上正下負的另外半波的整流電壓。上述工作狀態分別如圖所示。

四、整流元件的選擇和運用
需要特別指出的是,二極管作為整流元件,要根據不同的整流方式和負載大小加以選擇。。如選擇不當,則或者不能安全工作,甚至燒了管子;或者大材小用,造成浪費。表5-1所列參數可供選擇二極管時參考。
"另外,在高電壓或大電流的情況下,如果手頭沒有承受高電壓或整定大電濾的整流元件,可以把二極管串聯或并聯起來使用。下圖示出了二極管并聯的情況:兩只二極管并聯、每只分擔電路總電流的一半口三只二極管并聯,每只分擔電路總電流的三分之一。總之,有幾只二極管并聯,"流經每只二極管的電流就等于總電流的幾分之一。但是,在實際并聯運用時",由于各二極管特性不完全一致,不能均分所通過的電流,會使有的管子困負擔過重而燒毀。因此需在每只二極管上串聯一只阻值相同的小電阻器,使各并聯二極管流過的電流接近一致。這種均流電阻R一般選用零點幾歐至幾十歐的電阻器。電流越大,R應選得越小。





