中心議題:
- 以三相電路瞬時無功功率理論為基礎,建立有源濾波器模型
- 應用MATLAB對其在某煤礦主提升機諧波治理方面的應用進行仿真驗證
解決方案:
- 采用有源濾波器,可根據每個設備負載無功的變化進行動態補償
- 諧波源模塊是根據主提升機房實際諧波測試數據建成
- 在低通濾波器能完全濾出交流分量的前提下,選用的階數應盡可能低,截止頻率盡可能高
引言
以往在煤礦電網諧波治理方面,通常是并接無源濾波器組,對電網進行固定式補償。由于提升機為短時循環工作制的負載,一個提升機循環分為加速、等速、減速和休止幾個工作狀態,各階段所需功率均不同,另外,許多分散設備的運行周期也有差異,而電容器組只能輸出恒定無功功率,導致有時無功不夠,有時過補現象的產生。采用有源濾波器,可根據每個設備負載無功的變化進行動態補償,使設備運行和電網始終處于最佳狀態。
有源濾波器包括三個部分:諧波檢測、驅動電路和主電路。有源濾波器的關鍵是諧波電流的檢測與補償控制,本文以三相電路瞬時無功功率理論為基礎,建立了有源濾波器模型,并應用MATLAB對其在某煤礦主提升機諧波治理方面的應用進行了仿真驗證。
MATLAB仿真模型的建立
本文的設計使用了MATLAB的POWERLIB工具箱、DSP 工具箱和SIMULINK仿真模塊,以建立該有源濾波器各部分的仿真模型。
有源濾波器的仿真模型
該有源濾波器主要由諧波電流檢測電路、驅動電路、主電路、電容器和變壓器5大部分組成。變壓器的設置主要是為調節有源電力濾波器交流側電壓之用。其原理如圖1所示。其中的諧波源模塊是根據主提升機房實際諧波測試數據建成的。

圖1 有源濾波器原理圖
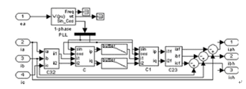
諧波檢測電路的仿真模型
諧波檢測電路如圖2所示。

圖2 諧波檢測電路模型
該方法中,需要用到與a相電網電壓ea同相位的正弦信號sin(wt)和對應的余弦信號-cos(wt),它們由一個單相鎖相環得到。
因為APF要求實時性高,能隨時跟蹤諧波電流的變化,而低通濾波器是整個系統中決定實時性的一個重要因素。因此在選用LPF時,一定要兼顧動態響應速度與截止頻率,應遵從以下原則:在低通濾波器能完全濾出交流分量的前提下,選用的低通濾波器階數應盡可能低,截止頻率盡可能高。本文選用巴特沃斯LPF,其階數取為2,截止頻率fc選為20Hz。
由于基于ip、iq運算方式的諧波檢測方法只有sin(wt)、cos(wt)參與計算,電壓的諧波成分不參與計算,因此,無論電網電壓是否畸變,本方法都能有效地檢測出諧波電流。這也是該方法優于基于p、q運算方式的諧波檢測方法的一個原因。
該方法電路簡單,但是對硬件的精度要求很高,為了降低對硬件精度的要求,提高系統的穩定性和控制精度,可在LPF后增加PI調節器。
驅動電路的仿真模型
由于并聯型有源濾波器產生的補償電流應實時跟隨其指令電流信號的變化,要求補償電流發生器有很好的實時性,因此,電流控制采用跟蹤型PWM控制方式。目前跟蹤型PWM控制的方法主要有兩種,即瞬時值比較方式和三角波比較方式。本文采用三角波比較方式。
主電路的仿真模型
有源電力濾波器的主電路是一個電壓型PWM變流器,其直流側電容值為1200F,由于容量小,故功率器件選用了電力MOSFET。
仿真結果分析

圖3 未加載有源濾波器時的電流波形和諧波

圖4 加載有源濾波器后的電流波形和諧波
抑制諧波的關鍵在于濾波器能夠實時地、準確地、快速地檢測出諧波。本文所提出的根據瞬時無功功率理論檢測諧波電流的方法, 能夠較好地滿足以上要求。由仿真的波形圖(見圖3和圖4) 可以總結出該有源濾波器具有如下特點:
(1) 從得到的仿真結果可以看出,有源濾波器對主提升機房供電電源中的諧波有著明顯的抑制作用,使流入電網的電流波形得到明顯改善,電源電流的畸變率由原來的29.68%下降到3.31%,達到了補償和抑制諧波的目的。
(2) 有源濾波器的主電路采用MOSFET管,由于MOSFET管具有良好的可控性, 因此,該濾波器可以快速地反應波形的變化,這使得有源濾波器有良好的跟蹤性, 可實時地濾除諧波。
(3) 從有源濾波器的總體結構來看,該有源濾波器結構簡單,根據瞬時無功功率理論,可以設計出諧波檢測電路或應用DSP 芯片來實現電流檢測。這樣,不僅提高了運算的速度,而且降低了濾波器的損耗,經濟上是可行的。
結語
本文所設計的有源電力濾波器可以有效抑制電力電子裝置所產生的諧波,它與無源濾波器相比,具有更好的補償特性,在一些諧波成分復雜、多變的場合更具有優勢。實踐表明,MATLAB仿真軟件可以很容易地應用于電力系統仿真領域,是電力系統分析的有利工具。





