【導讀】電力電子設備中使用的半導體材料正從硅過渡到寬禁帶(WBG)半導體,比如碳化硅(SiC)和氮化鎵(GaN)等半導體在更高功率水平下具有卓越的性能,被廣泛應用于汽車和工業領域中。由于工作電壓高,SiC技術正被應用于電動汽車動力系統,而GaN則主要用作筆記本電腦、移動設備和其他消費設備的快速充電器。本文主要說明的是寬禁帶FET的測試,但雙脈沖測試也可應用于硅器件、MOSFET或IGBT中。
電力電子設備中使用的半導體材料正從硅過渡到寬禁帶(WBG)半導體,比如碳化硅(SiC)和氮化鎵(GaN)等半導體在更高功率水平下具有卓越的性能,被廣泛應用于汽車和工業領域中。由于工作電壓高,SiC技術正被應用于電動汽車動力系統,而GaN則主要用作筆記本電腦、移動設備和其他消費設備的快速充電器。本文主要說明的是寬禁帶FET的測試,但雙脈沖測試也可應用于硅器件、MOSFET或IGBT中。
為確保這些設備的可靠性,雙脈沖測試(DPT)已發展成為一種行業標準技術,用于測量開啟、關閉和反向恢復期的一系列重要參數。雙脈沖測試系統包括示波器、信號源和電源,它們必須協同工作進行測試和測量。本應用說明介紹了一個Python腳本示例,該腳本利用示波器和函數發生器的內置雙脈沖測試功能,自動執行雙脈沖測試。演示腳本以一個工作框架的形式呈現,供尋求實現DPT自動化的工程師使用, 并可通過泰克GitHub獲取。
使用Python可以實現全自動測試解決方案,包括: ? 探頭設置配置 ? 通道糾偏配置 ? 直流電流校準(例如羅氏線圈) ? 垂直刻度設置自動調整 ? 水平刻度設置自動調整 ? 創建測試列表 ? 獲取測試結果 ? 測試屏幕/波形保存 ? 用于穩定性分析的可重復測試回路 在本應用文章中,我們會使用5B系列MSO示波器和AFG31000任意函數發生器,在PC上使用Python自動化執行雙脈沖測試 (DPT)。應用文章詳細概述了Python腳本的流程。演示腳本本身可用作特定遠程接口命令的示例,并可針對特定應用進行調整。 示波器配有選件5-WBG-DPT,可提供專用的雙脈沖測量,并具備完整的遠程接口。在此應用中,可使用4B系列MSO或6B系列MSO代替5B系列MSO。
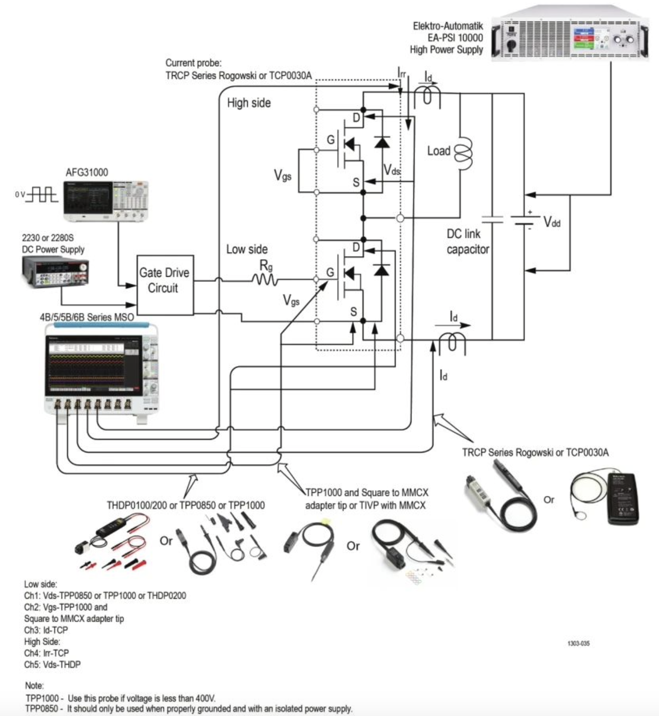
測試系統 典型的雙脈沖測試系統如圖2所示,用于測量低側自動開關參數和時序分析。這種設置需要一個具有四個或更多通道的4B、5B或6B系列MSO。對于DPT開關參數,需要測量低壓側的VDS、ID和VGS ,因此需要三個探頭——兩個用于電壓測量,一個用于電流測量。自動化腳本還可以通過與適當的探頭進行高壓側連接來支持高壓側測試。 被測設備 (DUT) 的柵極由AFG31000任意/函數發生器驅動。圖2顯示了驅動VDD的大電流電源,這是典型的雙脈沖測試設置。不過,在這個低電流示例中,使用了吉時利三輸出電源為柵極驅動器供電,并提供VDD。示例設置的照片如圖3所示。 示波器配備了選件5-WBG-DPT,可提供專用的雙脈沖測量和完整的遠程接口。示波器中的 WBG 軟件還可用于控制AFG31000任意/函數發生器并生成柵極驅動信號。在本示例中,個人計算機、示波器和函數發生器均通過局域網連接(圖1)。 圖1. 電腦、示波器和函數發生器通過局域網進行通信 圖2. 雙脈沖測試系統示例的原理圖,配置用于對低壓側FET進行測量。如圖3所示,本應用文章中的實際設置使用了低電流電源 圖3.本應用文章使用的系統包括MSO58B示波器、VDS上的THDP0200高壓差分探頭、ID上的TCP0030A電流探頭、VGS上的TPP1000單端電壓探頭、用于柵極脈沖的AFG31252函數發生器,以及輸出端為柵極驅動器和VDD供電的2230G-30-1三路輸出電源 圖3顯示了示波器、函數發生器和電源與DUT的連接。屏幕截圖(圖4)顯示了示波器上DPT分析軟件生成的豐富測量數據: ■ 導通電量,Eon ■ 關斷電量,Eoff ■ 峰值電壓,Vpeak ■ 峰值電流,Ipeak ■ 開啟延時,Td(開啟) ■ 關斷延時,Td(關閉) ■ 上升時間,Tr ■ 下降時間,Tf ■ 導通時間,Ton ■ 關斷時間,Toff ■ 電壓轉換速率,d/d 死區時間測量雖然不用于此設置,但可用來測量低壓側和高壓側開關之間的時序。 圖4. 示波器屏幕截圖顯示了雙脈沖電壓和電流波形以及測量結果 測試自動化腳本 本節將介紹Python腳本示例,包括總體流程和組成腳本的功能塊。 腳本由四大功能模塊組成 示波器和探頭初始化 探頭通道配置 探頭設置配置 示波器初始化和模式設置 示波器垂直設置自動設置 產生脈沖 根據捕捉到的波形調整所有模擬通道的垂直設置 雙脈沖測試初始化 測試項目的選擇 測試項目配置 AFG脈沖創建和連接 雙脈沖測試和結果保存 脈沖發生 測試結果的獲取和保存 測試流程如下圖所示。在演示腳本中,測試參數和測試開關(例如:是否使用自動設置或調整當前通道偏置)在腳本開始時設置為常量,初始化部分結束后,配置儀器,執行測試主循環并生成結果。 功能塊說明 如前所述,DPT測試自動化演示腳本由四個功能塊組成。本節將解釋各功能塊的設計理念和操作方法。關于輸入參數配置,請參閱腳本開頭 ' 用戶輸入設置 ' 部分的注釋。 功能模塊1 - 示波器和探頭初始化 該功能用于初始化探頭和示波器系統。 要測量VDS、ID和VGS,需要兩個電壓探頭和一個電流探頭。 探頭初始化過程如下: 禁用通道1并從屏幕上刪除通道1顯示。 1. 啟用三個通道(用戶在參數設置中定義的兩個電壓通道和一個電流通道)。 2. 設置電流通道的極性,因為用戶可能會因連接錯誤或其它測試要求而希望翻轉電流方向。 3. 根據需要設置替代單位比率,如安培/伏特(例如,使用分流電阻器測量電流時)。 4. 在設置中配置用戶定義的通道糾偏參數。 示波器初始過程如下: 1. 如果用戶自定義設置 'rst_scope_ena ' 被設為1,則恢復默認設置。 2. 啟用高分辨率模式,提供更精確的測量能力。 3. 將水平設置模式切換為手動模式,根據測試要求設置采樣率和記錄長度。 4. 根據用戶定義的脈沖設置輸入計算所需的采樣率。 5. 根據用戶定義的值設置觸發位置。如果用戶定義的值小于0,則使用默認值25,即屏幕上25%的水平位置。 6. 將觸發類型設為邊沿觸發。 7. 將觸發源設置為VGS通道輸入。 8. 將觸發模式設置為正常和單次觸發。 9. 開始采集。 功能模塊2 - 示波器垂直設置和自動設置 如果通過將用戶定義參數 'autoset_vertical_ena ' 設為1打開了垂直自動設置功能,則將啟用自動設置功能,并根據輸入信號幅度自動調整垂直刻度和偏置。 如果禁用自動設置功能,則所有三個通道的垂直刻度設置都將使用參數輸入界面進行用戶定義垂直設置。所有三個通道都有自己的子開關切換,可分別獨立啟用/禁用每個通道的自動設置。 三個通道的垂直刻度自動設置步驟相同。 詳細的自動設置步驟如下: 1. 根據用戶定義的輸入信號幅度初始化通道刻度,例如,Vgs為 'vgs_amplitude',Vds為 'vds_amplitude',Id為'id_amplitude'。 2. 將自動設置進程狀態標志設置為0并啟動循環。當標志到達3時,當前通道的自動設置完成,循環將停止。 3. 添加 'WBGEON' 測量項目,并在測試項目中配置AFG以產生脈沖。 4. 啟用輸入通道的最大和最小測量功能,并將標志設置為1。 5. 獲取當前垂直設置以及通道輸入信號的最小和最大測量值。 6. 使用用戶定義的 'vertical_autoset_ratio' 快速收斂輸入信號的幅度到有效通道測量范圍,并將標志設置為2。 7. 繼續獲取當前垂直分辨率以及通道輸入的最小值和最大值。微調通道刻度和偏置,以滿足用戶定義的誤差范圍。 8. 編程設置并繼續執行相同的程序,直到達到用戶定義的目標誤差范圍。標志將設置為3,自動設置完成。 9. 刪除測量項目并結束循環。 在本應用示例中,腳本包含用于設置垂直刻度設置的代碼。不過,使用WBG-DPT軟件包中的預置功能通常會更方便。WBG-DPT預置簡化了自動設置程序。它使用用戶指定的雙脈沖設置來預設示波器的最佳垂直、水平、觸發和采集設置。預置后,只需從WBG-DPT測量面板運行柵極激勵,即可讓AFG31000生成雙脈沖輸出。 功能模塊3 - 雙脈沖測試初始化 1. 將所有測試項目添加到測試列表中。演示腳本支持以下測量。 WBGEON ---- 導通電量(Eon) WBGEOFF ---- 關斷電量 (Eoff) WBGVPEAK ---- Vds(峰值):發射極至集電極電壓 WBGIPEAK ---- Id( 峰值 ) WBGTDON ---- td(on) - 導通延時時間 WBGTDOFF ---- td(off) - 關斷延時時間 WBGTR ---- Tr - 上升時間 WBGTF ---- Tf - 下降時間 WBGTON ---- t(on) - 導通時間 WBGTOFF ---- t(off) - 關斷時間 WBGDDT ---- WBGDDTdv/dt和di/dt 可根據用戶需求和腳本修改支持更多測試項目。 2. 為每個測試項目設置信號源。 3. 將設置寫入AFG以生成測試脈沖。請注意,5B系列MSO固件V2.6.38要求通過WBG命令發送的AFG設置與最后配置的測量相關聯。 功能模塊4 - 雙脈沖測試和保存結果 1. 發送觸發命令 'WBGGSTIM',啟動測試循環并產生脈沖。 2. 等待采集完成。 3. 通過命令行讀取并顯示全部11個項目的測試結果。 4. 如果 'remote_table_save_ena' 設置為1,則測試結果表將保存到示波器上的文件中。 5. 如果 'remote_screen_save_ena' 設置為1,屏幕截圖將保存到示波器上的文件中。 6. 如果 'remote_wfm_save_ena' 設置為1,波形將被保存到示波器上的文件中。 7. 如果 'remote_session_save_ena' 設置為1,會話將被保存到示波器上的文件中。 8. 如果 'local_wfm_save_ena' 設置為1,波形將被保存到運行Python腳本的PC上的文件中。 9. 如果 'local_table_ save_ena' 設置為1,測試結果表將保存到運行Python腳本的計算機上的文件中。 10. 重復測試,直到達到用戶定義的循環次數。 11. 釋放內存并結束測試。



免責聲明:本文為轉載文章,轉載此文目的在于傳遞更多信息,版權歸原作者所有。本文所用視頻、圖片、文字如涉及作品版權問題,請聯系小編進行處理。
推薦閱讀:






