【導讀】測量元器件和電路的頻率響應特性是確保電子設備性能的關鍵步驟。汽車、醫療設備、航空航天與國防行業對電子設備的可靠性要求極高,因此在從低頻至高頻的各種頻率范圍內對各類元器件和電路進行測量非常必要。在這些應用中,低頻網絡分析儀在確保低頻模擬電路器件(例如傳感器系統和電源部件)實現穩定可靠工作方面具有重要作用。為此,您需要在了解射頻網絡分析(S參數測量)的同時,也需要很好地對低頻網絡分析(增益相位測量)的應用有所了解。
本應用指南通過對網絡分析儀的介紹,闡述了有關低頻網絡分析的基礎原理。我們在此主要介紹簡單的低頻 2 端口器件測量,以及高阻抗探測技術和大衰減測量等相關主題。
50 Ω 被測件的基本測量配置

首先,針對使用低頻網絡分析儀測量 2 端口器件的傳輸特性的配置,我們簡要介紹一下典型的被測器件的連接方法。第一種情況是測量50 Ω 的器件的傳輸響應特性,例如濾波器和電纜。圖2顯示的是使用儀表的增益相位測試端口進行此類測試的配置情況。R通道接收機(VR)用于測量在50 Ω 系統阻抗的激勵源的輸出電壓(50 Ω 傳輸線輸入信號的電壓),T通道接收機(VT)用于測量經過被測器件傳輸之后輸出信號的電壓,然后儀表計算測量到的電壓比(VT/VR),即可得到傳輸系數S21。
圖3是用儀表的S參數測試端口進行測量的配置。在S參數測試端口的后邊有多個內置的定向橋,因此無需使用圖2中從外部接入測量配置中的功率分離器。大部分情況下,S參數測試端口用于測量50 Ω 的器件的傳輸響應特性。是德科技:電容測量原理 - 測試參數第八章圖3是用儀表的S參數測試端口進行測量的配置。在S參數測試端口的后邊有多個內置的定向橋,因此無需使用圖2中從外部接入測量配置中的功率分離器。大部分情況下,S參數測試端口用于測量50 Ω 的器件的傳輸響應特性。
對于大部分50 Ω 器件的傳輸響應特性的測試情況,使用儀表的S參數測試端口就可以了。但是,對于大衰減器件的測量,例如測量DC - DC轉換器和大電容旁路電容器的只有毫歐量級的阻抗時,通常需要采用分流直通(Shunt-Thru)的測量方法,這種傳輸響應特性的測量就要使用儀表的增益相位測試端口而不是S參數測試端口進行測量。在這種情況下,增益相位測試端口接收機的半浮地結構可以避免低頻范圍的測量誤差,該誤差是由激勵號源與接收機之間測試電纜的接地環路引起的(稍后會有詳細介紹)。

圖2 使用增益相位測試端囗測量50 Ω被測器件傳輸系數的測量配置

圖3 使用S參數測試端口測量 50 Ω 被測器件傳輸系數的測量配置
基本測量配置
非50 Ω 被測件,實例1
低頻2端口器件通常都是非50 Ω 的阻抗,低頻放大器電路就是一個最典型的例子。圖4是用增益相位測試端口測量低頻放大器的頻率響應特性的測量配置實例。被測器件的輸入阻抗很高,輸出端口接的是一個非50 Ω 的負載ZL。根據實際應用的要求,負載阻抗ZL可以是電阻性負載,也可以是電抗性負載。
待測參數是從被測器件輸入端口到輸出端口的電壓傳遞函數,即/out//in。與圖2和圖3顯示的測量50 Ω 器件的傳輸系數所不同的是,R通道接收機(VR)使用高阻抗探測方式直接測量被測器件輸入阻抗Zin上的交流電壓,而不是測量50 Ω 系統阻抗上的電壓。使用高阻抗探測可以在不影響被測器件的負載條件下測量輸出電壓(Vout)。
根據所要求的最高測量頻率、探頭的輸入阻抗、探頭的輸入電容等不同的情況(會在后邊進行介紹),可以用同軸測量電纜或10:1的無源探頭把儀表的高阻抗測量接收機與被測器件連接起來。使用同軸測試電纜時,在R通道探測點上可以使用一個T型連接器。為了補償兩個探頭/測試電纜之間的頻率響應和相位誤差,需要做直通響應校準,方法是把與T通道連接的探頭點在TPI測試點上,然后進行測量。

圖4 使用增益相位端囗測量放大器的配置(最高測量量頻率可達 30 MHz)
如果要在30 MHz以上的測量頻率上測量放大器的頻率響應,或者需要使用電容極小的探頭對放大器進行測量,那就要用有源探頭在儀表的S參數測試端口上進行測量,如圖5所示。與圖4的配置所不同的是,在這里進行比值測量是以儀表內R1接收機的50 Ω 阻抗為參考,并且必須要在TP1測試點上進行直通響應校準,才能正確地測量電壓傳遞函數/out//in。如果不進行直通響應校準(或者沒有連接饋通件,如圖5所示),測得的增益會比正確值高出6 dB,原因是內部50 Ω 參考接收機測得的交流電壓僅為Vin的一半。
在幾十MHz以上的高頻范圍內進行測量時,將50 Ω 饋通件連接至被測器件的輸入端口可以防止由儀表50 Ω 阻抗和被測器件的高輸入阻抗間的阻抗失配所引發的駐波。但是,連接饋通件會在測量電纜的在中心導體與接地之間形成分流信號的路徑,它可能會在進行大衰減器的測量(例如CMRR和PSRR)時產生與接地環路相關的測量誤差,因此必須引起注意。如果嚴格考慮的話,最好不要連接饋通。

圖5 使用S參數測試端囗和有源探頭測量大器的配置(最高測量頻率可達 30 MHz)
非50 Ω被測件,實例2
圖6和圖7是測量2端口器件的配置實例,器件輸入與輸出阻抗的范圍是數百 Ω 至1或2 kΩ 。典型應用為低頻無源濾波器,例如陶瓷濾波器和LC濾波器。在這些實例中,只需連接一個串聯電阻即可實現阻抗匹配。圖6是使用增益相位測試端口進行測試的配置方式,比值VT/VR就是1 kΩ系統阻抗的傳輸系數。
在有些濾波器的測量中,需要與負載電阻并聯一個負載電容CL再進行測試。為了防止測量中對濾波器的特征參數產生影響,高阻抗探頭的輸入電容必須極低。因此,高阻抗T通道接收機應連接輸入電容約為10 pF的 10:1無源探頭。否則,如果被測器件對電容性負載很敏感的話,就應該用有源探頭在儀表的S參數測試端口上進行測量,請看圖5所示的測量放大器的配置。
使用T通道的50 Ω 內阻而不用高阻抗探頭進行測量,并且按照圖7所示連接另一個匹配電阻器,可以得到等效的測量結果。這種配置更為簡單,優點是在T通道內不會引入探頭的電容。但是,此配置不適合測量高抑制比的濾波器,因為串聯匹配電阻會降低測量的動態范圍。在這種情況下,動態范圍會下降20*Log(50/1000)=26 dB。

圖6 使用高阻抗探頭膊量無源中頻濾波器的測量配置(被測器件對電容性負載不是很敏感的情況)

圖7 使用儀表50 Ω 輸入端口測量無源中頻濾波器的測量配置
使用探頭在電路板上直接進行測量
第二個應用的例子是使用探頭直接在電路板上進行測量一測量被測電路板上兩個測試點之間的電路或器件的頻率響應特性。圖8顯示的是如何使用增益相位測試端口測量電路模塊2的頻率響應特性。通過使用兩個高阻抗探頭在TP1和TP2測試點上進行探測,可直接測量電路模塊2的頻率響應特性。
與圖4中測量放大器的配置相似,在把儀表的高阻抗接收機與被測器件連接時,應根據最高測試頻率、探頭的輸入阻抗和探頭的輸入電容等情況,適當地選擇使用同軸測試電纜或10:1 無源探頭進行連接。

圖8 使用增益相位測試端囗和兩個高阻抗探頭對電路板上的被測器件行測量(最高測試頻率達 30 MHz)
E5061B矢量網絡分析儀增益相位測試端口的最高測試頻率為30 MHz。如果使用探頭對電路板上的器件進行測量的頻率超過了30 MHz,解決辦法是把一個有源探頭連接在S參數測試端口上,然后按照圖9所示分兩步完成測量。
首先,把有源探頭點在TP1測量點上測量電路模塊1的響應特性,并把測量結果存為寄存器軌跡。然后把探頭點在TP2測量點上測量電路模塊1和2的整體響應響應特性,把測量結果存為數據軌跡。最后我們可以用儀表進行數據軌跡/寄存器軌跡的運算功能得出電路模塊2的頻率響應特性。
如果先把探頭點在TP1測量點上做直通響應校準,然后再把探頭點在TP2測量點上進行測量,這樣也可能得到等效的測量結果。這樣做無需使用軌跡的運算功能,直接就可以得出電路模塊2相對于TP1參考點的響應特性。
如果被測器件在TP2點上的輸出特征對TP1點的電容很敏感的話,第二步測量中被測器件的條件將會與第一步測量略有不同,由這兩步測量結果的計算而得到的最終測量結果中會因此而有誤差。為了最大限度地減少測量誤差,如圖9所示,僅僅在進行第二步測量時,需要連接一個電容值與與有源探頭的輸入電容大致相當的虛擬電容C2。采用這種電容補償方式的應用之一是使用上述兩步測量法測量高速運算放大器的相位裕量,在后面我們會介紹一個實際測量的例子。

圖9 使用一個高阻抗探頭測量電路板內的器件(最高測試頻率達 30 MHz)
低頻測量的中頻帶寬(IFBW)設置
在測量中如何設置 IFBW(中頻帶寬)是許多低頻網絡分析儀的用戶首先遇到的常見問題之一。進行高頻測量時一般使用較寬的IFBW以獲得更快的掃描速度,但低頻測量需要用較窄的IFBW,來以避免主要由 LO饋通引起的測量誤差。以測量一個大衰減的器件為例,假設測量的起始頻率為1 kHz,IFBW為3 kHz,通過被測器件衰減的小信號會上變頻到一個中頻(IF)信號上,并能夠通過接收機的中頻濾波器。這時就會出現一個問題,如圖10所示,本地振蕩器的泄露信號(LO饋通)的頻率也是非常接近中頻頻率的,它也能通過中頻濾波器,這會造成不真實的頻率響應測量結果。
圖11顯示的是一個用E5061B增益相位測試端口測量60 dB衰減器的測量結果,測量信號的功率為-10dBm,測量起始頻率為1kHz, IFBW設為3kHz, T測量通道和R測量通道的衰減器設置為20dB。您可以在所顯示的測量結果中看到,起始頻率附近出現了由LO饋通導致的錯誤測量響應。即便是在測量像低通濾波器這樣的器件,測得的射頻信號的功率較高時,也會有類似的情況出現。
在這種情況下,在起始頻率附近測得的的軌跡會因與射頻信號頻率極為接近的LO饋通的干擾而變得不穩定。為了避免這些問題,可將IFBW設置為遠低于起始頻率的值(例如,設定為起始頻率的1/5),或者使用IFBW AUTO(中頻帶寬自動)的模式 一 儀表在進行對數掃描時頻率每變化十倍就由窄至寬自動設置IFBW的值,這樣可以使總的掃描時間不會太長。E5061B的IFBW AUTO模式隨著掃描頻率的增加把各個IFBW的值設定為每十倍頻程起始頻率的五分之一。

圖10 LO饋通導致的測量誤差

圖11 對60 dB衰減器進行測量的結果(開始頻率 =1 kHz, IFBW=3 kHz 和AUTO)
使用高阻抗探頭的測量方法
采用恰當的探測方法對于精確地使用高阻探頭進行測量是十分重要的,要特別留意的地方是探頭的輸入電容。探頭上較大的輸入電容在高頻測量條件下會降低探頭的輸入阻抗。例如,如果探頭尖的輸入電容(Cin)為100pF,在測量頻率為100k Hz時它的輸入阻抗為15.9 k Ω (1/(2*pi*f*Cin)),仍為高阻抗。但是測量頻率若升至10 MHz,它的輸入阻抗就成了159 Ω ,對很多測量的情況來說,這樣的阻抗是不夠高的。另外,探頭的輸入電容太高還會影響對電容性負載比較靈敏的器件的測量結果,例如無源中頻濾波器、諧振電路和放大器的某些由電容條件決定的參數(例如放大器的相位裕量)。對于這些應用,如果網絡分析儀有高阻抗輸入端口(例如E5061B),則有必要使用低輸入電容的探測方法。在測量時連接DUT的最簡單的方法就是使用同軸電纜(例如一端是測試線夾的BNC電纜)或1:1的無源探頭把DUT連接到儀表的高阻抗輸入端口上,如圖12所示。
如果測量頻率范圍低于1 MHz,并且作為電容負載的探頭的輸入電容不會影響到被測器件,該方法是一個好的解決方案。與10:1的無源探頭相比,這種1:1 的探測方法不會降低測量的動態范圍,即便是測量很小的信號,也可以有良好的信噪比(SNR)。該方法的缺點是,由于測試電纜電容與高阻抗輸入端口電容的疊加,探頭的輸入電容會較高。即使采用很短的電纜,電纜末端的輸入電容也會達到幾十個pF。因此,該方法不適合測量頻率超過1MHz的高頻測量,也不適用于對電容性負載比較敏感的測量。

圖 12 同軸測試電纜或1:1無源探頭
如圖13所示,用示波器常用的10:1無源探頭可以降低探頭輸入電容,這種探頭專門為與高阻抗輸入端口一起使用而設計。10:1無源探頭末端的輸入電容一般約為10pF左右,這使它能夠用于更高測量頻率的探測。與通用示波器應用類似,如果儀表內有高輸入阻抗測量端口的話,使用10:1無源探頭進行高阻抗探測是常見的方式。它的缺點是測量動態范圍會因受到探頭10:1衰減的影響而降低20dB。因此,該方法不適用于測量極小信號的情況。
有源探頭有很高的輸入電阻和極小的輸入電容,而且因為在探頭的端口附近有有源電路部件,因此它對被測信號不會進行衰減,如圖14所示。例如,41800A有源探頭(從直流至50 Ω MHz)的輸入電阻//電容分別是100 k Ω //3pF。另外,您可以通過在探頭末端連接一個10:1的適配器,使得探頭的阻抗和電容可以達到1 M Ω //1.5 pF, 不過這樣會使動態范圍降低20 dB。如果您需要在超過30 MHz的高頻率范圍內進行測量,或是被測器件對電容性負載極為敏感,我們推薦您選擇有源探頭。

圖13 10:1無源探頭

圖14 有源探頭
做比值測量時對信號的分離
為了測量50 Ω 器件的傳輸系數,例如系統阻抗Z0 = 50 Ω 的無源濾波器,或特征阻抗Z0為其它值的器件的傳輸系數(需使用匹配電路對系統阻抗進行轉換), 需要把儀表激勵源輸出的信號分離開分別送給儀表50 Ω 的R通道測量接收機(參考信號)和被測器件的輸入端口。如果所使用的激勵源的輸出端口沒有內置的信號分離器件(例如:內置功率分離器或內置定向橋),則需要使用恰當的分離器件在儀表的外部完成信號的分離。
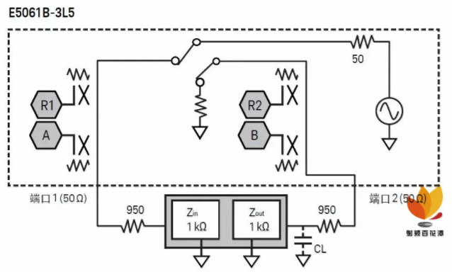
E5061B-3L5 有S參數測試端口,對大部分50 Ω 器件的傳輸特性的測量,都可以使用S參數測量端口而無需使用外部的信號分離器件。但在有些需要使用儀表的增益相位測試端口測量傳輸系數的應用中,例如用分流直通法 (Shunt-thru) 測量DC-DC轉換器的輸出阻抗,就有必要采用外部信號分離器件。
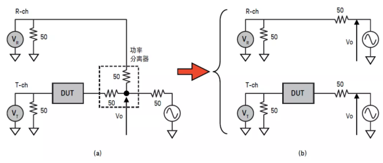
對于以測量線性器件為主的通用網絡分析來說,對信號分離器件最重要的要求是能夠在進行比值測量時保證有50 Ω 的激勵源輸出阻抗(源匹配)。最常見也是最被推薦使用的信號分離器件是雙電阻型功率分離器,頻率范圍從DC至GHz, 能夠在比值測量中保證有極好的源輸出阻抗。
圖15-a所示的使用功率分離器完成的比值測量等同于圖15-b完成的兩個測量一圖15-a上分支點的交流電壓(Vo)可以視為圖15-b上的兩個虛擬激勵源電壓。如圖所示,R通道和T通道測量中的等效源輸出阻抗值為50 Ω ,這通常是50 Ω 網絡測量的理想源匹配條件。
請注意,雙電阻型功率分離器僅適用于比率測量,不適用于50 Ω 系統阻抗的絕對電壓測量,原因在于從被測器件方向看過去分離器的物理輸出阻抗為83.3 Ω, 而不是50 Ω。

圖15 使用功率分離器對50 Ω 的器件行比值測量
除了功率分離器之外,另外可以分離信號的器件是低頻定向耦合器或無功功率分配器(與變壓器交流耦合),它們的兩個輸出端口之間有較高的隔離度(25或30dB)。(minicircuits.com)生產的ZFDC-15-6定向耦合器(0.03至35 MHz, BNC接口)或ZFSC功率分配器(0.002至60 MHz,BNC接口)就是其中的代表產品。盡管它們的最高頻率只有30 MHz或60 MHz左右,低頻頻率只能到幾kHz或數十kHz,但在頻率范圍能夠滿足應用要求的時候,這些器件都是理想的選擇。因為它們兩個輸出端口之間的高隔離度,被測件輸入端口的反射信號不會直接進入R通道接收機,因此不會影響到R通道的測量結果。
如果在比值測量中用上述器件作為分離信號的器件,它們的等效源匹配的效果會不如使用雙電阻型功率分離器的效果,為了改善源匹配的效果,有時有必要在其輸出端口與被測器件之間連接一個衰減器(6 dB左右)。這種信號分離器件相對于功率分離器的優勢在于其絕對源輸出阻抗(端口匹配)為50 Ω ,這使您能在50 Ω 的環境下進行絕對電壓測量,雖然一般情況下在低頻測量的應用中進行電壓的絕對測量不像在射頻應用中進行絕對值測量那么有意義。
由三個電阻組成的電阻功率分配器的三個電阻臂的電阻值為Z0/3,這種功率分離器不適用于比值測量。如果我們將三電阻型電阻功率分配器的分支點作為虛擬信號源(與雙電阻型功率分離器類似), 那么其等效源輸出阻抗就不是50 Ω ,而是50/3=16.7 Ω ,而且輸出端口之間的隔離度也較低(只有6dB)。除非被測器件的輸入阻抗精確為50 Ω ,否則在比值測量中使用三電阻型功率分配器會產生嚴重的測量誤差。

圖16 定向耦合器/電橋

圖17 電阻功率分配器(不適用于比值測量)
在低頻范圍測量大衰減器件
測量誤差
使用傳統低頻網絡分析儀測量大衰減的器件,當測量頻率在100 KHz以下時,測量結果很可能會受到與測試電纜接地環路相關的誤差的影響。這些誤差在測量低頻放大器的CMRR和PSRR等指標時會很明顯。最嚴重的問題是由測量電纜的屏蔽電阻(金屬編織層的電阻)引起的誤差,該誤差在100 kHz以下的低頻范圍內是不容忽視的。
圖18是使用網絡分析儀測量大衰減器件的情況。當被測器件的衰減值非常高時,被測器件的輸出電壓Vo將非常小。在理想的情況下,測量接收機VT測到的AC電壓也應該是Vo。
但是,在低頻范圍內,外部共模噪聲很可能會進入激勵源與接收機之間的測試電纜的接地環路,如圖18所示。在測量電纜外部屏蔽層電阻Rc2上的電壓降為Vc2。由于被測電壓Vo本身就是很小的一個值,因此電壓Vc2會引起接收機VT的電壓測量誤差,這樣最終測得的衰減值將是錯誤的。
根據Vo和Vc2之間不同的相位關系,實際測量得到的衰減值可能會高于或低于被測器件真實的衰減值。或者在有些情況下,在測量結果的軌跡線上會出現一個比較明顯的的下陷。

圖18 由電纜屏蔽層電阻引起的測量誤差(1)
測試電纜的接地環路會在低頻測量范圍內引起另外的測量誤差。您可以設想被測器件有一個分流信號路徑,其阻抗Zsh非常小的情況,典型例子就是用分流直通 (Shunt-thru) 方法測量供電網絡(Power Distribution Network)上的元器件在低頻頻段的毫歐量級的阻抗,例如直流一直流轉換器和大容值旁路電容器的阻抗等。
理想情況下,激勵源的信號在經過被測器件之后應該通過測量電纜的外部屏蔽層金屬返回到激勵源一側。
但是,在低頻測試時,激勵源的電流也會流入到T通道測量接收機一側測試電纜的屏蔽層中。與共模噪聲的現象相似,流入T通道測量電纜屏蔽層的激勵源電流會在測量電纜外屏蔽層的電阻Rc2上產生電壓降Vc2,這會在接收機VT的測量結果中造成誤差。在這種情況下,測得的衰減值將大于被測件的真實衰減值。
需要注意的是,這些與測試電纜接地環路相關的測量誤差只會在測量頻率低于100 kHz的范圍內出現。在較高的測量頻率范圍內,同軸測試電纜的電感起到了共模扼流器(巴侖)的作用,使得引起測量結果誤差的電流不會通過VT接收機一側測量電纜的屏蔽層。

圖19 由電纜的屏蔽層電阻引起的測量誤差(2)
在低頻范圍內測量大衰減器件
傳統解決方案
目前有幾種技術可以最大程度地降低前面所述的測量誤差。傳統上最常用的方法是把小磁環套在測試電纜上或將測試電纜在大磁環上繞幾圈,這種使用磁環方法的等效電路如圖20所示。磁環可以增加測量電纜屏蔽層的阻抗并抑制流經電纜屏蔽層的電流,同時不會影響流入測量電纜中心導體和返回到激勵源一側的電流。
由磁環自身的電感在測量電纜屏蔽層上產生的阻抗會降低流經接地環路的共模噪聲電流和流入VT接收機一側測量電纜屏蔽層的激勵源電流。另外,在激勵源一側的測量電纜上也使用磁環可以使激勵源電流通過電纜的屏蔽層返回到激勵源一側。
但實際上這種方法做起來不太容易,因為我們需要找到電感量很高(高磁導率)的優質磁環,使其能完全消除出現在很低測量頻范圍內的誤差。另外,有時候很難判斷磁環是否在有效地工作,特別是在被測器件的衰減特征不平坦的情況下。
針對這種應用,我們推薦使用的環形磁芯是Metglas Finemet F7555G (Φ 79 mm) 。請參考www.metglas.com.

圖20 使用磁環降低測量誤差的解決萬案
使用E5061B-3L5 的解決方案
E5061B-3L5 的增益相位測試端口(5 Hz至30 MHz)具有獨特的硬件體系結構,能夠消除信號源至接收機測試電纜接地環路引起的測量誤差。圖21是使用增益相位測試端口進行測量的簡化方框圖。接收機串接一個半浮地的阻抗 |Zg|, 該阻抗在100 kHz以下的低頻范圍內大約是30 Ω 。與使用磁環的情況相似,我們可以直觀地看到阻抗|Zg| 阻止了測量電纜的屏蔽層電流。或者,我們設被測器件接地一側的電壓擺幅是Va,如圖21所示,由于RshieId要比接收機輸入阻抗50 Ω 小得多,因此可通過以下公式近似得出VT:
VT=Vc2+Vo=Va x Rc2/(Rc2+Zg)+Vo
因為Rc2 << |Zg|, 上式中的第一項可以忽略不計,所以VT幾乎就是我們真正需要測量的Vo。因此,可以通過最大程度地降低屏蔽電阻的影響,能夠正確地測量出被測器件的大衰減量或毫歐級并聯阻抗。E5061B的增益相位測試端口可以輕松、精確地測量低頻范圍內的大衰減值。
另一方面,與其他現有的低頻網絡分析儀一樣,E5061B-3L5 的S參數測試端口的測量接收機采用標準的接地體系結構。如若使用S參數測試端口(例如,測量測頻超過30 MHz無法使用增益相位測試端口進行測量時)測量低頻大衰減器件,那么還是需要使用磁環來消除測試電纜的接地環路引起的誤差。

圖21 使用E5061B- 3L5增益相位測試端口的解決方案
增益相位測試端口的有效性
圖22顯示的是用E5061B S參數測試端口和增益相位測試端口對90 dB同軸衰減器進行傳輸測量的結果,測試頻率范圍為100 Hz至10 MHz。圖中左側通道1的測量軌跡是使用S參數測試端口的測量結果。如圖所示,沒有使用磁芯的測量結果在低頻頻段內顯示出不正確的數值偏大的測量結果,這是由激勵源和接收機之間測試電纜的接地環路引起的誤差。同一圖中的另一條軌跡是在測試電纜上加了磁環后的測量結果,雖然在低頻頻段上的測量結果有所改善,但在極低的測量頻率上測量結果仍不夠精確。
圖的右側通道2的測量軌跡是使用增益相位測試端口的測量結果。如圖所示,該方法可以正確地測量出測量頻率在 100 Hz以下時 -90dB的衰減,測量結果不會受到測試電纜接地環路的影響。

圖22 三種不同測量方得到的測量結果的比較
運算放大器測量實例
閉環增益
以下章節詳細說明測量運算放大器各種頻率響應特征的實例。
圖23顯示的是用增益相位測試端口(測量頻率最高30 MHz)測量一個簡單的反相放大器 (Av= -1)的閉環增益配置的實例。
為了最大限度地降低探頭電容對放大器負載條件的影響,建議使用10:1探頭,它具有相對較小的輸入電容。
為了精確測量增益和相位的頻響特性,需要把T測量通道的探頭點在TP1測試點上做直通響應校準,這樣可以消除兩個探頭之間的增益和相位的誤差。

圖23 使用增益相位試端口進行環增益測量的配置實例
如果您需要在30 MHz以上的頻率上測量放大器的頻率響應特性,則需要使用S參數測試端口和有源探頭。圖24顯示了一個配置實例,我們必須要把探頭點在TP1測試點上做直通響應校準,因為R通道的接收機的輸入阻抗是50 Ω 的,我們需要把參考點設置在TP1上,這樣就可以測量被測器件輸入和輸出端口的電壓傳輸函數。
圖25顯示的是用E5061B的S參數測試端口和41800A有源探頭對高速運算放大器進行閉環增益測量的實例。游標位于-3 dB的截止頻率上,這表明該放大器電路的帶寬約為20 MHz。

圖24 使用S參數測試端囗進行環增益測量的配置實例
頻率=100Hz至100MHz
激勵源功率=0dBm
中頻帶寬自動(上限=1kHz時)

圖25 閉環增益測量實例
開環增益
測量運算放大器開環增益的方法有很多種。最常用的方法是測量電路中的電壓比VT/VR,如圖26所示。假設運算放大器的開環增益為A,如果電流為Ir2,可得出下列公式:
(VT-VR)/R2 = {VT-(-A x VR)}/Zout
如果Zout << R2,可根據下式計算出電壓比VT/VR
VT/VR = (-A-Zout/R2)/(1-(Zout/R2)) = -A
對于高增益運算放大器的情況,如果閉環增益Av很小(如:Av=-R2/R1=-1),則電壓VR會太小而無法精確測量,特別是在低頻率范圍內開環增益非常高時更加無法精確測量。
在線性工作區域內,如果閉環增益Av增加了,電壓 VR也將成比例增加,用儀表測量起來也將更加容易。例如,如果 |Av| = R2/R1 = 10, VR 將是當 |Av| =1 時 VR的值。

圖26 閉環增益測量的配置實例
圖27顯示的是用增益相位端口進行測量的配置方法。比值測量T/R的結果可直接表示開環增益A。為了能夠精確地測量出相位的頻率響應特性而不受到由于很大的探頭電容引起的負載條件的影響,測量時應該使用10:1無源探頭,而不是同軸測試電纜。

圖27 使用增益相位測試端囗進行開環增益測量的配置買例
圖28顯示的是用圖27的增益相位配置方法測量單位增益條件(R1=R2=1 kΩ)下運算放大器開環增益的測量結果,測試頻率范圍從10 Hz至30 MHz。相位裕量可從這些測量結果中得出。在假設沒有相移的情況下,通過簡單地找出反饋路徑傳遞函數阝:RI/()I+R2)= ½ = -6 dB的線,再把一個游標置于 +6 dB 的點上,就可以找出環路增益I-A×阝]=0 dB的交叉點。相位裕量可以從這個游標在相位軌跡上相對應的位置直接讀出,就像我們在運算放大器輸入端口所看到的循環傳遞函數 -Ax阝(其中包括 180度反轉)。
高增益區域中的跡線波動是由無源探頭的20 dB損耗所引起的動態性能下降造成的。由于我們是在放大器的單位增益的條件下進行開環增益測量,在高增益區域內R通道接收機測得的交流電壓將非常小,這將導致跡線的波動。高增益區域內的跡線波動對于測量低增益區域內測量數據的相位裕量來說,并不是什么問題。
但是,如果您還想在低頻率范圍內測量非常高的增益,那么您需要用同軸測試電纜替代10:1無源探頭再單獨測量另一個開環增益。R端口接收機的衰減器應設置為0 dB, T端口接收機的衰減器應設為20 dB, 從而可以在信噪比非常良好的情況下在R通道接收機上測量非常小的電壓。請注意,此測量配置只適用于在中低頻率范圍,其中開環增益比較高,R通道接收機上的電壓不會超過接收機的最大輸入電平(衰減器設置為0d。

圖28 使用增益相位端囗的開環增益和相位測量實例
如果在超過30 MHz的情況下測量運算放大器的開環增益,需使用有源探頭和S參數測試端口。由于S參數測試端口只允許使用一個有源探頭,您需要使用兩步測量法。具體步驟如下:
1.把探頭點在TPI測試點上做響應校準。
2.把探頭點在TP2測試點上測量S21,并通過DATA->MEM操作(測量的第一步)存儲軌跡線數據。
3. 將一個虛電容連接到TP2,然后把探頭點在TP3測試點上測量S21(測量的第二步)。
4. 使用儀表的數學函數計算功能把第二步的測量結果除以第一步已經存儲在寄存器中的的數據(數據/存儲器)就可以得到開環增益的結果。
在第二步測量中連接的虛電容是和在第一步測量中的探頭電容一樣的,在高頻測量范圍內會對開環相位的測量結構有所影響,這個虛電容的電容應值該與有源探頭的輸入電容相同。
如果您需要測量一個非常高的開環增益,最好在測試電纜上使用磁環,以消除接地環路引起的測量誤差,這種測量誤差可能會影響到第一步測量中對很小信號的測量結果。

圖29 使用一個有源探頭進行開環增益測量的配置實例
圖30顯示的是用圖29中的配置測量開路增益和相位的實例。軌跡1是在TP2測試點上測得的響應結果,它是輸入電壓與TP2處經過衰減的電壓的比值。軌跡2是在TPB測試點上測得的響應結果,它是閉環增益和相位。軌跡3是從這些測量結果中計算出的開環增益和相位,這些結果是通過對已經測量到的軌跡進行數學函數計算(數據/存儲器)得出來的。
如前所述,相位裕量是當開環增益等于6 dB 時所對應的相位測量結果的值,此時環路增益為0dB。在這個例子中,相位裕量約為86度。
圖30 使用一個有源探頭測量開環增益和相位測量實例
共模抑制比CMRR
運算放大器和其他低頻率差分放大器的CMRR(共模抑制比)通常很難測量,因為您需要測量非常大的共模輸入衰減。共模抑制比的定義為CMRR=Ad/Ac,其中Ad是差模增益,Ac是共模增益。圖31顯示的是用增益相位測試端口進行測量的配置。為了測量大的衰減值,需要使用同軸測試電纜連接接收機和被測件,而不是使用有20 dB損耗的 10:1無源探頭。
您可以將開關SW1打到位置A測量共模增益(衰減)Ac,把SW1打到位置B測量差分增益Ad。然后根據Ad/Ac(=20×Log(Ad/Ac)以dB為單位)計算出CMRR。該電路的差分增益是IAdI=R2/R1=10,它的共模增益Ac是IAdI=1時的10倍(即20 dB),這種測量方法可以使儀表測量超過100 dB的CMRR。
由于增益相位測試端口是半浮地的接收機體系結構,您可以通過消除測試電纜接地環路導致的測量誤差來精確地測量高CMRR。

圖31 使用增益相位測試端口進行共模抑制比CMRR測量的配置實例
使用S參數測試端口和有源探頭可以測量頻率高于30 MHz的CMRR。在這種情況下,需要在測試電纜上使用磁環,如圖32所示,以消除共模噪聲引起的測量誤差。可以使用Metglas Finemet F7555G型磁環( Φ 79 mm:metglas.com)。
圖33.顯示的是用增益相位測試端口進行測量的實例。軌跡1表示共模增益Ac,軌跡2是差模增益Ad(= 20dB)。通過消除接地環路的影響,可精確地測出約為 -90 dB的共模增益Ac。軌跡3是由這些結果計算出來的CMRR。其上的游標表明在100 kHz時CMRR約為80 dB 。在低頻范圍內,CMRR大于100 dB。

圖32 使用S參數端口進行CMRR測量的配置實例
頻率=100Hz至100MHz
激勵源功率
對于Ac測量:0 dBm
對于Ad測量: -15 dBm
中頻帶寬=自動(最大100 HZ)
接收機ATT設置
Ac測量:20 dB (R通道)
0 dB (T通道)
Ad測量:20 dB(R通道和T通道)
在這個測量例子中RI和R2之間的平衡并未完全優化。

圖33. 使用增益相位端口進行CMRR測量的實例
電源抑制比(PSRR)
放大器的電源抑制比(PSRR)是另一個比較難測量的參數,因為它要求進行大衰減值的測量。此處其定義為PSRR=Av/Ap, 其中Av是放大器電路的閉環增益,Ap是從電源的輸入端口(正極/負極)至輸出端口的增益。與CMRR測量相似,在線性工作范圍內Ap與Av成正比。
圖34顯示的是用增益相位端口測量PSRR(正PSRR)的配置實例。由于IAvI=R2/R1=1,測得的電路增益直接指示為運算放大器的PSRR(=1/Ap,一個值為負數的dB值)的倒數。測量的激勵源信號加在供電電源的正極上,有直流偏置電壓。E5061B有一個內置直流偏置源,使您能夠在內部將直流電壓偏置附加到激勵源的交流信號上。

圖34 使用增益相位測試端囗進行PSRR測量的配置實例
使用S參數測試端口和有源探頭可以測量頻率高于30 MHz的PSRR。與使用S參數測試端口進行CMRR測量相似,我們推薦將磁環用在測試電纜上,以消除測試電纜接地環路引起的測量誤差。圖36顯示的是用增益相位測試端口進行PSRR測量的實例,其上的游標表明在1 kHz時PSRR約為-87 dB。E5061B-3L5具有直流監測功能,可用于檢查實際加在被測器件上的直流電壓的值。

圖35 使用S參數測試端囗進行PSRR測試的配置實例

圖36 使用增益相位測試端囗進行PSRR測量的實例
輸出阻抗
運算放大器輸出阻抗的測量不是雙端口傳輸參數的測量,而是單端口阻抗測量。通常情況下,運算放大器的閉環輸出阻抗范圍從低頻率的幾十毫歐到高頻率的100歐。為了能夠完全在這個阻抗范圍內進行測量,反射測量法將是一種適當的解決方案。圖37顯示的是測量運算放大器閉環輸出阻抗的配置實例。測量時必須要做開路/短路/負載校準(全單端口校準)。

圖37 輸出阻抗測量的配置實例
圖38是閉環輸出阻抗的測量實例。測得的跡線顯示的是經過阻抗轉換函數的計算繪制的阻抗值的幅度。左側的跡線顯示的是用對數刻度[20x log IZI dB]表示的輸出阻抗。右側的跡線顯示的是用線性刻度[Ω]表示的輸出阻抗。

圖38 輸出阻抗測量實例
免責聲明:本文為轉載文章,轉載此文目的在于傳遞更多信息,版權歸原作者所有。本文所用視頻、圖片、文字如涉及作品版權問題,請聯系小編進行處理。
推薦閱讀:






