【導讀】許多系統設計人員使用Σ-Δ型ADC和RTD(電阻式溫度檢測器)進行溫度測量,但實現ADC數據手冊中規定的高性能時有困難。例如,一些設計人員可能只能從16位至18位ADC獲得12至13個無噪聲位。本文介紹的前端技術能夠使設計人員在其系統設計中獲得16個以上的無噪聲位。
在比率式測量中使用RTD有一定優勢,因為它能消除激勵電流源的精度和漂移等誤差源。下面是4線RTD比率式測量的典型電路。4線式配置的優勢是可消除由引腳電阻產生的誤差。

圖1. 4線RTD比率式測量電路。
我們可以從上述電路推導出下面兩個公式:

當ADC工作在雙極性差分模式時,計算RTD電阻(RRTD)的通用表達式如下所示:

其中:
CodeRTD為ADC碼。
CodeADC_Fullscale為ADC滿量程代碼。
RTD的測量電阻值理論上僅與基準電阻的精度和漂移相關。 通常,RREF為精確的低漂移電阻,精度為0.1%。
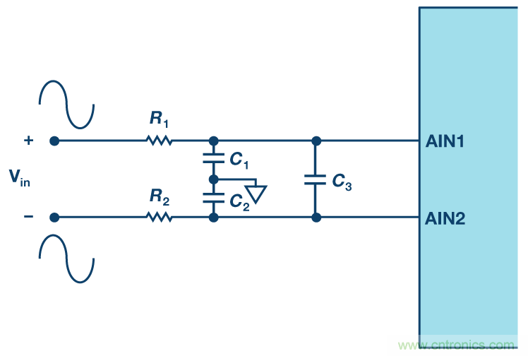
當工程師使用此類電路設計產品時,他們會在模擬輸入和外部基準電壓源引腳前添加一些電阻和電容,以獲得低通濾波和如圖2所示的過電壓保護。在本文中,我們將展示選擇合適的電阻和電容以獲得更好的噪聲性能時應該考慮的因素。

圖2. 典型4線RTD比率式測量電路。
從圖2中可以看出,R1、R2、C1、C2和C3用作為差分和共模電 壓信號提供衰減的一階低通RC濾波器。R1和R2的值應相同, C1和C2的值也選擇相同的值。同樣,R3、R4、C4、C5和C6用 作參考路徑的低通濾波器。
共模低通RC 濾波器
圖3所示為共模低通濾波器等效電路。

圖3. 共模低通濾波器。
因為a點的共模電壓等于b點的電壓,所以沒有電流流過C3。 因此,共模截止頻率可表示為:

差分模式低通RC 濾波器
為了更好地理解差分信號的低通RC濾波器截止頻率,可將圖 4中的C3電容視作圖5中的兩個獨立電容:Ca和Cb。

圖4. 差分模式低通濾波器。

圖5. 差分模式低通濾波器等效電路。
圖5中,差分模式截止頻率為:

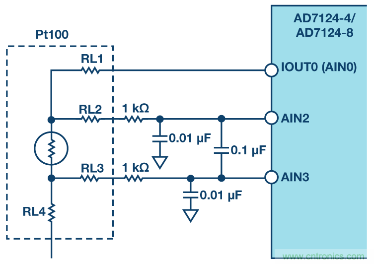
通常,C3的值是Ccm的值的10倍。這是為了降低C1和C2不一致 產生的影響。例如,如圖6所示,ADI電路筆記CN-0381中使 用模擬前端設計時,差分信號的截止頻率約為800 Hz,共模 信號的截止頻率約為16 kHz。

圖6. 使用AD7124進行RTD測量的模擬輸入配置。
電阻和電容考慮
除了作為低通濾波器的一部分外,R1和R2還可提供過電壓保 護。如果圖6中的 AD7124-4 AIN引腳前使用的是3 kΩ電阻,則最高可保護30 V接線錯誤。不建議在AIN引腳前使用更大的電阻,原因有二。第一,它們將產生更大的熱噪聲。第二,AIN引腳具有輸入電流,電流將流經這些電阻并引入誤差。這些輸入電流的大小不是恒定值,不匹配的輸入電流將產生噪聲,并且噪聲將隨電阻值增大而增大。
電阻和電容值對確定最終電路的性能至關重要。設計人員需要理解其現場要求,并根據上述公式計算電阻和電容值。對于具有集成激勵電流源的ADI Σ-Δ型ADC器件和精密模擬微控 制器,建議在AIN和基準電壓源引腳前使用相同的電阻和電容值。這種設計可確保模擬輸入電壓始終與基準電壓成比例, 并且激勵電流的溫度漂移和噪聲所引起的模擬輸入電壓的任何誤差,都可通過基準電壓的變化予以補償。
用比率式測量法測得的ADuCM360 噪聲性能
ADuCM360是完全集成的3.9 kSPS、24位數據采集系統,在單芯片上集成雙路高性能多通道Σ-Δ型ADC、32位ARM® Cortex®-M3處理器和Flash/EE存儲器。同時還集成了可編程增益儀表放大器、精密帶隙基準電壓源、可編程激勵電流源、靈活的多路復用器以及其它許多特性。它可與電阻式溫度傳感器直接連接。
使用ADuCM360進行RTD測量時,REF–引腳通常接地,因此圖2中的R4和C5無電流通過,可將其移除。C4和C6并聯一起。 由于C4遠遠小于C6,因此可忽略。最后便可得到簡單的模擬 前端電路,如圖7所示。

圖7. 用于RTD測量的ADuCM360模擬前端電路。
表1列出了模擬和參考輸入路徑前具有匹配和不匹配濾波器時 的噪聲水平。使用100 Ω精密電阻代替RRTD,以測量ADC輸入 引腳上的噪聲電壓。RRef 的值為5.62 kΩ。
Table 1. Noise Test Results

從表1我們可以看出,使用R1和R2的值與R3相同的匹配模擬前 端電路時,噪聲與不匹配電路相比降低約0.1 μV至0.3 μV,這 意味著ADC無噪聲位的數量增加約0.25位至16.2位,ADC PGA增益為16。
結論
按照本文介紹的考慮因素,使用匹配RC濾波器電路和根據現 場要求選擇合適的電阻和電容值,比率式測量應用中的RTD 能夠獲得最佳的結果。
參考電路
CN-0381電路筆記。"采用低功耗、精密、24位Σ-Δ型ADC的全集成式4線RTD測量系統"ADI公司
CN-0267電路筆記。"具有HART接口的完整4 mA至20 mA環路供電現場儀表"。 ADI公司
推薦閱讀:




