【導讀】電阻是個并不受到重視的元器件,很少有人去研究它最好的使用方法。但這篇文章證明了在電路學習中,沒有不值得研究的東西。也許在某些不起眼的事物上多研究一下,就能解決很大的問題。
電阻在很多人眼里是電路中較為基礎的一種元器件,所以大多只對其功率方面的作用進行研究,而忽略了它其他的作用。但實際上,如果說起電阻的正確使用方法,可能連資深的工程師都不一定全部了解。那么電阻究竟怎樣使用才能算的上是正確呢?
在選用電阻的時候,如果避除高頻電路的特殊應用,一般只考慮電阻的功率,對于普通工程師,只要能通過流過電阻的電流選擇合適的功率,就可算做合格,如果能考慮到瞬時功率,就可以算做不錯的工程師。但要能真正正確使用電阻,只有做到這兩點還不夠。

圖1
先看一個簡單的電路圖,圖1是通過采樣電阻R1和R2對流過LED燈的電流采樣,然后調整PWM輸出,以保證不同電壓下流過LED燈的電流恒定。
這個電路圖有一個讓人納悶的地方,為什么采樣電阻要用兩個?兩個3.9歐的電阻,好像用一個2歐的電阻也沒什么問題?就算是電流比較大,可以選用更大功率的電阻來解決,裝一個電阻比裝兩個電阻要簡單方便,這樣的電路著實讓人有點迷糊。
其實這種電路形式有以下優點:
1. 多個電阻更利于散熱,兩個1W的2歐電阻并聯使用和一個2W的1歐電阻單獨使用,流過同樣的電流,大多數時候兩個電阻并聯使用溫升要小,電阻在溫度高(比如高于70攝氏度)的條件下可以承受的功率會明顯下降,這樣兩個電阻并聯的電路效果會更好。
2.多個電阻可以通過電阻的組合得出更理想的電阻值,比如實際應用中1.95歐電阻比2歐電阻更合適,如果想直接買一個1.95歐的電阻,肯定沒有兩個3.9歐的電阻方便,因為3.9歐是標準阻值,而1.95歐不是。

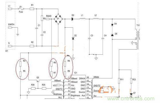
圖2
再看一個電源類產品中常見的電路,這個電路就更加“古怪”,圖2中是R4和R5串聯、R6和R7串聯、R8和R9串聯。
這個電路中R4和R5的阻值之和通常為1M~1.5M,也就是說只要這兩個電阻的阻值和在這個范圍內都可以接受,對電路功能沒有明顯影響。于是這里就引出一個疑問,為什么這里要用兩個電阻串聯呢?
如果是功率原因,就算是230V的交流,一個1M的電阻承受的功率會符合此公式:P=(230*1.414)*(230*1.414)/1000000=0.105625W,只要選用一個1/8的電阻就夠用了,用功率來解釋說不通。
這種電路涉及到電阻兩個容易被大家忽略的參數“最大耐壓值”和“最大工作電壓”,電阻除了阻值、額定功率外,還有兩個重要參數是最大耐壓值和最大工作電壓,比如常見的1/4W插件電阻,通常最大耐壓值是500V、最大工作電壓為250V。
再來看上面的電路,如果我們把R4和R5合并成一個1/4W 1M的插件電路,功率上講是沒有問題的,但是230V交流通過整流橋后可以產生最高325V的直流電壓,這樣就會讓這個電阻長時間工作在300V左右的電壓下,時間一長,就會損壞這個電阻,但如果是用兩個510K的電阻串聯,每個電阻只分到大約150V的電壓,就可以保證電路長時間穩定工作。
大家是否吸收了文章中的知識呢?電阻是個并不受到重視的元器件,很少有人去研究它最好的使用方法。但這篇文章證明了在電路學習中,沒有不值得研究的東西。也許在某些不起眼的事物上多研究一下,就能解決很大的問題。



