【導讀】本文主要設計了一款由五個正六邊形缺陷地面結構單元設計的微帶低通濾波器。這款濾波器架構緊湊,具有低插損的優點。文中還提出了原型等效電路,并通過S參數的仿真分析提取等效電路元件值。
缺陷接地結構(Defected Ground Structure,DGS)是微波領域新近發展的熱點之一,它由光子帶隙結構(PBG)發展而來。DGS通過在接地板上刻蝕缺陷圖案,改變接地板上屏蔽電流的分布,從而間接改變傳輸線的等效電感和等效電容,獲得慢波特性和禁帶特性。慢波特性可以讓微波傳輸線結構更加緊湊,而禁帶特性可以抑制諧波雜波等無用信號。該技術現已被應用于濾波器設計中,可使濾波器抑制諧波的能力更為突出。
本文中提出了一種正六邊形的地面缺陷結構作為DGS基本單元。設計的這個DGS單元結構,其單元等效電路可由RLC并聯諧振單元表示,通過改變地面缺陷單元的正六邊形的面積和狹槽的寬度,可以很容易控制等效電感和電容。從而調整其頻率響應特性。本文通過對六邊形尺寸參數變化的研究,提出了對應的低通濾波器的等效電路,設計了一個基于五個正六邊形DGS的濾波器,在ADS中對等效電路的仿真結果與HFSS中的仿真結果很吻合。
正六邊形DGS低通濾波器
DGS及其等效電路
正六邊形DGS單元結構如圖1(a)所示。在微帶線的下方接地板上蝕刻出2個對稱的正六邊形并由一狹槽連接。本文采用介電常數為3.2,厚度為0.787mm的基板。其50Ω微帶線長度d為1.88 mm,微帶線兩旁蝕刻區域形成的等效電感L和中間的狹槽形成的等效電容C組成LC并聯的諧振電路的頻率響應在特定頻點上產生極點。其有耗等效電路是一個并聯諧振RLC電路。如圖1(b)所示,該RLC電路由一個等效并聯電容C,一個并聯電感L 以及電阻R 構成。這些參數可以通過對該結構進行EM仿真及以下公式提取出來

式中ω0是諧振角頻率;ωc代表3 dB截止角頻率;Z0指傳輸線的特征阻抗,這里Z0為50 Ω。

圖1(a)正六邊形的DGS單元


圖1(b)等效電路
對圖1(a)的六邊形DGS單元在HFSS中建模進行EM仿真,觀察其諧振頻率隨著六邊形的邊長的變化情況。其中,蝕刻狹槽的長度為s=12 mm,寬度g= 0.2 mm保持不變,而六邊形的邊長從1.0 mm到2.5 mm變化,從仿真的結果可以看出,由于DGS圖形的中間狹槽長度寬度不變,等效電容基本不變,而其等效電感隨正六邊形的面積增大而增加[5]。由可得3 dB截止頻率降低,LC諧振電路的諧振頻率也相應的從6.32 GHz降低為4.43 GHz,如圖2所示。

圖2 正六邊形邊長對諧振頻率的影響
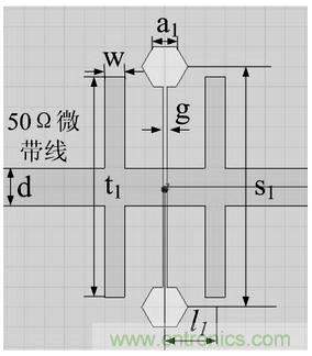
低通濾波器設計如上面的分析可以看出,正六邊形DGS結構可以用來設計低通濾波器或抑止其寄生的旁帶。但是該結構也存在一些缺陷,如在高頻范圍內沒有足夠的抑止,且存在著截止特性緩慢的情況。因此,在單個DGS單元上加上一個H形的并聯枝節來增加微帶線和正六邊形DGS單元之間的耦合電容。這樣不僅可以最大限度地減小LPF的尺寸,而且能夠提高LPF的阻帶特性。圖3(a)是帶H形并聯支節的DGS單元,(b)是其等效電路。

圖3(a)H形支節的DGS單元


圖3(b)等效電路
其中,l1 = 2.5 mm,w = 1 mm,a1 = 1.2 mm,d = 1.88 mm。在其它尺寸不變的情況下,并聯枝節的長度t1從4 mm到10 mm逐漸增加,由仿真結果可以看出,隨著l的增加,等效電路的電容也隨之增加,從而帶外的抑止也隨著提高。而在2.41 GHz的3 dB截止頻率并沒有平移,只是衰減變得更深。并聯支節的長度t1為10 mm時相對于4 mm的帶外抑止提高了差不多10 dB,如圖4所示。
圖4 H型開槽長度對諧振頻率的影響
為了獲得性能良好的頻率響應特性,并提高其帶外抑止,必須增加正六邊形DGS單元的數目,在這里設計的低通濾波器采用五個正六邊形DGS單元。其對稱結構如圖5(a)所示,對應的等效電路如圖5(b)所示。

圖5 (a)具有五個DGS單元的LPF


圖5 (b)等效電路
除了t3之外,其它的參數都通過對單個單元進行分析而得到。它們的尺寸分別為:w = 1 mm,g = 0.2 mm,a1 = 1.15 mm,a2 = 1.05 mm,a3 = 0.95 mm,s1 = 11 mm,s2 = 7.5 mm,s3 = 4 mm,l1 = 2.5 mm,l2 = 7.5 mm,l3 = 12.5 mm,m2 = 5.1 mm,m3 = 10.1 mm,t1 = 11 mm,t2 = 7.5 mm。圖6是采用五個DGS單元的低通濾波器隨著并聯支節長度t3的變化的仿真結果。由于并聯支節長度增加使得圖5(b)所示的等效電容CS3也隨著增加。這樣使得帶外抑止也隨之增加,而且通帶到帶阻的衰減也變得更加陡峭。同時我們也注意到,其帶內特性如插入損耗和回波損耗卻都有所增加。因此在設計的過程之中必須兼顧通帶和阻帶這兩方面的特性。

圖6 LPF頻率響應隨t3從2mm到6mm變化的仿真結果的比較
通過EM仿真和等效電路的仿真可以得到優化后的低通濾波器特性,當t3= 3 mm時,其仿真結果如圖7所示。
圖7 LPF的電磁仿真與等效電路仿真結果比較
對應的其等效網絡的參數為:C1 = 0.627 pF,C2 = 0.109 pF,C3 = 0.067 pF,L1 = 1.25 nH,L2 = 1.608 nH,L3 = 0.515 nH,R1 = 8.87 kΩ,R2 = 2.39 kΩ,R3 = 1.15 kΩ,CS1 = 1.238 pF,CS2 = 0.927 pF,CS3 = 0.303 pF,LS1 = 1.01 nH,LS2 = 0.802 nH,LS3 = 1.128 nH。為了驗證這個等效電路的正確性,通過ADS對其等效電路進行了仿真。從仿真結果比較可以看出,兩者吻合較好。對于低通濾波器的頻率特性,對應的3 dB截止頻率為4.42 GHz,在通帶范圍內其S11低于-21 dB.而在阻帶,從5.5 GHz到10 GHz這個很寬的頻帶范圍內可以得到低于-40 dB的帶外抑止。使用H形并聯枝節的DGS結構與普通的DGS結構相比在阻帶內能獲得更高的衰減和諧波抑止,同時實現陡峭的下降特性。
相關閱讀:
寬阻帶共面帶狀紙低通濾波器的設計
經典二階低通濾波器計算過程,精通它不能少
降低EMI/RFI利器:雙絞線+低通濾波器



