養魚的魚缸都需要充氧,但是市售充氧器多為連續工作,這樣會縮短充氧器壽命,更不利于節能。實踐證明:如果缸內魚的密度不是太大,即使是在夏天也不必要一直充氧,可以采用間隔供氧。
下面介紹的魚缸充氧自動控制器可使充氧器間隔工作,該裝置電路簡單,一裝即成。電路如圖所示。

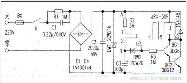
圖 魚缸充氧自動控制器電路圖
接通電源,DW1上的直流電壓經電阻R2、繼電器接點1、2對C3充電,當C3兩端電壓被充到約16V時,DW2擊穿,BG1、BG2飽和導通,繼電器吸合,接點4、5接通市電,充氧器開始工作。然后電容器C3上的電壓通過接點2、3、R3放電,維持BG1、BG2導通,繼電器J繼續吸合,充氧器繼續工作。
當C3兩端電壓下降到不能維持BG1、BC2導通時,BC1、BG2很快退出飽和區而截止。繼電器J釋放,接點4、5間斷開,充氧器’停止工作。接點1、2接通,C3又進行第二次充電。這樣周而復始,達到間隔充氧的目的。
該電路中若將R2、R3改為幾個固定電阻,并通過轉換開關來更換電阻,就可改變充氧時間與間隔時間。
相關閱讀:
一款高效低功耗的開關電源控制器芯片設計
http://www.aolaiaolisita.com/power-art/80021868
巧用CPLD雙控制器設計電池管理系統
http://www.aolaiaolisita.com/gptech-art/80022049




