- 一種新型汽車防盜報警器設計方案
- 采用AT89S51單片機及無線收發模塊
- 采用觸摸報警的方式
引言
早期的電動車防盜器材主要是機械式的防盜鎖,它主要是靠鎖定車輪、車把來達到防盜的目的,但只防盜不報警。為了克服機械鎖只防盜不報警的缺點,電子報警防盜器應運而生。它主要靠車體的振動觸發聲音和振動報警功能達到防盜的目的。但傳統電子防盜報警器可靠性較差。只是車輛本身發出報警聲,車主有時無法聽到。因此我們需要一種新型防盜報警器使他們可以在第一時間得到消息以便盡快采取措施制止偷盜案件發生,以有效保障個人財物安全。
1 設計總方案
本設計采用AT89S51單片機及無線收發模塊作為新型報警器的控制與信號傳輸的核心,并配合編碼譯碼芯片(SC2262\SC2272-M4)對信號進行編碼譯碼。當按下手持遙控器的鎖車鍵時,串接于車鎖回路的繼電器斷開,同時車載報警器處于防盜狀態,在位移傳感器的作用下當電動車受到微小震動時或有人體接近電動車電瓶時發出報警聲音并同時以兩路不同的信號向200 m~300 m之內遙控器發送報警信號,使遙控器的指示燈點亮,震動器和蜂鳴器工作發出報警信號。同時車載報警器發出報警聲延時15秒后自動停止,并且復位到防盜狀態。

解鎖時按下手持遙控器的解鎖鍵,車載報警器處于非工作狀態,同時繼電器吸合。
2 硬件電路的設計
2.1 手持遙控器電路
手持遙控器原理如圖2所示。電路由發射和接收報警電路組成,發射電路由發射模塊V1、編碼芯片U1組成。U1即SC2262的1-8腳為三態地址編碼,這里我們將SC2262的7腳接地,同樣車載報警裝置的接收電路的解碼芯片SC2262也設置成7腳接地,否則不能解碼;接收電路由接收模塊V2和解碼芯片U2即SC2272組成,這里我們將SC2272的1-8腳三態地址編碼設置為1、2、7腳接地。對應的車載報警裝置的發射電路也將三態地址編碼設為l、2、7腳接地。報警電路由震動器J2,蜂嗚器兒和D5、D6兩個不同顏色的LED組成。電源分別有9 V和5 V。將9 V直接供給發射電路,再將9 V經7805降到5 V供給接收電路和報警電路。

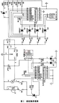
2.2 車載裝置原理圖
車載裝置原理如圖3所示。停車時按下SD鍵,車載接收模塊收到信號經解碼后,單片機檢測到P1.O端口有高電平,此時整個報警系統處于等待狀態,同時揚聲器發出一聲短提示音。

當有人體觸碰到觸發端2(555的第二腳)引出的導線時,人體感應的雜波信號電壓由C2加至555的觸發端,使555的輸出由低變成高電平,3腳轉換為高電平輸出驅動電流。同時。555第7腳內部截止,電源便通過R給C充電,當電容C1上電壓上升至電源電壓的2/3時,555第7腳導通使C1放電,使第3腳輸出由高電平變回到低電平。3腳輸出高點送到P1.4端口,經過單片機的處理分析后在P1.7端口輸出音頻信號使揚聲器工作發出報警聲,同時SC2262第ll腳得高點平,車載發射電路得電工作并向遙控器發送報警信號。遙控器接收模塊收到信號輸入14腳進行解碼,同時在11腳和17腳同時輸出一高電平,D7閃爍同時VT導通,蜂鳴器和振動器工作發出報警提示。
按下遙控器的SA時高亮度LED發光在黑暗時可作照明使用,同時高電輸入10腳編碼后發送到車載接收模塊。車載接收模塊收到信號經解碼芯片解碼后在SC2272的11腳輸出一高電平送到單片機P1.1端口,經內部處理后,使揚聲器發出提示聲。
當按下SC時高電平輸入ll腳,經編碼芯片編碼后發送到車載接收模塊。車載接收模塊收到信號后送入單片機,經處理分析后使整個報警系統處于關閉狀態。繼電器K得電工作,電動車得電自啟動。
2.3 電瓶防盜電路的設計
采用觸摸報警的方式,就是以一個555集成電路為主的觸摸報警延時電路,當有人體接觸或接近觸發端時,就會輸出一個高電平使報警電路工作,而且觸發端為一根導線,只要將其安放在電瓶外殼的把手上就可以了,安裝方便且實用。
3 軟件設計
主程序主要完成以下幾項任務:(1)初始化。設定可編程芯片的工作方式,對內存中的工作參數區進行初始化。(2)在有鍵入操作時讀取鍵值,并跳轉到相應功能的子程序中去。(3)子程序執行完畢返回主循環,等待下一次鍵入。

4 結束語
本設計經過測試可以實現以下功能:
(1)報警信號可采用無線方式傳輸給車主,隱蔽、安全,并加大了監控范圍。
(2)報警信號可選擇振動或蜂鳴方式,更加人性化,方便用戶的使用。
(3)車輛、電池被盜時,以雙路傳輸報警信號,操作簡單,穩定可靠,在200 m~300 m范圍內,都可接收到報警信號,智能化大大提高。




