【導讀】有限且不斷縮小的電路板空間、緊張的設計周期以及嚴格的電磁干擾(EMI)規范(例如CISPR 32和CISPR 25)這些限制因素,都導致獲得具有高效率和良好熱性能電源的難度很大。在整個設計周期中,電源設計通常基本處于設計過程的最后階段,設計人員需要努力將復雜的電源擠進更緊湊的空間,這使問題變得更加復雜,非常令人沮喪。為了按時完成設計,只能在性能方面做些讓步,把問題丟給測試和驗證環節去處理。簡單、高性能和解決方案尺寸三個考慮因素通常相互沖突:只能優先考慮一兩個,而放棄第三個,尤其當設計期限臨近時。犧牲一些性能變得司空見慣;其實不應該是這樣的。
本文首先概述了在復雜的電子系統中電源帶來的嚴重問題:即EMI,通常簡稱為噪聲。電源會產生EMI,必須加以解決,那么問題的根源是什么?通常有何緩解措施?本文介紹減少EMI的策略,提出了一種解決方案,能夠減少EMI、保持效率,并將電源放入有限的解決方案空間中。
什么是EMI?
電磁干擾是會干擾系統性能的電磁信號。這種干擾通過電磁感應、靜電耦合或傳導來影響電路。它對汽車、醫療以及測試與測量設備制造商來說,是一項關鍵設計挑戰。上面提到的許多限制和不斷提高的電源性能要求(功率密度增加、開關頻率更高以及電流更大)只會擴大EMI的影響,因此亟需解決方案來減 少EMI。許多行業都要求必須滿足EMI標準,如果在設計初期不加以考慮,則會嚴重影響產品的上市時間。
EMI耦合類型
EMI是電子系統中的干擾源與接收器(即電子系統中的一些元件)耦合時所產生的問題。EMI按其耦合介質可歸類為:傳導或輻射。
傳導EMI(低頻,450 kHz至30 MHz)
傳導EMI通過寄生阻抗以及電源和接地連接以傳導方式耦合到元件。噪聲通過傳導傳輸到另一個器件或電路。傳導EMI可以進一步分為共模噪聲和差模噪聲。
共模噪聲通過寄生電容和高dV/dt (C × dV/dt)進行傳導。它通過寄生電容沿著任意信號(正或負)到GND的路徑傳輸,如圖1所示。
差模噪聲通過寄生電感(磁耦合)和高di/dt (L × di/dt)進行傳導。

圖1. 差模和共模噪聲。
輻射EMI(高頻,30 MHz 至1 GHz)
輻射EMI是通過磁場能量以無線方式傳輸到待測器件的噪聲。在開關電源中,該噪聲是高di/dt與寄生電感耦合的結果。輻射噪聲會影響鄰近的器件。
EMI控制技術
解決電源中EMI相關問題的典型方法是什么?首先,確定EMI就是一個問題。這看似很顯而易見,但是確定其具體情況可能非常耗時,因為它需要使用EMI測試室(并非隨處都有),以便對電源產生的電磁能量進行量化,并確定該電磁能量是否符合系統的EMI標準要求。
假設經過測試,電源會帶來EMI問題,那么設計人員將面臨通過多種傳統的校正策略來減少EMI的過程,其中包括:
● 布局優化:精心的電源布局與選擇合適的電源組件同樣重要。成功的布局很大程度上取決于電源設計人員的經驗水平。布局優化本質上是個迭代過程,經驗豐富的電源設計人員有助于最大限度地減少迭代次數,從而避免耽誤時間和產生額外的設計成本。問題是:內部人員往往不具備這些經驗。
● X 緩沖器:一些設計人員會提前規劃并為簡單的緩沖器電路(從開關節點到GND的簡單RC濾波器)提供占位面積。這樣可以抑制開關節點的振鈴現象(一項產生EMI的因素),但是這種技術會導致損耗增加,從而對效率產生負面影響。
● X 降低邊沿速率:減少開關節點的振鈴也可以通過降低柵極導通的壓擺率來實現。不幸的是,與緩沖器類似,這會對整個系統的效率產生負面影響。
● 展頻(SSFM):許多ADI公司的Power by Linear™開關穩壓器都提供該特性,它有助于產品設計通過嚴格的EMI測試標準。采用SSFM技術,在已知范圍內(例如,編程頻率fSW上下±10%的變化范圍)對驅動開關頻率的時鐘進行調制。這有助于將峰值噪聲能量分配到更寬的頻率范圍內。
● X 濾波器和屏蔽:濾波器和屏蔽總是會占用大量的成本和空間。它們也使生產復雜化。
以上所有制約措施都可以減少噪聲,但是它們也都存在缺 陷。最大限度地減少電源設計中的噪聲通常能夠徹底解決問 題,但卻很難實現。ADI公司的 Silent Switcher® 和 Silent Switcher 2 穩壓器在穩壓器端實現了低噪聲,從而無需額外的濾波、屏蔽或大量布局迭代。由于不必采用昂貴的反制措施,加快了產品上市時間并節省大量的成本。
最大限度地減小電流回路
為了減少EMI,必須確定電源電路中的熱回路(高di/dt回路)并減少其影響。熱回路如圖2所示。在標準降壓轉換器的一個周期內,當M1關閉而M2打開時,交流電流沿著藍色回路流動。在M1打開而M2關閉的關閉周期中,電流沿著綠色回路流動。產生最高EMI的回路并非完全直觀可見,它既不是藍色回路也不是綠 色回路,而是傳導全開關交流電流(從零切換到 IPEAK ,然后再切換回零)的紫色回路。該回路稱為熱回路,因為它的交流和EMI能量最大。
導致電磁噪聲和開關振鈴的是開關穩壓器熱回路中的高di/dt和寄生電感。要減少EMI并改進功能,需要盡量減少紫色回路的輻射效應。熱回路的電磁輻射騷擾隨其面積的增加而增加,因此,如果可能的話,將熱回路的PC面積減小到零,并使用零阻抗理想電容可以解決該問題。

圖2. 降壓轉換器的熱回路
使用Silent Switcher穩壓器實現低噪聲
磁場抵消
雖然不可能完全消除熱回路區域,但是我們可以將熱回路分成極性相反的兩個回路。這可以有效地形成局部磁場,這些磁場在距IC任意位置都可以有效地相互抵消。這就是Silent Switcher穩壓器背后的概念。

圖3. Silent Switcher穩壓器中的磁場抵消。
倒裝芯片取代鍵合線
改善EMI的另一種方法是縮短熱回路中的導線。這可以通過放棄將芯片連接至封裝引腳的傳統鍵合線方法來實現。在封裝中倒裝硅芯片,并添加銅柱。通過縮短內部FET到封裝引腳和輸入電容的距離,可以進一步縮小熱回路的范圍。

圖4. LT8610鍵合線的拆解示意圖。

圖5. 帶有銅柱的倒裝芯片。
Silent Switcher與Silent Switcher 2

圖6. 典型的Silent Switcher應用原理圖及其在PCB上的外觀。
圖6顯示了使用Silent Switcher穩壓器的一個典型應用,可通過兩個輸入電壓引腳上的對稱輸入電容來識別。布局在該方案中非常重要,因為Silent Switcher技術要求盡可能將這些輸入電容對稱布置,以便發揮場相互抵消的優勢。否則,將喪失SilentSwitcher技術的優勢。當然,問題是如何確保在設計及整個生產過程中的正確布局。答案就是Silent Switcher 2穩壓器。
Silent Switcher 2
Silent Switcher 2穩壓器能夠進一步減少EMI。通過將電容 VIN 電容、 INTVCC和升壓電容)集成到LQFN封裝中,消除了EMI性能對PCB布局的敏感性,從而可以放置到盡可能靠近引腳的位置。所有熱回路和接地層都在內部,從而將EMI降至最低,并使解決方案的總占板面積更小。

圖7. Silent Switcher應用與Silent Switcher 2應用框圖。

圖8. 去封的LT8640S Silent Switcher 2穩壓器。
Silent Switcher 2技術還可以改善熱性能。LQFN倒裝芯片封裝上的多個大尺寸接地裸露焊盤有助于封裝通過PCB散熱。消除高電阻鍵合線還可以提高轉換效率。在進行EMI性能測試時, LT8640S 能滿足CISPR 25 Class 5峰值限制要求,并且具有較大的裕量。
µModule Silent Switcher穩壓器
借助開發Silent Switcher產品組合所獲得的知識和經驗,并配合 使用現有的廣泛 µModule®產品組合,使我們提供的電源產品易于設計,同時滿足電源的某些重要指標要求,包括熱性能、可靠性、精度、效率和良好的EMI性能。
圖9所示的 LTM8053 集成了可實現磁場抵消的兩個輸入電容以及 電源所需的其他一些無源組件。所有這些都通過一個 6.25 mm ×9 mm × 3.32 mm BGA封裝實現,讓客戶可以專心完成電路板的其他部分設計。

圖9. LTM8053 Silent Switcher裸露芯片及EMI結果。
無需LDO穩壓器——電源案例研究
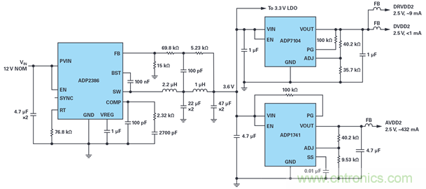
典型的高速ADC需要許多電壓軌,其中一些電壓軌噪聲必須非常低才能實現ADC數據表中的最高性能。為了在高效率、小尺寸板空間和低噪聲之間達成平衡,普遍接受的解決方案是將開關電源與LDO后置穩壓器結合使用,如圖10所示。開關穩壓器能夠以更高效率實現更高的降壓比,但噪聲相對也較大。低噪聲LDO后置穩壓器效率相對較低,但它可以抑制開關穩壓器產生的大部分傳導噪聲。盡可能減小LDO后置穩壓器的降壓比有助于提高效率。這種組合能產生干凈的電源,從而使ADC以最高性能運行。但問題在于多個穩壓器會使布局更復雜,并且LDO后置穩壓器在較高負載下可能會產生散熱問題。

圖10. 為 AD9625 ADC供電的典型電源設計。
圖10所示的設計顯然需要進行一些權衡取舍。在這種情況下,低噪聲是優先考慮事項,因此效率和電路板空間必須做些讓步。但也許不必如此。最新一代的Silent Switcher µModule器件將低噪聲開關穩壓器設計與µModule封裝相結合,能夠同時實現易設計、高效率、小尺寸和低噪聲的目標。這些穩壓器不僅盡可 能減少了電路板占用空間,而且實現了可擴展性,可使用一個µModule穩壓器為多個電壓軌供電,進一步節省了空間和時間。圖11顯示了使用 LTM8065 Silent Switcher µModule 穩壓器為ADC供電的電源樹替代方案。

圖11. 使用Silent Switcher µModule穩壓器為AD9625供電,可節省空間的解決方案。
這些設計都已經過相互測試比較。ADI公司最近發表的一篇文章對使用圖10和圖11所示電源設計的ADC性能進行了測試和比較1。測試包括以下三種配置:
● 使用開關穩壓器和LDO穩壓器為ADC供電的標準配置。
● 使用LTM8065直接為ADC供電,不進行進一步的濾波。
● 使用LTM8065和額外的輸出LC濾波器,進一步凈化輸出。
測得的SFDR和SNRFS結果表明,LTM8065可用于直接為ADC供電,并不會影響ADC的性能。
這個實施方案的核心優勢是大大減少了元件數量,從而提高了效率,簡化了生產并減少了電路板占位空間。
小結
總之,隨著更多系統級設計需要滿足更加嚴格的規范,盡可能充分利用模塊化電源設計變得至關重要,尤其在電源設計專業經驗有限的情況下。由于許多細分市場要求系統設計必須符合最新的EMI規范要求,因此將Silent Switcher技術運用于小尺寸設計,同時借助µModule穩壓器簡單易用的特性,可以大大縮短產品上市時間,同時還可以節省電路板空間。
Silent Switcher µModule穩壓器的優勢
● 節省PCB布局設計時間(無需重新設計電路板即可解決噪聲問題)。
● 無需額外的EMI濾波器(節省元件和電路板空間成本)。
● 降低了內部電源專家進行電源噪聲調試的需求。
● 在寬工作頻率范圍內提供高效率。
● 為噪聲敏感型器件供電時,無需使用LDO后置穩壓器
● 縮短設計周期。
● 在盡可能小的電路板空間中實現高效率。
● 良好的熱性能。
參考電路
1 Aldrick Limjoco, Patrick Pasaquian 和 Jefferson Eco. “Silent Switcher µModule穩壓器為GSPS采樣ADC提供低噪聲供電,并節省一半空間” ADI公司,2018年10月。
推薦閱讀:





