- 靜電放電抗擾度試驗
- 射頻輻射電磁場抗擾度試驗
- 脈沖群抗擾度試驗
- 浪涌抗擾度試驗
- 電壓暫降、短時中斷和電壓變化抗擾度試驗
相關性閱讀:
【第二講】汽車電磁兼容標準與試驗趨勢
http://www.aolaiaolisita.com/art/artinfo/id/80015669
【第三講】 產品EMC設計技術平臺與準則
http://www.aolaiaolisita.com/art/artinfo/id/80016015
電子電氣產品電磁兼容性指標合格與否,已成為市場準入或市場流通的必要條件,無論電子產品是出口還是內銷,都必須通過產品的EMC測試認證。企業需要了解電磁兼容標準知識,按照標準進行電磁兼容測試和電子系統優化,才能生產出滿足需求的產品。
本期大講臺分為三部分:第一部分解讀最新的電磁兼容抗干擾國家標準,比較新老基礎性抗干擾度標準的差異性,并給出標準執行中可能遇到問題的解決方法,幫助大家從容應對新產品標準的頒布。第二部分結合汽車EMC試驗標準的實際案例,介紹汽車ESD試驗、瞬態抗擾性試驗、電壓瞬變試驗新舊版本的差異,教大家準確把握行業EMC試驗標準的發展趨勢。第三部分分享和解決系統電路設計中的常見EMC問題,幫助工程師合理制定整改方案和進行電子系統的優化,縮短EMC測試認證的過程。
目前電磁兼容抗干擾國家標準新舊版并存,不少企業對新舊版本差異以及如何理解這些差異不甚清楚,一旦新的產品標準頒布便會措手不及,甚至造成不可估量的損失。本文解讀最新的電磁兼容抗干擾國家標準,從靜電、射頻輻射電磁場、脈沖群、浪涌和電壓跌落五方面比較新老基礎性抗干擾度標準的差異性,并給出標準執行中可能遇到問題的解決方法。
1 靜電放電抗擾度試驗

1.1不接地設備的試驗方法
關于不接地設備的試驗配置,新版標準與舊版標準的配置是相同的。關鍵是在單次放電時(無論是空氣的,還是接觸的),試品上的電荷應當在每次施加靜電放電脈沖之前先行釋放(釋放掉在需要施加靜電放電的金屬點或金屬部位上的電荷)。
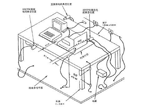
可以采用的方法之一是,使用類似于水平耦合板和垂直耦合板上釋放電荷的方法,即通過帶有470K瀉放電阻的電纜進行放電的方法。若功能允許,在靜電放電試驗時可以保留帶瀉放電阻的電纜安裝。在放電電纜中,一個電阻要盡可能地靠近EUT上的試驗點,最好小于20mm;另一個電阻接在電纜線的末端附近,與水平耦合板(對臺式設備)或參考接地板(對地面設備)相連。詳見以下兩圖。


對于因為帶瀉放電阻的電纜的存在,有可能會影響某些設備試驗結果的話,則在試驗期間可先卸掉電纜,再做試驗。試驗結束后,把電纜再裝上去,以便在兩次連續放電之間,讓電荷有足夠衰減。
作為替代,可采用下述方案:
- 將兩次連續放電之間的時間間隔增長,達到讓試品上的電荷自然衰減到允許值索需的時間。
- 在接地電纜上采用帶瀉放電阻(例如2*470KΩ)的碳纖維刷子。
- 在試驗環境里采用空氣—離子發生器來加速試品的“自然”放電過程。在做空氣放電實驗時,離子發生器應關閉。
1.2對試品的直接放電
對下述項目可簡化放電試驗:
- 只有在維護時才能觸及的點和面。
- 只有最終用戶檢修時才能觸及的點和面。例如,在更換電池觸及的電池觸點,錄音電話的磁帶盒等等。
- 對于在安裝固定后,或者按說明使用后不再觸及的點和面,例如,設備的底部以及靠墻壁的一側,適配連接器的后面。
- 同軸以及多芯連接器觸點,由于它們都有一個金屬的連接器外殼,在這種情況下,接觸放電僅僅施加在連接器金屬外殼上。
- 對非導電外殼(如塑料)連接器中可接觸到的觸點,只是采用空氣放電來做試驗,應當在靜電放電發生器上采用圓頭的電極來做這個試驗。

對于那些對靜電放電敏感的連接器的觸點或其他可觸及部分,例如測量、接收或其他通信功能的射頻出入端,由于功能的原因,應采用靜電放電的警告標識。因為許多連接器端口是被用來處理模擬或數字的高頻信號的,不能提供有足夠過電壓保護能力的器件。[page]
1.3 對水平耦合板的放電
對水平耦合板的放電,要在水平方向來對水平耦合板的邊進行。在朝對EUT每一個單元(若適用)的中心點,且與EUT前端相距0,1m處的水平耦合板前緣處,以最敏感的極性,至少做10次單次放電。放電時,放電電極的長軸要處在水平耦合板的平面里,且垂直于它的前緣,放電電極要與水平耦合板的邊緣相接觸。詳見下圖所示。另外,要考慮對EUT所有暴露面做這個試驗。

2.1試驗的嚴酷度等級

在新版標準里對試驗的嚴酷度等級分為一般試驗等級和針對數字無線電話的射頻輻射而設定的試驗等級。其中一般試驗等級與舊版標準沒有什么不同。
至于保護設備抵抗數字無線電話射頻輻射而設定的試驗等級,在下表給出頻率范圍為800MHz~960 MHz,及1.4GHz~2.0 GHz的優先試驗等級。

2.2試驗場地的校準
校準試驗場地的目的是為了確保試驗樣品周圍的場是充分均勻的,以保證試驗結果的有效性。在校準過程中不進行調制,以保證傳感器指示正常。
在舊版標準中只講到在新版標準中所謂的“恒定功率校準方法”。在新版標準中提到了兩種校準方法,即:“恒定功率校準方法”和“恒定場強校準方法”,標準認為這兩種方法的校準結果是等價的。
新版標準還規定采用未調制的載波分別對水平和垂直兩種極化進行校準,校準場強為所施場強的1.8倍(這一要求在舊版標準中沒有提到),以確保放大器能處理調制信號,且不致飽和。
3脈沖群抗擾度試驗

下面給出新、老國標中不同的部分。
3.1脈沖群發生器的特性參數
由于當代脈沖群發生器無一例外都采用高壓電子開關。這一改變,對提高脈沖群發生器工作的穩定性,及提高試驗頻率起到了關鍵作用。因此新一代脈沖群發生器與早期的脈沖群發生器的特性參數有了一些不同點,主要體現在以下兩方面:
①給出了兩種不同負載條件下(50Ω和1000Ω)的輸出波形要求(發生器的輸出阻抗仍為50Ω)
②脈沖重復頻率去除了2.5kHz這一檔。新標準不分試驗的嚴酷度等級,統一取5kHz或100kHz作為試驗脈沖的頻率。詳見下表。
[page]從新標準對脈沖群發生器特性參數的要求和新標準中的脈沖重復頻率和試驗等級的關系可以看到:
① 新標準對脈沖的重復頻率要求有了提高。原先第4級的2.5kHz頻率沒有了,代之以脈沖頻率全部是5kHz或100kHz。
② 脈沖的重復頻率提高并不會造成對受試設備注入能量的增加,注入受試設備的脈沖總量沒變(仍為75個),只是單位時間內的脈沖密集度程度有了增加。
③ 考慮到國外專家對脈沖試驗的故障機理解釋為是干擾脈沖對線路結電容的充電,因此,脈沖頻率越高,單位時間內的脈沖個數越多,對結電容的電荷積累也越快,越容易達到線路出錯的閥限。故新標準把測試頻率提高,其本質上是將試驗的嚴酷程度有了提高。
另外,從表中可以看到,必須對發生器的性能進行校驗,以便對所有參與做試驗的試驗發生器的性能建立一個共同依據。校驗可采用下列步驟:
在試驗發生器的輸出端依次分別接入50Ω和1kΩ的同軸衰減器,并用示波器加以監測。其中50Ω是試驗發生器的匹配負載;1kΩ試驗負載則體驗了發生器的一個復合負載。不同品牌的試驗發生器只有在兩種極端的負載條件下擁有相同特性,在能保證在實際的抗擾度試驗中有相互可比的試驗結果。
3.2耦合/去耦網絡
新老標準的又一個不同點是,做電源線抗擾度試驗時所用的耦合/去耦網絡。老標準時對電源線逐根做共模抗擾度試驗;新標準則對所有電源線路同時做共??箶_度試驗。
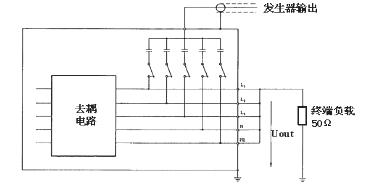
為了保證在交流/直流電源端口試驗中使用的耦合/去耦網絡性能合格,光有上述基本要求是不夠的,還必須對耦合/去耦網絡的共模輸出波形進行校驗。
校驗時發生器的輸出電壓設置為4kV。發生器的輸出接耦/去耦網絡的輸入;耦合/去耦網絡的所有輸出斷路,并接一個單一的50Ω負載,記錄峰值電壓和波形。

3.3實驗室型式試驗的配置
仔細觀察老標準與新標準里的實驗室試驗配置圖,最大的不同出現在圖的左側,關于臺式設備的試驗配置。

老標準中的試驗配置

新標準中的試驗配置
按照新標準的配置,無論是地面安裝設備、臺式設備、以及其他結構形式的設備,都將放置在一塊參考接地板的上方。被試設備與參考接地板之間用0.1m±0.01m厚的絕緣支撐物隔開。由于配置方式相同,對地面設備和臺式設備的實際嚴酷程度也是相同的,不存在哪一種配置方式更加容易通過的問題。
新標準規定,凡是安裝在天花板上或是墻壁上的設備都按臺式設備來做試驗;試驗發生器和耦合/去耦網絡也直接放在參考接地板上,并與參考接地板保持低阻抗連接。
新標準規定,在耦合裝置與被試設備之間的電源線和信號線長度為0.5m±0.05m(而不是老標準規定的≦1m)。新標準還規定與被試設備連接的所有電纜要放在離地高度為0.1m的絕緣支架上。
4浪涌抗擾度試驗

電源線耦合/去耦網絡EUT端口的電壓波形和電流波形的要求
新老標準的一個重要差異是新版標準提出了要在耦合/去耦網絡的受試設備端口上來校驗電壓和電流波形(包括波形的前沿和半峰值持續時間)。
網絡中的去耦電感由浪涌發生器的制造商選擇,但是額定電流下,耦合/去耦網絡在被試設備端口處的電源壓降應小于10%。同時,去耦電感的值不應超過1.5mH.。
為了避免在耦合/去耦網絡上有不希望發生的電壓降落現象出現,當電流>25A時,耦合/去耦網絡中的去耦元件的值要適當減小,因此,開路電壓波形的半峰值時間允許按照表1和表2中所規定的參數進行變化:

新版標準中表1和表2給出了波形變化的允許范圍,這實際規范了不同品牌儀器在制作上的誤差;同時也增加浪涌試驗時試驗結果的可比性和重復性。新版標準中的這些內容對儀器制造商和儀器的操作人員來說都是至關重要的,它增加了這個標準的可操作性。
4.2用在互連線試驗上的耦合/去耦網絡

[page]4.3 針對高速通信線路的耦合/去耦網絡
由于結構的原因,大多數耦合/去耦網絡在頻率達到100kHz時使用時受到限制的,在這種情況下,將沒有合適的耦合/去耦網絡可供商業應用。為此,在新版標準里提出卸掉通信線(對于某些被試品,可考慮在數據或通信線卸掉的時候,在被試品的內部關斷或松開通信端口),不經過耦合/去耦網絡,而將浪涌直接加到通信端口上(在這個試驗中,被試品的功能應當保持。如有可能,在整個試驗期間,應考慮采取必要措施以保持數據或通信端口的有效性)。當浪涌試驗結束后,在重新測試該端口的功能。
4.4 新版標準中增加了對金屬接地參考平板的要求
新版標準提到了參考接地板的使用:對高頻工作的情況(通常是采用氣體放電管來進行耦合),以及隨后用來對屏蔽線進行試驗情況是必須要采用參考接地板的。另外,在正式安裝使用時必須要連接參考地的被試品,它們在做浪涌試驗時就一定要連接參考接地板。
4.5對于標準執行中可能遇到的幾個問題
① 安裝浪涌測試設備后實驗室的跳閘問題
圖示為電源線耦合/去耦網絡,由于浪涌波的脈沖比較寬(含有的諧波成分比較低),浪涌波發生器的內阻又比較低,因此對浪涌波的去耦比較困難,標準上規定去耦電感為1.5mH(電流小于25A時),對去耦電容沒有規定,僅指出殘余電壓小于所施電壓的15%,通過這一要求來選擇去耦電容,因此實際浪涌測試設備的共模和差模去耦電容都選得比較大,例如選用10μF/1000V,這樣每一條線(火線)-地之間的泄漏電流(對于220V線路來說)要達到0.67A,遠大于實驗室漏電開關的動作電流(一般是30mA),所以浪涌設備引起實驗室跳閘時必然的。
解決這一問題的辦法:
(1)拆掉實驗室的漏電開關。優點:簡單、易行。缺點:安全性差。
(2)在浪涌設備的電源線耦合/去耦網絡之前加裝一臺隔離變壓器。優點:安全性好。缺點:代價較高,特別是當被試設備的容量較大時,為了匹配隔離變壓器與負載的電流容量,應當選用容量較大的隔離變壓器,需要花費較大的設備費用和實驗室場地。
隔離變壓器的最小容量要能提供電源線耦合/去耦網絡的去耦電容的泄漏電流,否則將使隔離變壓器遭受損壞。
② 浪涌輸出與浪涌發生器機殼浮空的問題

③ 殼絕緣設備的共模試驗問題
經常見到客戶在電度表等外殼絕緣設備進行共模試驗時,不知道浪涌發生器的com端子接在哪里,通常會把com端子接到外殼的外露金屬零件上,由于這個零件與內部線路幾乎沒有聯系,因此共模試驗等于沒做,起不到任何作用。
對此,建議用戶在做這類設備的浪涌共模試驗時,應當加一塊參考接地板,利用設備內部線路與參考接地板之間的分布電容(在被試設備與參考接地板之間要墊適當厚度的絕緣支座,例如10cm的絕緣支座,保證分布電容的值適當,且不變),以便將共模電壓加到所施線路上。
④ DC/DC變換器的浪涌試驗問題
有客戶反映,浪涌發生器不能用在DC/DC變換器上做DC/DC變換器的浪涌抗擾度試驗。研究其原因,DC/DC變換器也是開關電源中的一種,只不過它是用直流電源作為其工作電源,DC/DC變換器的工作仍是開關狀態,工作頻率為幾十kHz到幾百kHz,這就是說它對工作電源的吸收電流是一個個脈沖電流,脈沖電流的工作頻率同樣是幾十kHz到幾百kHz。我們知道DC/DC變換器如果要做直流電源輸入端的浪涌試驗,必然要在直流電源和DC/DC變換器之間插入電源線耦合/去耦網絡,通過電源線耦合/去耦網絡,浪涌發生器將浪涌迭加到直流電源的是輸入線上。由于電源線耦合/去耦網絡的去耦作用主要是由電感完成的,因此DC/DC變換器的電源輸入電流要在耦合/去耦網絡的電感上形成壓降,這樣直流電源的輸出電壓就不能全部作用到DC/DC變換器的電源輸入端,而要扣除因DC/DC變換器的電源輸入電流要電感上產生的壓降,亦即輸入電壓要低于直流電源的輸出電壓。而且DC./DC變換器的工作頻率越高,DC/DC變換器的吸收電流越大,形成的壓降也越大,造成DC/DC變換器不能正常工作。
⑤ 被試設備的浪涌電壓施加問題
考慮到被試設備電壓-電流轉換特性的非線性,試驗電壓應該逐步增加到產品標準的規定值,以避免試驗中可能出現的假象(在高試驗電壓時,因為被試設備中可能有某個薄弱器件擊穿,旁路了試驗電壓,致使試驗得以通過。然而在低試驗電壓時,由于薄弱器件未被擊穿,因此試驗電壓以全電壓加在試驗設備上,反而使試驗無法通過)。
浪涌要加在線-線或線-地之間。如果要進行的是線-地試驗,且無特殊規定,則試驗電壓要依次加在每一根線與地之間。但要注意,有時出現標準要求將干擾同時疊加在2根或多根線對地的情況,這時脈沖的持續。時間允許減小一些。由于試驗可能是破壞性的,所以決不要使試驗電壓超過規定值。
5電壓暫降、短時中斷和電壓變化抗擾度試驗

① 在新版標準6.1.1節的發生器性能和特性中要求試驗發生器有恒定的功率輸出能力,且對發生器還要求有最大峰值沖擊電流的能力。
② 普通的電壓跌落設備原則上可適用于50Hz和60Hz的電源,因為普通的電壓跌落設備都是通過正弦電壓波形過零檢測,然后檢查過零脈沖的個數來實現周波計數的。
③ 如果要做60Hz的電壓跌落,最好要用60Hz的發電機來進行試驗。





