中心論題:
- 分析家電控制板干擾來源
- 采用不同方案解決各種干擾
解決方案:
- 利用電容電感濾波器組合抗控制板傳導干擾
- 從非線性負載本身入手或采用電氣濾波抗負載干擾
- 利用共模扼流圈解決共模干擾
- 利用氣體放電管、金屬氧化物、MOVS或TVS抗浪涌干擾
家電控制板的小體積,低成本決定了在線路中不會使用高成本的材料來解決其電磁干擾問題。家電控制板的干擾主要來自三大方面:一是控制板本身產生的干擾,二是來自負載的干擾,三是來自線路上的干擾。解決這些干擾可以分別采用不同的方案來達成。
控制板自身的干擾
a. 控制板本身產生的干擾
家電控制板中常用的繼電器、可控硅以及高頻時鐘等,都可能成為小家電控制板的自身干擾源。對于以上干擾,可以從以下方面入手來解決:
- 在繼電器線圈增加續流二極管,消除斷開線圈時產生的反電動勢干擾。
- 在繼電器接點兩端并接火花抑制電路(一般是RC串聯電路,電阻一般選幾千歐到幾十千歐,電容選0.01μF,以減小電火花影響)。 c 在電路板上每個IC上并接一個0.01~0.1μF高頻電容,以減小IC對電源的影響。但應注意高頻電容的布線,連線應靠近電源端并盡量粗短,否則,等于增大了電容的等效串聯電阻,而這會影響濾波效果。
- 布線時應避免90°折線,并盡量減少高頻噪聲發射。
- 在可控硅兩端并接RC抑制電路,減小可控硅產生的噪聲(該噪聲嚴重時可能會把可控硅擊穿)。
- 注意晶振布線。晶振與芯片引腳應盡量靠近,并用地線把時鐘區隔離起來,晶振外殼要接地并固定。最好在能使用低速晶振的場合盡可能選用低速晶振。
- 對電路板合理分區(如強、弱信號,數字、模擬信號)。盡可能把干擾源(如電機、繼電器)與敏感元件(如單片機)遠離。
- 交流端用電感電容濾波:去掉高頻低頻干擾脈沖,VCC和GND之間接電解電容及瓷片電容,以去掉高、低頻干擾信號。
b.控制板本身的傳導干擾
為了防止控制板電路產生的傳導干擾,可在電路的進入口(即AC兩端)并接上一個電容C,圖1所示是一個簡單的電容抗擾電路連接圖。圖中的電容屬于安全電容,但必須在該電容的兩端并聯一個安全電阻,以防止電源線拔插時電源線插頭長時間帶電。因為安全標準規定,當正在工作之中的機器電源線被拔掉時,在兩秒鐘內,電源線插頭兩端所帶的電壓(或對地電位)應小于原來電壓的30%。
圖1 電容抗擾電路
該電容必須經過安全檢測部門認證過后才能使用。電容的耐壓一般都標有安全認證標志和AC250V或AC275V字樣,但其真正的直流耐壓應達到2 000 V以上。而且在使用的時候,不要隨便用AC250V或DC400V之類的電容來代用。
抗擾電容一般都選用紋波電流比較大的聚脂薄膜安全電容,這種電容體積一般都很大,允許瞬間充放電的電流也很大,即內阻比較小。而普通電容紋波電流的指標一般都很小,動態內阻較大,因此,用普通電容代替安全電容,除了耐壓條件不能滿足以外,一般紋波電流指標也難以滿足要求。
實際上,光靠用安全電容就想把傳導干擾信號完全濾除是不可能的。因為干擾信號的頻譜非常寬,基本覆蓋了幾十千赫到幾百兆赫甚至上千兆赫的頻率范圍。一般對低端干擾信號,其濾除需要很大容量的濾波電容,但受到安全條件的限制,電容的容量不能太大;而對高端干擾信號的濾除,大容量電容的濾波性能又極差,特別是聚脂薄膜電容的高頻性能一般都比較差,并且聚脂薄膜介質的高頻響應特性與陶瓷或云母相比相差很遠,此外,一般聚脂薄膜介質都具有吸附效應,會降低電容器的工作頻率。聚脂薄膜電容工作頻率范圍大約在1MHz,超過1MHz時其阻抗將顯著增加。因此,抑制電子控制板本身產生的傳導干擾除了選用這種電容進行濾波以外,一般還要同時選用多個電感濾波器一起組合來對干擾進行濾波。電感濾波器屬于低通濾波器,但電感濾波器也有很多種類和無數種規格(如差模、共模以及高頻、低頻)等,每種電感主要都是針對某一小段頻率的干擾信號而起濾除作用,而對其他頻率的干擾信號作用不大。電感量很大的電感,其線圈匝數很多,分布電容也很大,高頻信號會通過分布電容旁路掉,另外,導磁率很高的磁芯,其工作頻率也不高。目前,國內大量使用的電感濾波器磁芯的工作頻率大多數都在75MHz以下,對于工作頻率要求比較高的場合,必須選用高頻環形磁芯(高頻環形磁芯導磁率一般都不高,但其漏感特別小)。
負載干擾
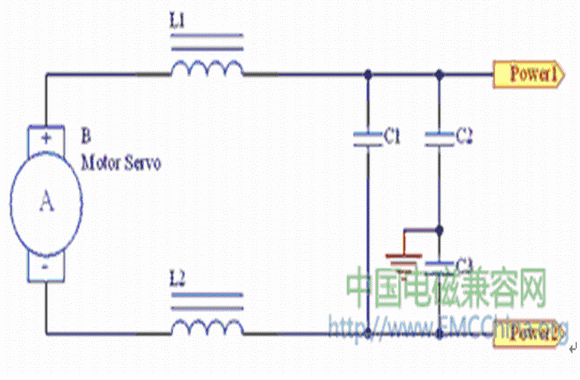
家電中的負載包括線性負載(如熱水器)和非線性負載(豆漿機,絞肉機等)。非線性負載是一種頻譜極寬的干擾源,其抑制方法主要有兩種:一是從非線性負載(如電機)本身入手;由于不恰當的操作、接觸器的接觸不良、炭刷不干凈等原因,都會產生數倍于正常運轉時的干擾情況,為了減少干擾,應當保證接觸器的接觸可靠、開關動作的正常和觸頭的壓力,還要保持炭刷和換向器的干凈,保證炭刷本身的質量和換向器的光潔度;同時保證炭刷對換向器有適當的壓力;最后還要使機座的固定可靠,避免機械運轉時引起的運轉不穩。 其二則是采用必要的電氣濾波方式,其電路連接如圖2所示。
圖2 負載的電器濾波電路
該電路的目的是為干擾電勢提供一個低阻抗的通路,以抑制干擾值。圖2中,C1為電感成分較小的電容,一般為幾十至幾百納法;C2選穿心電容,一般為1~4.7 nF。增加該電容的目的是為了抑制噪聲,但電容的安裝位置不同,以甚高頻段的干擾抑制效果會有很大變化,所以,安裝時要特別注意電容的接地外殼應與電動機座或金屬外殼的最短連接。同時應在連線時使電容器的輸入、輸出部分的電磁耦合盡可能地減少。
此外,還有一組典型的△形干擾抑制器電路,可同時抑制對稱和不對稱干擾。其具體電路如圖3所示。
圖3 Δ形干擾抑制電路
線路干擾
線路干擾的干擾源主要來自外界電磁場在導線上感應出的電壓,電源線上其它電器發射的和感性負載通斷造成的干擾,以及浪涌(雷擊)產生的干擾等。
a 電磁場在電纜上的感應
電磁場在導線中感應出的電壓一般是共模電壓,而負載上的電壓則以系統中的公共導體或大地為參考點。一般以系統中的參考地線面為參考點。對于多芯電纜來說,這意味著電纜中的所有導體都暴露在同一個場中,它們上面所感應的電壓取決于每根導體與參考點之間的阻抗。抑制干擾的方法可以使用共模移值法,其原理圖如圖4所示。
圖4共模移值干擾抑制電路
圖4中共模扼流圈的特殊繞制方法決定了它僅對共模電流有抑制作用,而對電路工作所需要的差模電流沒有影響。因此,共模扼流圈是解決共模干擾的理想器件。理想的共模扼流圈的低頻共模抑制作用較小,而隨著頻率的升高,抑制效果增加。這與平衡電路低頻共模抑制比高,隨著頻率升高平衡性變差,共模抑制比降低的特性正好相反,因此它們具有互補性。所以,在平衡電路中使用共模扼流圈后,電路可在較寬的頻率范圍內保持較高的共模抑制比。
b 浪涌干擾
浪涌是指電源電壓和電流的變動,負載開關的閉合、自然界的雷擊都可能引起浪涌,且其危害較大,有時可能引起振蕩甚至燒壞整個系統。家用電器一般不會直接受到雷電的干擾,大多是通過傳導線路中的感應電流或電壓引起的騷擾。良好的接地是解決這一干擾的有效手段。
防止浪涌干擾的常用器件有氣體放電管、金屬氧化物壓敏電阻(MOVS)和硅瞬變吸收二級管(TVS)。圖5所示是采用TVS的浪涌抑制電路。
圖5 采用TVS的浪涌抑制電路
結束語
電磁兼容是家電的一個重要衡量標準參數。由于家電的種類繁多,結構復雜,因此,對其共性技術的研究極為重要。本文對家電共有部件的EMC進行了分析。這些分析對于其他的小家電的電磁兼容研究也具有一定的實際意義。




