【導讀】在多輸入多輸出(MIMO)無線通信系統中,確保多個收發器共享一個高精度、低噪聲的參考時鐘,是保障系統整體性能(如低誤差矢量幅度EVM)的關鍵。時鐘信號在分配過程中,任何負載不匹配或信號串擾都可能導致同步失效。MAX2470與MAX2471緩沖放大器,憑借其高反向隔離度、靈活的負載驅動能力及低成本特性,為此提供了高效的解決方案。
在多輸入多輸出(MIMO)無線通信系統中,確保多個收發器共享一個高精度、低噪聲的參考時鐘,是保障系統整體性能(如低誤差矢量幅度EVM)的關鍵。時鐘信號在分配過程中,任何負載不匹配或信號串擾都可能導致同步失效。MAX2470與MAX2471緩沖放大器,憑借其高反向隔離度、靈活的負載驅動能力及低成本特性,為此提供了高效的解決方案。

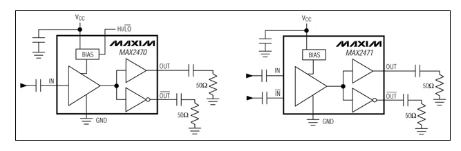
圖1. MAX2470、MAX2471結構框圖
1.1 核心特性:不止于緩沖
MAX2470/MAX2471的核心價值在于它們作為 “信號橋梁” 的穩定性。

1.2 實戰MIMO時鐘分配:架構與要點
在MIMO系統中,一個參考時鐘源需要驅動多個物理上分離的收發器。
典型應用架構:參考時鐘源首先接入MAX2470的輸入端。由于其兩個輸出信號存在180°相位差,不能同時用于驅動MIMO系統中的不同收發器。標準的做法是:將其中一個輸出端用50Ω電阻進行端接,另一個輸出則分配給系統中的各個收發器。
功率考量:設計時必須注意,當使用50Ω負載時,MAX2470的輸出功率通常應設置為-5dBm或更低。工程師需要計算并驗證分配到每個收發器的信號功率,確保滿足其最小參考電平要求。
1.3 實現最佳性能:PCB布局與電源濾波
再優秀的芯片也離不開精心的電路板設計,尤其是在高頻應用場景。
總結
MAX2470與MAX2471通過提供高反向隔離、靈活的負載驅動能力及穩定的差分輸出,有效解決了MIMO系統中參考時鐘分配的關鍵難題,確保了多收發器的同步性能。結合正確的電路匹配與嚴謹的PCB布局,它們是實現高效、可靠MIMO射頻系統設計的優選器件。
推薦閱讀:
創新強基,智造賦能:超600家企業齊聚!第106屆中國電子展打造行業盛宴







