【導讀】隨著設計需求越來越具有挑戰性,尤其是在數據中心和AI等低電壓、大電流應用領域,電壓調節器(VRS)的性能改進非常重要。一種可能的性能改進是使用耦合電感,但最近業界提出了一種類似的方法,那就是跨電感電壓調節器(TLVR)。TLVR的原理圖來自耦合電感模型,但物理行為不同。事實上,耦合電感的簡單模型通常是可以輕松用于仿真以實現正確波形的東西,但它與實際物理行為并不對應。另一方面,TLVR幾乎是由原理圖所示的元件構建,因此在這種情況下,仿真模型更接近實際系統的物理行為。
隨著設計需求越來越具有挑戰性,尤其是在數據中心和AI等低電壓、大電流應用領域,電壓調節器(VRS)的性能改進非常重要。一種可能的性能改進是使用耦合電感,但最近業界提出了一種類似的方法,那就是跨電感電壓調節器(TLVR)。TLVR的原理圖來自耦合電感模型,但物理行為不同。事實上,耦合電感的簡單模型通常是可以輕松用于仿真以實現正確波形的東西,但它與實際物理行為并不對應。另一方面,TLVR幾乎是由原理圖所示的元件構建,因此在這種情況下,仿真模型更接近實際系統的物理行為。
TLVR是一個相對較新的開發,具體細節和特性仍在研究當中。本文重點討論TLVR的瞬態行為,它會影響TLVR設計本身的隔離要求,以及整個母板的隔離和安全考量。
TLVR和瞬態
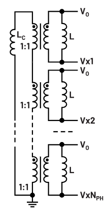
多相降壓調節器使用來自的TLVR原理圖,如圖1所示。雖然主電感繞組仍然連接在相位和VO的開關節點之間,但添加的輔助繞組彼此串聯電連接,并連接到調諧電感LC。若移除LC,電路就又回到降壓轉換器中只有分立(未耦合)電感的情況。若LC輸出短路,則各相之間的關聯度最強,瞬變性能也最快,但這也會影響電流波形和電流紋波的一般幅度。實際上,LC通常是這兩種極端情況的折衷選擇。

圖1. TLVR原理圖
與任何多相降壓轉換器一樣,當快速瞬變負載階躍到達時,輸出電壓的變化導致反饋作出反應,相應地調整電壓和電流。對于TLVR,一個潛在問題是所有輔助繞組都是串聯連接,與主繞組的變壓器匝數比通常是1:1。TLVR主繞組上有以開關頻率施加的方波,理想情況下不同相位之間存在時間上的相移。但在瞬變期間,這些相位通常會對齊以提高性能。
考慮一個12V轉1.8V應用中的激進地負載瞬態,所有相位中的所有高端FET都導通以使電感電流盡可能快速地上升,因此(VIN - VO) = 10.2V電壓同時應用于所有主繞組,如圖2所示。實際波形將取決于電路參數,但在最壞情況下,1:1變壓器會在其副邊生成10.2V電壓,因此副邊的電壓脈沖將是(VIN - VO) × NPH。這顯然是一個安全擔憂。圖2對于150nH值的TLVR給出了實際值,主繞組和輔助繞組之間的小型漏電感測量值為5nH。圖中還顯示了LC值為160nH。此LS值在NPH~6的典型范圍內,但可以調整,特別是針對不同數量的關聯相位。

圖2. TLVR = 150nH的等效原理圖,最壞情況下的加載瞬態

圖3. TLVR最壞情況瞬態仿真:a) LC = 160nH,b) LC 開路,NPH = 20
圖3顯示了NPH = 20的仿真,所有VX開關節點具有10.2V的100ns脈沖:圖3a中LC = 160nH,圖3b中LC = 開路。圖中繪制了所有副邊TLVR電壓曲線,以顯示繞組的串聯連接如何逐步提升電壓。當LC = 160nH且加載20個關聯相位的副邊繞組時,電路板上的電壓達到約123V。但在LC斷開連接的情況下,電壓步進可以高達197V,因為副邊無負載。總電壓更接近最壞情況(VIN - VO) × NPH。
然而,圖3中的結果仍然過于樂觀。實際上,圖3中的簡化仿真至少需要加上GND層與連接副邊TLVR繞組的相當寬走線之間的寄生電容。這些寄生電容的實際估計值在5pF左右。如圖4所示給每個TLVR副邊節點加上5pF電容,得到圖5所示的仿真。添加的寄生電容在高Q值電路中引起大量振蕩,因為出于效率和瞬態考慮,電阻保持最小值。相同的NPH = 20情況顯示:當存在LC = 160nH時,電壓峰值為239V;如果LC從電路板斷開,峰值電壓為390V。
請注意,布局寄生電容的值并不重要——它只影響振蕩的頻率和包絡,但不影響幅度。

圖4. 布局電容被添加到TLVR等效瞬態原理圖中
至少有兩種方法可減輕這種高壓問題。一種是確保各相位在瞬態期間不對齊,或者對齊相位不超過2到3個。控制器設計可以考慮這種方法,但很顯然,它會限制瞬態響應可達到的速度。另一種方法是限制TLVR關聯相位的數量。但是,鑒于NPH需要足夠高以便約束電流紋波,同時NPH也需要足夠低以便限制最壞情況下的副邊電壓,因此這種方法的實際限值是多少?

圖5. TLVR最壞情況瞬態仿真,每個副邊節點添加5pF電容:a) LC = 160nH,b) LC開路,NPH = 20
關聯NPH的考慮事項
TLVR中電流紋波的一個推導式如所示。它對任何占空比值都有效,但由于等效電路為該推導式進行了簡化(各TLVR中沒有專用漏電感LK作為一個單獨元件),它對于LC = 開路是準確的,但隨后便開始累積誤差,當LC = 短路時誤差達到無窮大。它還假設TLVR漏電感LK<

圖6. 不同NPH的計算歸一化電流紋波與VO的關系(VIN = 12V):a) 耦合電感(LM/LK = 5),b) TLVR = 150nH (LC = 120nH)
圖7顯示了TLVR = 150nH和不同LC值下作為關聯TLVR相位的函數的電流紋波。LC值越低,引入的誤差越大,但趨勢非常清晰;降低NPH或降低LC會導致電流波紋增加。請注意,TLVR始終具有比基線分立電感(LC = 開路)更大的紋波。假設LC值足夠大,可以得出結論,為使電流紋波影響受控,關聯相位的最小數量應在NPH_min~1/D左右,參見公式(1)。換句話說,NPH至少應提高到電流紋波曲線的第一陷波;在這里,不同相位的占空比接近重疊。


圖7. 不同LC 下TLVR = 150nH的計算電流紋波與關聯NPH的關系(VIN = 12V,VO = 1.8V,fS = 400kHz)
另一個結論是,VO越低,則所需的最低關聯相位數量越多,因為NPH_min = VIN/VO。對于VIN = 12V且VO = 1.8V,TLVR解決方案大約需要NPH_min~6,而對于VO = 0.8V,大約需要NPH_min~15,參見圖8。當然,如果對電流紋波有額外的影響,并且可以容忍效率的降低,那么更少數量的NPH也是可以接受的。請注意,為了一致性,圖8是針對相同的TLVR = 150nH和相同的LC值繪制的,與VO = 1.8V情況相同。這導致電流波紋較小。但是,降低的VO會使瞬態性能更差,因此TLVR解決方案很有可能會調整以改善瞬態,導致電流波紋增加。
假設在12V轉1.8V應用中,關聯NPH = 6為目標的話可使TLVR電流紋波保持較低水平。圖9顯示了原邊上所有相位都有100ns脈沖時的最壞情況下的副邊TLVR電壓(VIN - VO)。當存在LC = 120nH時,副邊電壓可以達到77V。如果LC從PCB斷開,則無負載的副邊電壓可以振蕩幅度達到113V。

圖8. 不同LC 下TLVR = 150nH的計算電流紋波與關聯NPH的關系。VIN = 12V,VO = 0.8V,fS = 400kHz

圖9. TLVR最壞情況瞬態仿真,每個副邊節點添加5pF電容:a) LC = 120nH,b) LC 開路,NPH = 6
對最壞情況副邊TLVR電壓的粗略估計如式(2)所示,其中2x乘數來自振蕩而不是脈沖波形。

TLVR內部泄漏使此電壓峰值略微降低,但在設計保證下該泄漏一般較小。相應地,對于NPH = 20,估算VPEAK為408V;對于NPH = 6,估算電壓峰值為122V,而仿真結果分別為377V(圖5b)和113V(圖8b)。
為使最壞情況下副邊電壓低于期望的最小VPEAK,估算的NPH_max大致如式(3)所示。假設PCB的額定最大值限制為60V,則對于12V轉1.8V應用,NPH_max < 2.9;對于12V轉0.8V應用,NPH_max < 2.6。這會給約束電流紋波帶來問題,因為對于VO = 1.8V,NPH_min = 6;對于VO = 0.8V,NPH_min = 15。如果安全額定值需要足夠低的電壓限值,那么在實際應用中,似乎會發生額外電流紋波增加的現象,因此預期會有更明顯的效率影響。

圖10顯示了NPH_min(效率)和NPH_max(安全)與VO的關系,假設安全額定值為VPEAK = 60V且VIN = 12V。NPH_min和NPH_max之間的可能解決辦法僅存在于VO = 3.5V以上,而在較低電壓時,由于安全問題,NPH_MAX會覆蓋它,導致電流紋波較高且和相關效率受影響。

圖10. NPH_min(效率)和NPH_max(安全)與VO的關系,假設VIN = 12V,安全額定值VPEAK = 60V
當然,如果降低NPH,這也會導致外加調諧電感LC的總數增加,因為每個關聯繞組都需要一個。
結論
TLVR方法是對分立電感方案的改進,但它主要改善瞬態,同時會產生電流紋波,因此使效率變差。為使電流紋波影響受控,建議關聯NPH_min > VIN/VO。從安全角度來看,如果期望PCB上的最壞情況電壓為VPEAK限值,那么關聯的相位數需要不超過NPH_max < VPEAK/((VIN - VO) × 2)。安全標準一般會超越電流紋波考慮,因此預期TLVR方法的電流紋波和效率會受影響。
解決高壓問題的另一種可能性是確保控制器對齊的相位數永遠不超過根據上述NPH_max確定的最大數量(60V限值最多為2到3個相位,等等)。這種方法的挑戰在于,它會限制系統瞬態性能可以達到的響應速度。還應考慮穩態操作時過多相位重疊。
本文轉載自:亞德諾半導體
免責聲明:本文為轉載文章,轉載此文目的在于傳遞更多信息,版權歸原作者所有。本文所用視頻、圖片、文字如涉及作品版權問題,請聯系小編進行處理。
推薦閱讀:



