【導讀】全差分放大器在高速信號處理中使用很廣,本篇將介紹全差分放大器與通用放大器的區別,以及通過LTspice仿真全差分放大器工作方式,重點討論全差分放大器電路的輸入端配置設計,并推薦一款軟件解決設計痛點,高效實現全差分放大器輸入端配置與噪聲評估。
全差分放大器在高速信號處理中使用很廣,本篇將介紹全差分放大器與通用放大器的區別,以及通過LTspice仿真全差分放大器工作方式,重點討論全差分放大器電路的輸入端配置設計,并推薦一款軟件解決設計痛點,高效實現全差分放大器輸入端配置與噪聲評估。
1 全差分放大器特點與仿真
如圖3.31(a),通用放大器具有一組差分輸入端(正輸入、負輸入),一個以系統地為參考的輸出端,以及兩個電源輸入端,連接到供電系統,電源端通常在電路符號中隱藏。
如圖3.31(b),全差分放大器不同點在于增加第二個輸出端,形成差分輸出的操作方式。增加輸出共模電壓參考端,方便配置輸出信號的偏置電壓范圍。

圖3.31 通用放大器與全差分放大器符號
全差分放大工作電路如圖3.32,每個輸出端使用一個反饋電阻Rf,構建2組反饋回路。每個輸入端使用一個Rg作為差分輸入電阻,在電路工作過程中與通用放大電路相比,具有以下特點:

圖3.32 全差分放大器工作電路
(1)全差分放大電路增益為Rf與Rg的比值。
(2)全差分放大器的輸入端電壓(Vin+,Vin-)相互跟隨。
(3)全差分放大器的輸出范圍擴展一倍。
(4)全差分放大器兩個輸出端(Vout+,Vout-)的交流信號頻率相同,幅值相等,相位相差180°,所以輸出信號的偶次諧波可以抵消,降低輸出信號失真。
(5)全差分放大器兩個輸出端直流信號的平均值近似等于Vocm,但不是絕對相等。二者之間存在的差值定義為輸出共模失調電壓Vos,CM。如圖3.33,在25℃環境中,供電電壓為10V時,ADA4945的輸出共模失調電壓典型值為±5mV,最大值為±60mV。
(6)為評估全差分放大器的輸出差分信號的幅度匹配,相位偏離180°的程度。引入平衡的概念,等于輸出共模電壓值除以輸出差模電壓值,如式3-13。

圖3.33 ADA4945的Vocm特性
如圖3.34,為ADA4945全差分放大器的信號調理電路,工作電源為±5V,輸出共模電壓設置為2.5V,兩組輸入信號的共模電壓為1V,差模信號幅值為±50mV,電阻誤差為1%。

圖3.34 ADA4945工作電路
仿真結果如圖3.35,信號源V(in+),V(in-)分別提供具有1V直流偏置,峰峰值為100mV 相位相差180°,頻率為20KHz的正弦波。ADA4945輸出信號V(vop),V(von)分別是以接近輸出共模電壓Vocm為共模信號,峰峰值為100mV,相位相差180°,頻率為20KHz的正弦波。輸出信號V(vop),V(von)的共模信號與所配置的輸出共模電壓Vocm之間存在輸出共模失調電壓為46.67mV。ADA4945的兩個輸入引腳電壓緊密跟隨電壓V(vip)、V(vin)之差為0V。ADA4945輸出的差模信號是峰峰值為200mV,頻率為20KHz的正弦波。

圖3.35 ADA4945工作仿真結果
2 全差分放大電路輸入端配置
全差分放大電路設計中,輸入接口的匹配需要謹慎分析,尤其單端信號輸入情況的分析步驟十分復雜。主要體現在單端輸入信號的內阻,和匹配的特征電阻對電路閉環增益的影響,計算過程需要多次迭代。
(1)差分信號輸入結構
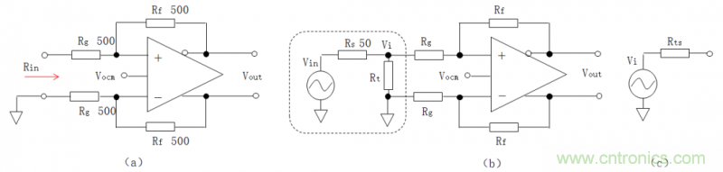
如圖3.36(a)差分輸入結構,在傳輸信號較長的電路中,需要使用一個匹配電阻Rt并聯在輸入端,達到電路預期的特征阻抗RL_dm。如圖3.36(b),匹配電阻的阻值,如式3-14。
其中,Rin_dm為電路差模輸入阻抗,由于全差分放大器的兩個輸入端近似短路輸入阻抗為2倍Rg。RL_dm為輸入端預期的差模特征電阻。
當Rf與Rg為500Ω,輸入端期望差模阻抗為100Ω時,代入式3-14計算匹配電阻Rt為111Ω。

圖3.36差分輸入結構的匹配電路
(2)單端信號輸入結構
如圖3.37(a)為單端信號輸入的全差分電路,電阻Rg、Rf均為500Ω,電路預期增益為1倍。使用峰峰值為1V的單端信號Vin連接到端口,輸入阻抗Rin為Rg、Rf、Rf并聯阻抗與Rg之和,即:

如圖3.37(b),信號源Vin的內阻Rs為50Ω時,需要的匹配電阻Rt的阻值為:


圖3.37 單端輸入信號的全差分電路
如圖3.37(b),信號源Vin會在內阻Rs與匹配電阻Rt產生分壓Vi,使用戴維南定律將輸入信號源Vin等效為具有內阻為Rts的信號源Vi,如圖3.37(c)。其中Rts值為Rs與Rt的并聯值。示例中Rts為25.96Ω,Vi為519.23mV。
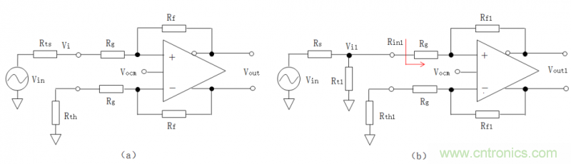
再將等效信號源Vi代入圖3.37(b)。為保證差分輸入端阻抗相等,在同相輸入端增加電阻Rth,阻值與Rts相同,得到電路3.38(a),此時該電路的輸出差模電壓為:

計算結果與1V的期望輸出電壓Vout_ideal存在差異,需要對Rf進行調整改變增益,即修正Rf值為:
使用Rf1值替換Rf值,并恢復為戴維南等效前的電路,得到最終電路架構,如圖3.38(b)。由于Rf值從500Ω修正為1.012KΩ,所以電路輸入電阻Rin發生變換,重新迭代上述計算過程,Rin修正值Rin1為705.6Ω,Rt修正值Rt1為53.56Ω,Rts、Rth修正值Rts1、Rth1為25.86Ω,所產生新電壓源Vi1為517.188mV,使用修正后參數電路的輸出電壓Vout1為:


圖3.38 單端輸入匹配等效電路
計算結果0.99531V接近預期輸出電壓1V。在單端信號輸入的全差分放大電路中,預期增益為1倍、2倍時,迭代一次獲得的參數能夠接近預期結果。而高增益電路設計的計算量十分巨大,所以推薦一款ADI全差分放大器參數配置軟件“ADI DiffAmpCalc™”。
如圖3.39,安裝工具之后,通過“▼”選擇所需型號ADA4945,在“Resister Tolerance” 項選擇電阻精度為E96,在“Topology”項選擇輸入方式為“Terminate”,然后配置電路增益為1,設置電阻Rg為499Ω,輸入信號峰峰值為1V,信號源阻抗為50Ω,工具將自動計算Rtp為53.6Ω,反相輸入匹配源電阻值為25.8Ω,與上述理論計算值接近。

如圖3.39ADI DiffAmpCalc™工具配置ADA4945參數
3 全差分放大電路噪聲評估
全差分放大電路的噪聲分析相比增益配置更為復雜。如圖3.40為ADA4945-1的差分電路噪聲模型,包括折算到輸入端的電壓噪聲VnIN,電流噪聲inIN-和inIN+(假定相等),通過增益電阻和反饋電阻的并聯組合產生噪聲電壓。VnCM是VOCM引腳的噪聲電壓密度。每個電阻產生的噪聲。

圖3.40 ADA4945電路噪聲模型
全差分放大器的輸入端所用噪聲種類,折算到輸出端噪聲的關系,如圖3.41。
其中,噪聲增益Gn為式3-15。
反饋因子β1為式3-16,β2為式3-17。

當RF1與RF2,RG1 與RG2完全匹配,β1與β2相同,設為β,代入式3-15整理得到式3-18。
此時VOCM輸出噪聲變為零。總輸出噪聲VnOD是各輸出噪聲項的均方根之和,如式3-19。

圖3.41ADA4945電路噪聲電壓密度
然而,全差分放大電路的噪聲分析并非獨立參數計算,它會涉及增益的調整,增益電阻、反饋電阻的調整,這些調整還會影響電路功耗,計算過程需要大量迭代,由此產生的計算工作量是驚人的。如圖3.42所示配置相比圖3.37的配置,噪聲RMS值下降34.9uV,但功耗卻增加27mW。

圖3.42 ADA4945電路配置Rg為200增益為1的噪聲計算結果
綜上,在全差分放大器的設計與評估中,建議大家有輔助工具的優先使用輔助工具進行評估。筆者在這里曾走過彎路,2011年從事研發時,在一個高速采集板卡中使用ADA4932設計三級放大電路,包括單端轉差分增益5倍,全差分增益2倍,全差分增益1倍。尤其是單端轉差分5倍增益的電路輸入端配置設計,通過幾天計算出多組數據準備評估,洋洋得意的坐在試驗臺前準備驗證的時候,突然察覺在迭代過程中忽略選取標準電阻的阻值,這些計算的結果只能通過電阻拼接實現,一股熱血瞬間涌向天門穴,內心千萬頭神獸奔騰而過,深切領悟人和動物的本質區別是要制造和使用工具啊!所以,再次建議使用ADI DiffAmpCalc™工具。
免責聲明:本文為轉載文章,轉載此文目的在于傳遞更多信息,版權歸原作者所有。本文所用視頻、圖片、文字如涉及作品版權問題,請電話或者郵箱聯系小編進行侵刪。




