【導讀】半導體技術的進步推動了相控陣天線在整個行業的普及。早在幾年前,防務應用中已經開始出現從機械轉向天線到有源電子掃描天線 (AESA) 的轉變,但直到最近,才在衛星通信和5G通信中取得快速發展。小型AESA具有多項優勢,包括能夠快速轉向、生成多種輻射模式、具備更高的可靠性;但是,在IC技術取得重大進展之前,這些天線都無法廣泛使用。平面相控陣需要采用高度集成、低功耗、高效率的設備,以便用戶將這些組件安裝在天線陣列之后,同時將發熱保持在可接受的水平。本文將簡要描述相控陣芯片組的發展如何推動平面相控陣天線的實現,并采用示例輔助解釋和說明。
在過去幾年里,我們在非常重視方向性的場合廣泛使用拋物線碟形天線來發射和接收信號。其中許多系統表現出色,在經過多年優化之后保持了相對較低的成本。但這些機械轉向碟形天線存在一些缺點。它們體積龐大,操作緩慢,長期可靠性較差,而且只能提供一種所需的輻射模式或數據流。
相控陣天線采用電信號轉向機制,具有諸多優點,例如高度低,體積小、更好的長期可靠性、快速轉向、多波束等。相控陣天線設計的一個關鍵方面是天線元件的間隔。大部分陣列都需要大約半個波長的元件間隔,因此在更高頻率下需要更復雜的設計,由此推動IC在更高頻率下,實現更高程度的集成,越加先進的封裝解決方案。
人們對將相控陣天線技術應用于各種應用領域產生了濃厚的興趣。但是,受限于目前可用的IC,工程師無法讓相控陣天線成為現實。近期開發的IC芯片組成功解決了這一問題。半導體技術正朝著先進的硅IC方向發展,這讓我們可以將數字控制、存儲器和RF晶體管組合到同一個IC中。此外,氮化鎵 (GaN) 顯著提高了功率放大器的功率密度,可以幫助大幅減小占位面積。
相控陣技術
在行業向體積和重量更小的小型陣列轉變期間,IC起到了重大的推動作用。傳統的電路板結構基本使用小型PCB板,其上的電子元件垂直饋入天線PCB的背面。在過去的20年中,這種方法不斷改進,以持續減小電路板的尺寸,從而減小天線的深度。下一代設計從這種板結構轉向平板式方法,平板設計大大減小了天線的深度,使它們能更容易地裝入便攜應用或機載應用當中。要實現更小的尺寸,需要每個IC足夠程度的集成,以便將它們裝入天線背面。
在平面陣列設計中,天線背面可用于IC的空間受到天線元件間距的限制。舉例來說,在高達60°的掃描角度下,要防止出現光柵波瓣,最大天線元件間隔需要達到0.54 λ。圖1顯示了最大元件間距(英寸)和頻率的關系。隨著頻率提高,元件之間的間隔變得非常小,由此擠占了天線背后組件所需的空間。

圖1. 阻止在偏離瞄準線60°時產生光柵波瓣的天線元件間隔。
在圖2中,左圖展示了PCB頂部的金色貼片天線元件,右圖顯示了PCB底部的天線模擬前端。在這些設計中,在其他層上部署變頻級和分配網絡也是非常典型的。很明顯可以看出,采用更多集成IC可以大幅降低在所需空間內部署天線設計的難度。在我們將更多電子元件封裝到更小尺寸內,使得天線尺寸減小之后,我們需要采用新的半導體和封裝技術,讓解決方案變得可行。

圖2. 平面陣列,圖中所示為PCB頂部的天線貼片,IC則位于天線PCB的背面。
半導體技術和封裝
圖3中顯示了作為相控陣天線構建模塊的微波和毫米波 (mmW) IC組件。在波束成型部分,衰減器調整每個天線元件的功率電平,以減少天線方向圖中的柵瓣。移相器調整每個天線元件的相位以引導天線主波束,并且使用開關在發射器和接收器路徑之間切換。在前端IC部分,使用功率放大器來發射信號,使用低噪聲放大器來接收信號,最后,使用另一個開關在發射器和接收器之間進行切換。在過去的配置中,每個IC都作為獨立的封裝器件提供。更先進的解決方案使用集成單芯片單通道砷化鎵 (GaAs) IC來實現這一功能。對于大部分陣列,在波束成型器之前都配有無源RF組合器網絡、接收器/激勵器和信號處理器,這一點圖中未顯示。

圖3. 相控陣天線的典型RF前端。
相控陣天線技術近年來的普及離不開半導體技術發展的推動。SiGe BiCMOS、絕緣體上硅 (SOI) 和體CMOS中的高級節點將數字和RF電路合并到一起。這些IC可以執行陣列中的數字任務,以及控制RF信號路徑,以實現所需的相位和幅度調整。如今,我們已經可以實現多通道波束成型IC,此類IC可在4通道配置中調整增益和相位,最多可支持32個通道,可用于毫米波設計。在一些低功耗示例中,基于硅的IC有可能為上述所有功能提供單芯片解決方案。在高功率應用中,基于氮化鎵的功率放大器顯著提高了功率密度,可以安裝到相控陣天線的單元構件中。這些放大器傳統上一般使用基于行波管 (TWT) 的技術或基于相對低功耗的GaAs的IC。
在機載應用中,我們看到了平板架構日益盛行的趨勢,因為其同時具有GaN技術的功率附加效率 (PAE) 優勢。GaN還使大型地基雷達能夠從由TWT驅動的碟形天線轉向由固態GaN IC驅動、基于相控陣的天線技術。我們目前能使用單芯片GaN IC,這類IC能提供超過100 W的功率,PAE超過50%。將這種效率水平與雷達應用的低占空比相結合,可以實現表貼解決方案,以散除外殼基座中產生的熱量。這些表貼式功率放大器大大減小了天線陣列的尺寸、重量和成本。在GaN的純功率能力以外,與現有GaAs IC解決方案相比的額外好處是尺寸減小了。舉例來說,相比基于GaAs的放大器,X波段上6 W至8 W的基于GaN的功率放大器占位面積可減少50%或以上。在將這些電子器件裝配到相控陣天線的單元構件中時,這種占位面積的減小有著顯著的意義。
封裝技術的發展也大大降低了平面天線架構的成本。高可靠性設計可能使用鍍金氣密外殼,芯片和線纜在其內部互連。這些外殼在極端環境下更堅固,但體積大,且成本高昂。多芯片模塊(MCM) 將多個MMIC器件和無源器件集成到成本相對較低的表貼封裝中。MCM仍然允許混合使用半導體技術,以便最大化每個器件的性能,同時大幅節省空間。例如,前端IC中可能包含PA、LNA和T/R開關。封裝基座中的熱通孔或固體銅廢料被用于散熱。為了節省成本,許多商業、防務和航空航天應用都開始使用成本更低的表貼封裝選項。
相控陣波束成型IC
集成式模擬波束成型IC一般被稱為核心芯片,旨在為包括雷達、衛星通信和5G通信在內的廣泛應用提供支持。這些芯片的主要功能是準確設置每個通道的相對增益和相位,以在天線主波束所需的方向增加信號。該波束成型IC專為模擬相控陣應用或混合陣列架構而開發,混合陣列架構將一些數字波束成型技術與模擬波束成型技術結合起來。
ADAR1000 X-/Ku波段波束成型IC是一款4通道器件,覆蓋頻段為8 GHz至16 GHz,采用時分雙工 (TDD) 模式,其發射器和接收器集成在一個IC當中。在接收模式下,輸入信號通過四個接收通道并組合在通用RF_IO引腳中。在發射模式,RF_IO輸入信號被分解并通過四個發射通道。功能框圖如圖4所示。

圖4. ADAR1000功能框圖。
簡單的4線式串行端口接口 (SPI) 可以控制所有片內寄存器。兩個地址引腳可對同一串行線纜上的最多四個器件進行SPI控制。專用發射和接收引腳可同步同一陣列中的所有內核芯片,且單引腳可控制發射和接收模式之間的快速切換。這款4通道IC采用7 mm×7 mm QFN表貼封裝,可輕松集成到平板陣列當中。高度集成,再加上小型封裝,可以解決通道數量較多的相控陣架構中一些尺寸、重量和功率挑戰。此器件在發射模式下功耗僅為 240 mW/通道,在接收模式下功耗僅為160 mW/通道。
發射和接收通道直接可用,在外部設計上可以與前端IC配合使用。圖5顯示了器件的增益和相位圖。具有全360°相位覆蓋,可以實現小于2.8°的相位步長和優于30 dB的增益調整。ADAR1000集成片上存儲器,可存儲多達121個波束狀態,其中一個狀態包含整個IC的所有相位和增益設置。發射器提供大約19 dB的增益和15 dBm的飽和功率,其中接收增益約為14 dB。另一個關鍵指標是增益設置內的相位變化,在20 dB范圍內約為3°。同樣,在整個360°相位覆蓋范圍內,相位的增益變化約為0.25 dB,緩解了校準難題。

圖5. ADAR1000發射增益/回波損耗和相位/增益控制,其中頻率 = 11.5 GHz。
前端IC ADTR1107是ADAR1000波束成型芯片的補充。ADTR1107是一款緊湊型的6 GHz至18 GHz前端IC,包含集成式功率放大器、低噪聲放大器 (LNA),以及一個反射性的單刀雙擲 (SPDT) 開關。功能框圖如圖6所示。

圖6. ADTR1107功能框圖。
這款前端IC在發射狀態下提供25 dBm飽和輸出功率 (PSAT) 和22 dB小信號增益,在接收狀態下提供18 dB小信號增益和2.5 dB噪聲系數(包括T/R開關)。該器件配有雙向耦合器,用于檢測功率。輸入/輸出 (I/O) 內部匹配至50 Ω。ADTR1107采用5 mm × 5 mm、24引腳基板柵格陣列 (LGA) 封裝。ADTR1107的發射和接收增益及回波損耗如圖7所示。

圖7. ADTR1107的發射增益/回波損耗和接收增益/回波損耗。
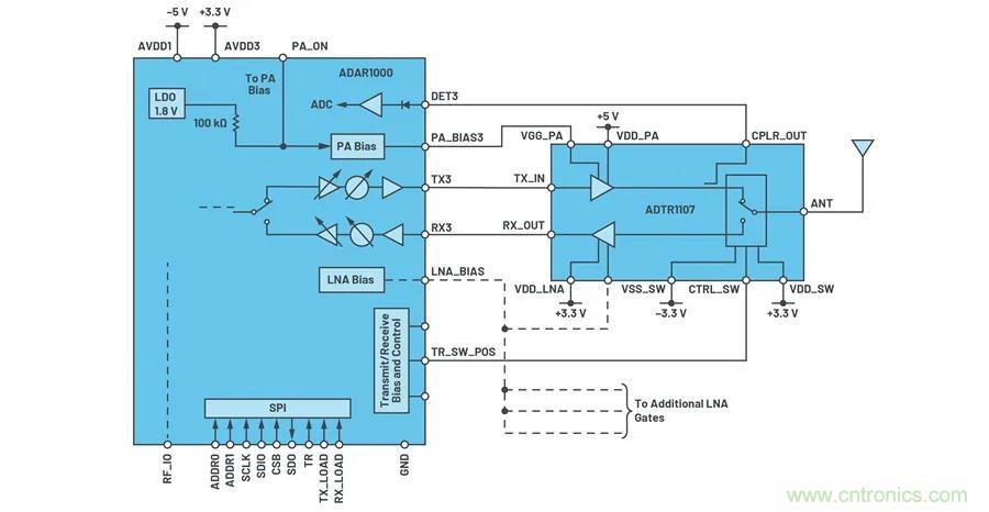
ADTR1107專用于和ADAR1000輕松集成。接口原理圖見圖8。四個ADTR1107 IC由一個ADAR1000內核芯片驅動。出于簡單考慮,圖上只顯示其中一個ADTR1107 IC的連接。

圖8. 將ADTR1107前端IC與ADAR1000 X波段和Ku波段波束成型器連接。
ADAR1000提供所需的所有柵級偏置和控制信號,使其與前端IC無縫連接。雖然ADTR1107 LNA柵級電壓自偏置,我們也可以從ADAR1000控制電壓。ADTR1107功率放大器的柵級電壓也由ADAR1000 提供。由于1個ADAR1000驅動4個ADTR1107,所以偏置功率放大器電壓需要4個獨立的負極柵級電壓。每個電壓都由一個8位數模轉換器 (DAC) 設置。此電壓可由ADAR1000 TR輸入或串行外設接口寫入置位。置位ADAR1000 TR引腳會在接收和發射模式之間切換ADAR1000的極性。TR_SW_POS引腳可以驅動多達4個開關的柵級,且可用于控制ADTR1107 SPDT開關。
ADTR1107 CPLR_OUT耦合器輸出可以與4個ADAR1000 RF檢波器輸入(圖4中的DET1至DET4)中的一個回連,以測量發射輸出功率。這些基于二極管的RF檢波器的輸入范圍為−20 dBm至+10 dBm。ADTR1107定向耦合器的耦合系數從6 GHz時的28 dB到18 GHz時的18 dB。
可以通過ADAR1000驅動的柵級電壓實現ADTR1107脈沖,同時保持漏極恒定。相比通過漏極脈沖,這種方法更優化,因為這會用到高功率MOSFET開關和柵級驅動器器件與柵級開關,后者采用低電流。還應注意,在發射模式下ADAR1000提供足夠功率會令ADTR1107飽和,在天線短路時ADTR1107可以承受總反射功率。
在發射和接收模式下,ADTR1107和ADAR1000在8 GHz至16 GHz頻率范圍內的組合性能如圖9所示。在發射模式下,它們提供約40 dB增益和26 dBm飽和功率,在接收模式下,則提供約2.9 dB噪聲系數和25 dB增益。

圖9. 與ADAR1000(單通道)耦合的ADTR1107的發射和接收性能。
圖10所示為4個ADAR1000芯片驅動16個ADTR1107芯片。簡單的四線式SPI控制所有片內寄存器。兩個地址引腳可對同一串行線纜上的最多四個ADAR1000芯片進行SPI控制。專用發射和接收負載引腳也可同步同一陣列中的所有內核芯片,且單引腳可控制發射和接收模式之間的快速切換。


圖10. 4個ADAR1000芯片驅動16個ADTR1107芯片。
收發器芯片組和其他配套產品
高度集成的射頻收發器芯片可以提升天線層面的集成。ADRV9009 就是這種芯片一個很好的例子。它提供雙發射器和接收器、集成式頻率合成器和數字信號處理功能。該器件采用先進的直接轉換接收器,具有高動態范圍、寬帶寬、錯誤校準和數字濾波功能。還集成了多種輔助功能,比如模數轉換器 (ADC) 和數模轉換器 (DAC),以及用于功率放大器的通用輸入/輸出以及RF前端控制。高性能鎖相環可同時針對發射器和接收器信號路徑提供小數N分頻RF頻率合成。它提供極低功耗和全面的關斷模式,以在不使用時進一步省電。ADRV9009采用12 mm × 12 mm、196引腳芯片級球柵陣列封裝。
ADI公司為相控陣天線設計提供從天線到位的整個信號鏈,且針對此應用優化IC,以幫助客戶加快上市時間。IC技術的進步促使天線技術發生轉變,推動了多個行業的變革。
(來源:亞德諾半導體)
免責聲明:本文為轉載文章,轉載此文目的在于傳遞更多信息,版權歸原作者所有。本文所用視頻、圖片、文字如涉及作品版權問題,請電話或者郵箱聯系小編進行侵刪。



