【導讀】電流檢測技術在現今的生活與工作中都有廣泛的應用,許多的系統中都需要檢測流入和流出的電流大小,檢測電流大小能夠避免器件出錯。所以我們今天的主角就是“開關模式電源的電流檢測技術”。
電流檢測技術在現今的生活與工作中都有廣泛的應用,許多的系統中都需要檢測流入和流出的電流大小,檢測電流大小能夠避免器件出錯。所以我們今天的主角就是“開關模式電源的電流檢測技術”。
基本知識談
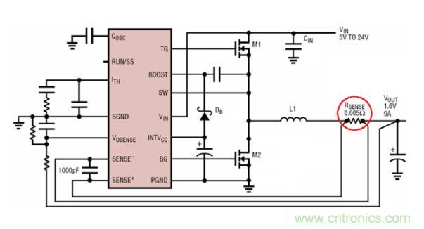
電流模式控制由于其高可靠性、環路補償設計簡單、負載分配功能簡單可靠的特點,被廣泛用于開關模式電源。電流檢測信號是電流模式開關模式電源設計的重要組成部分,它用于調節輸出并提供過流保護。圖1顯示了 ADI LTC3855同步開關模式降壓電源的電流檢測電路。LTC3855是一款具有逐周期限流功能的電流模式控制器件。檢測電阻RS監測電流。

圖1. 開關模式電源電流檢測電阻(RS)
圖2顯示了兩種情況下電感電流的示波器圖像:第一種情況使用電感電流能夠驅動的負載(紅線),而在第二種情況下,輸出短路(紫線)。

圖2. LTC3855限流與折返示例,在1.5 V/15 A供電軌上測量
最初,峰值電感電流由選定的電感值、電源開關導通時間、電路的輸入和輸出電壓以及負載電流設置(圖中用“1”表示)。當電路短路時,電感電流迅速上升,直至達到限流點,即 RS × IINDUCTOR (IL)等于最大電流檢測電壓,以保護器件和下游電路(圖中用“2”表示)。然后,內置電流折返限制(圖中數字“3”)進一步降低電感電流,以將熱應力降至最低。
電流檢測還有其他作用。在多相電源設計中,利用它能實現精確均流。對于輕負載電源設計,它可以防止電流反向流動,從而提高效率(反向電流指反向流過電感的電流,即從輸出到輸入的電流,這在某些應用中可能不合需要,甚至具破壞性)。另外,當多相應用的負載較小時,電流檢測可用來減少所需的相數,從而提高電路效率。對于需要電流源的負載,電流檢測可將電源轉換為恒流源,以用于LED驅動、電池充電和驅動激光等應用。
檢測電阻放哪最合適?
電流檢測電阻的位置連同開關穩壓器架構決定了要檢測的電流。檢測的電流包括峰值電感電流、谷值電感電流(連續導通模式下電感電流的最小值)和平均輸出流。檢測電阻的位置會影響功率損耗、噪聲計算以及檢測電阻監控電路看到的共模電壓。
放置在降壓調節器高端
對于降壓調節器,電流檢測電阻有多個位置可以放置。當放置在頂部MOSFET的高端時(如圖3所示),它會在頂部MOSFET 導通時檢測峰值電感電流,從而可用于峰值電流模式控制電源。但是,當頂部MOSFET關斷且底部MOSFET導通時,它不測量電感電流。

圖3. 帶高端RSENSE的降壓轉換器
在這種配置中,電流檢測可能有很高的噪聲,原因是頂部 MOSFET的導通邊沿具有很強的開關電壓振蕩。為使這種影響最小,需要一個較長的電流比較器消隱時間(比較器忽略輸入的時間)。這會限制最小開關導通時間,并且可能限制最小占空比(占空比 = VOUT/VIN)和最大轉換器降壓比。注意在高端配置中,電流信號可能位于非常大的共模電壓(VIN)之上。
放置在降壓調節器低端
圖4中,檢測電阻位于底部MOSFET下方。在這種配置中,它檢測谷值模式電流。為了進一步降低功率損耗并節省元件成本,底部FET RDS(ON)可用來檢測電流,而不必使用外部電流檢測電阻RSENSE。

圖4. 帶低端RSENSE的降壓轉換器
這種配置通常用于谷值模式控制的電源。它對噪聲可能也很敏感,但在這種情況下,它在占空比較大時很敏感。谷值模式控制的降壓轉換器支持高降壓比,但由于其開關導通時間是固定/ 受控的,故最大占空比有限。
降壓調節器與電感串聯
圖5中,電流檢測電阻RSENSE與電感串聯,因此可以檢測連續電感電流,此電流可用于監測平均電流以及峰值或谷值電流。所以,此配置支持峰值、谷值或平均電流模式控制。

圖5. RSENSE與電感串聯
這種檢測方法可提供最佳的信噪比性能。外部RSENSE通常可提供非常準確的電流檢測信號,以實現精確的限流和均流。但是,RSENSE也會引起額外的功率損耗和元件成本。為了減少功率損耗和成本,可以利用電感線圈直流電阻(DCR)檢測電流,而不使用外部RSENSE。
放置在升壓和反相調節器的高端
對于升壓調節器,檢測電阻可以與電感串聯,以提供高端檢測 (圖6)。

圖6. 帶高端RSENSE的升壓轉換器
升壓轉換器具有連續輸入電流,因此會產生三角波形并持續監測電流。
放置在升壓和反相調節器的低端
檢測電阻也可以放在底部MOSFET的低端,如圖7所示。此處監測峰值開關電流(也是峰值電感電流),每半個周期產生一個電流波形。MOSFET開關切換導致電流信號具有很強的開關噪聲。

圖7. 帶低端RSENSE的升壓轉換器
SENSE電阻放置在升降壓轉換器低端或與電感串聯
圖8顯示了一個4開關升降壓轉換器,其檢測電阻位于低端。當輸入電壓遠高于輸出電壓時,轉換器工作在降壓模式;當輸入電壓遠低于輸出電壓時,轉換器工作在升壓模式。在此電路中,檢測電阻位于4開關H橋配置的底部。器件的模式(降壓模式或升壓模式)決定了監測的電流。

圖8. 帶低端RSENSE的升壓轉換器
在降壓模式下(開關D一直導通,開關C一直關斷),檢測電阻監測底部開關B電流,電源用作谷值電流模式降壓轉換器。
在升壓模式下(開關A一直導通,開關B一直關斷),檢測電阻與底部MOSFET (C)串聯,并在電感電流上升時測量峰值電流。在這種模式下,由于不監測谷值電感電流,因此當電源處于輕負載狀態時,很難檢測負電感電流。負電感電流意味著電能從輸出端傳回輸入端,但由于這種傳輸會有損耗,故效率會受損。對于電池供電系統等應用,輕負載效率很重要,這種電流檢測方法不合需要。
圖9電路解決了這個問題,其將檢測電阻與電感串聯,從而在降壓和升壓模式下均能連續測量電感電流信號。由于電流檢測 RSENSE連接到具有高開關噪聲的SW1節點,因此需要精心設計控制器IC,使內部電流比較器有足夠長的消隱時間。

圖9. LT8390升降壓轉換器,RSENSE與電感串聯
輸入端也可以添加額外的檢測電阻,以實現輸入限流;或者添加在輸出端,用于電池充電或驅動LED等恒定輸出電流應用。這種情況下需要平均輸入或輸出電流信號,因此可在電流檢測路徑中增加一個強RC濾波器,以減少電流檢測噪聲。
電流檢測方法使用說明書
開關模式電源有三種常用電流檢測方法是:使用檢測電阻,使用MOSFET RDS(ON),以及使用電感的直流電阻(DCR)。每種方法都有優點和缺點,選擇檢測方法時應予以考慮。
檢測電阻電流傳感
作為電流檢測元件的檢測電阻,產生的檢測誤差最低(通常在1%和5%之間),溫度系數也非常低,約為100 ppm/°C (0.01%)。在性能方面,它提供精度最高的電源,有助于實現極為精確的電源限流功能,并且在多個電源并聯時,還有利于實現精密均流。

圖10. RSENSE電流檢測
另一方面,因為電源設計中增加了電流檢測電阻,所以電阻也會產生額外的功耗。因此,與其他檢測技術相比,檢測電阻電流監測技術可能有更高的功耗,導致解決方案整體效率有所下降。專用電流檢測電阻也可能增加解決方案成本,雖然一個檢測電阻的成本通常在0.05美元至0.20美元之間。
選擇檢測電阻時不應忽略的另一個參數是其寄生電感(也稱為有效串聯電感或ESL)。檢測電阻可以用一個電阻與一個有限電感串聯來正確模擬。

圖12. RSENSE ESL模型
此電感取決于所選的特定檢測電阻。某些類型的電流檢測電阻,例如金屬板電阻,具有較低的ESL,應優先使用。相比之下,繞線檢測電阻由于其封裝結構而具有較高的ESL,應避免使用。一般來說,ESL效應會隨著電流的增加、檢測信號幅度的減小以及布局不合理而變得更加明顯。電路的總電感還包括由元件引線和其他電路元件引起的寄生電感。電路的總電感也受到布局的影響,因此必須妥善考慮元件的布局,不恰當的布局可能影響穩定性并加劇現有電路設計問題。
檢測電阻ESL的影響可能很輕微,也可能很嚴重。ESL會導致開關柵極驅動器發生明顯振蕩,從而對開關導通產生不利影響。它還會增加電流檢測信號的紋波,導致波形中出現電壓階躍,而不是預期的如圖13所示的鋸齒波形。這會降低電流檢測精度。

圖13. RSENSE ESL可能會對電流檢測產生不利影響
為使電阻ESL最小,應避免使用具有長環路(如繞線電阻)或長引線(如厚電阻)的檢測電阻。薄型表面貼裝器件是首選,例子包括板結構SMD尺寸0805、1206、2010和2512,更好的選擇包括倒幾何SMD尺寸0612和1225。
基于功率MOSFET的電流檢測
利用MOSFET RDS(ON)進行電流檢測,可以實現簡單且經濟高效的電流檢測。LTC3878是一款采用這種方法的器件。它使用恒定導通時間谷值模式電流檢測架構。頂部開關導通固定的時間,此后底部開關導通,其RDS壓降用于檢測電流谷值或電流下限。

圖14. MOSFET RDS(ON)電流檢測
雖然價格低廉,但這種方法有一些缺點。首先,其精度不高, RDS(ON)值可能在很大的范圍內變化(大約33%或更多)。其溫度系數可能也非常大,在100°C以上時甚至會超過80%。另外,如果使用外部MOSFET,則必須考慮MOSFET寄生封裝電感。這種類型的檢測不建議用于電流非常高的情況,特別是不適合多相電路,此類電路需要良好的相位均流。
電感DCR電流檢測
電感直流電阻電流檢測采用電感繞組的寄生電阻來測量電流,從而無需檢測電阻。這樣可降低元件成本,提高電源效率。與MOSFET RDS(ON)相比,銅線繞組的電感DCR的器件間偏差通常較小,不過仍然會隨溫度而變化。它在低輸出電壓應用中受到青睞,因為檢測電阻上的任何壓降都代表輸出電壓的一個相當大部分。將一個RC網絡與電感和寄生電阻的串聯組合并聯,檢測電壓在電容C1上測量(圖15)。

圖15. 電感DCR電流檢測
通過選擇適當的元件(R1 × C1 = L/DCR),電容C1兩端的電壓將與電感電流成正比。為了最大限度地減少測量誤差和噪聲,最好選擇較低的R1值。
電路不直接測量電感電流,因此無法檢測電感飽和。推薦使用軟飽和的電感,如粉芯電感。與同等鐵芯電感相比,此類電感的磁芯損耗通常較高。與RSENSE方法相比,電感DCR檢測不存在檢測電阻的功率損耗,但可能會增加電感的磁芯損耗。
使用RSENSE和DCR兩種檢測方法時,由于檢測信號較小,故均需要開爾文檢測。必須讓開爾文檢測痕跡(圖5中的SENSE 和 SENSE-)遠離高噪聲覆銅區和其他信號痕跡,以將噪聲提取降至最低,這點很重要。某些器件(如LTC3855)具有溫度補償DCR檢測功能,可提高整個溫度范圍內的精度。

表1. 電流檢測方法的優缺點
表1中提到的每種方法都為開關模式電源提供額外的保護。取決于設計要求,精度、效率、熱應力、保護和瞬態性能方面的權衡都可能影響選擇過程。電源設計人員需要審慎選擇電流檢測方法和功率電感,并正確設計電流檢測網絡。ADI LTpowerCAD設計工具和LTspice®電路仿真工具等計算機軟件程序,對簡化設計工作并獲得最佳結果會大有幫助。
其他電流檢測方法
還有其他電流檢測方法可供使用。例如,電流檢測互感器常常與隔離電源一起使用,以跨越隔離柵對電流信號信息提供保護。這種方法通常比上述三種技術更昂貴。此外,近年來集成柵極驅動器(DrMOS)和電流檢測的新型功率MOSFET也已出現,但到目前為止,還沒有足夠的數據來推斷DrMOS在檢測信號的精度和質量方面表現如何。
免責聲明:本文為轉載文章,轉載此文目的在于傳遞更多信息,版權歸原作者所有。本文所用視頻、圖片、文字如涉及作品版權問題,請聯系小編進行處理。



