【導讀】LLC拓撲廣泛應用于各種功率轉換設備中,然而LLC拓撲在輕載及空載情況下,即使工作頻率范圍很寬,往往仍然出現輸出電壓超出規格要求的現象。
LLC拓撲廣泛應用于各種功率轉換設備中,然而LLC拓撲在輕載及空載情況下,即使工作頻率范圍很寬,往往仍然出現輸出電壓超出規格要求的現象。本文從理論上對引起該問題的原因進行了深入分析,證明變壓器原邊等效并聯電容和原邊MOSFET的輸出電容時造成該問題的根本原因,并針對根因提出了減小等效電容,原邊MOSFET并聯電容,諧振電感并聯電容,增加變壓器原副邊匝比,變換器工作于打嗝模式等措施來應對該問題。
引言
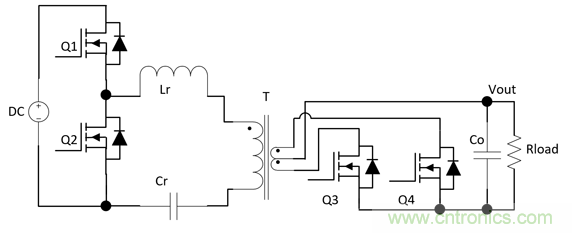
近年來LLC 拓撲廣泛應用于照明驅動,電視電源,工業電源,服務器/PC電源,通信電源等消費及工業領域中的DC-DC級,這是因其具有如全負載范圍原邊開關管的零電壓開通(ZVS),副邊二極管或同步整流開關零電流關斷(ZCS),EMI特性好(高頻噪聲分量較少),電路結構簡單,成本較低等優異特性。典型的半橋全波整流LLC拓撲如下圖所示。

圖1:半橋LLC拓撲
對于LLC拓撲,根據目前最為常用的基波近似法(First Harmonic Approximation, FHA,Fundamental Element Simplification, FES)[1]計算得到的直流增益曲線,即使負載很輕甚至負載為零,只要工作頻率足夠高那么輸出電壓電壓一定是可控的,即可以穩定在規格要求范圍內。然而,在大量采用該拓撲的產品中都可以發現:在輕載下輸出電壓無法穩定在規格要求范圍內即往往高于規格的要求,即使LLC已經工作于非常非常高的頻率。這與目前的理論分析是不相符的。因此有必要在輕載及空載條件下對直流增益曲線進行重新分析與計算,從中找到影響直流增益的因素,從而找到解決問題的方案。
變壓器原邊等效并聯寄生電容對直流增益曲線的影響
采用FHA/FES方法計算LLC的直流增益曲線時,LLC變壓器的模型中的漏感實際上已經被考慮進去:對于諧振電感為獨立電感的應用,因為漏感與諧振電感為串聯關系(副邊漏感等效折算到原邊),因此諧振腔的諧振電感感量為設計的諧振電感與漏感疊加值。而對于諧振電感與變壓器集成方案,變壓器漏感即諧振電感。但是原邊繞組間,副邊繞組間的分布電容及副邊整流二極管或同步整流MOSFET的輸出電容并未考慮到計算中。當考慮這些寄生電容后,變壓器的模型及LLC等效電路分別如圖2和3所示[3]。

圖2 考慮副邊寄生電容后的變壓器模型

圖3 考慮副邊寄生電容后的LLC等效電路模型
根據圖2所示結構,圖3中的變壓器原邊等效并聯寄生電容Cp為:
Cpw,Csw,Csoss分別為變壓器原邊繞組分布電容,變壓器副邊繞組分布電容及輸出整流二極管或同步整流管的等效輸出電容,Nps為變壓器原副邊的匝比,
根據圖3所示等效電路,計算得到的LLC直流增益為:
(2)其中:

以一個LLC諧振變換器設計參數為例:Lp=1400uH; Lr=165uH; Cr=68nF,Nps=16.7,對于圖4所示的LLC變換器,使用阻抗分析儀在板測試變壓器原邊等效電容(圖中所示的藍色圓點為測試端),根據測試得到的阻抗曲線計算得到原邊等效電容Cp為:
圖4 采用LLC拓撲的開關電源變壓器原邊等效并聯電容測試端
根據公式(2)可以計算得到不同品質因數Q值(對應100%負載~1%負載)下的增益曲線族,如圖5所示;

圖5 考慮變壓器寄生電容后的直流增益曲線
而相同條件下不考慮寄生電容的增益曲線族如圖6所示。

圖6 不考慮變壓器寄生電容的直流增益曲線
從圖5和圖6的對比可以得到,由于變壓器原邊繞組等效寄生電容的存在,增益曲線在高頻出現另一個電感電容并聯諧振點,導致增益曲線在輕載情況下隨頻率升高而增益變高,且負載越輕,該現象越明顯。這將導致輕載情況下輸出電壓無法穩定。相同負載(以10%負載為例)不同原邊寄生電容(500pF~50pF)下的增益曲線如圖7所示。從圖中可知,寄生電容越大,諧振點越低,對LLC增益曲線的影響越大,只有在寄生電容小于50pF情況下,其對增益曲線的影響可以忽略不計。

圖7 不同寄生電容下的直流增益曲線
隨著工作頻率的進一步升高,變壓器中更多的寄生電容和寄生電感對LLC的工作模式產生影響,使得LLC拓撲變為多元件諧振拓撲,增益曲線將出現多個諧振點,LLC特性將變的更加復雜。
原邊MOSFET等效輸出電容對直流增益曲線的影響
對于LLC拓撲,原邊MOSFET在進行開關切換(即一個開關管關斷,死區時間后另一個開關管開通)過程中,激磁電感會與原邊MOSFET的輸出電容產生諧振,該諧振能量將部分傳遞到副邊,使得在空載及輕載情況下輸出電壓升高。文獻[7]中詳細分析了LLC拓撲原邊MOSFET的輸出電容對直流增益曲線的影響,不同MOSFET輸出電容對直流增益的影響如圖8所示[7]:

圖8 不同原邊MOSFET輸出電容對輕載直流增益曲線的影響
當MOSFET的輸出電容較小時,輕載下直流增益曲線出現上翹現象,使得輸出電壓無法保持在規格要求范圍內。
保持輸出電壓穩定的措施
根據本文第2部分的分析,由于變壓器等效原邊電容的存在和原邊MOSFET輸出電容較小,LLC的增益曲線在高頻段出現隨工作頻率上升的現象,導致輕載情況下輸出電壓無法保持在規格范圍內。這是多數開關電源無法接受的。接下來的部分將介紹一些措施來解決該問題:
4.1減小變壓器等效并聯電容
這是最直接解決問題的方案,然而卻也是最難實施的方案。由于無論如何變壓器的寄生電容都是存在的,因此可以采取的措施是盡量減小該電容,文獻[3]給出了其稱之為“分離式繞法”的變壓器繞制建議,其寄生電容只有傳統并繞方法的十分之一。文獻[4]提出了“累進式”繞制方法,寄生電容非常小。但往往這些繞制方式會帶來繞制的復雜性提高,從而使得變壓器的價格上升。
4.2 LLC工作于打嗝模式
在輕載情況下LLC拓撲進入打嗝(burst)模式是較多采用的一種控制策略,該策略一方面可以保持輸出電壓在規格范圍內,另一方面減小了輕載下的輸入功率,提高了輕載下的效率。圖9為典型的打嗝模式下的關鍵波形[5]。然而打嗝模式會帶來輸出電壓紋波變大,這在一些應用,例如服務器電源,PC電源等是無法接受的。

圖9 打嗝模式下的LLC關鍵波形示意圖
4.3諧振電感并聯電容
對于諧振電感為獨立電感的應用中,文獻[6]提出了一種多諧振LLC的方案,即在諧振電感上并聯一個電容,如圖10所示,從而生成一個新的LLC諧振點f02,且

圖10 多諧振LLC拓撲
原有諧振頻率也稍有變化,其值為:
新的增益曲線如圖11所示:

圖11 多諧振LLC變換器直流增益曲線
由于增益曲線在fw=f02時為零,因此理論上該多諧振LLC拓撲在任何負載下輸出電壓都可以低至零。設計中需要選擇合適的C_p,確保LLC的最高工作頻率不超過f02。
4.4 原邊MOSFET并聯電容
根據第3部分的分析,原邊MOSFET的輸出電容越大,相同工作頻率下直流增益曲線越低,即輸出電壓越容易控制在規格范圍內。因此在選定原邊MOSFET的前提下,還可以通過并聯電容來增大等效輸出電容,從而控制輸出電壓。此方法簡單易行,可是缺點也較明顯:輸出電容的增大帶來MOSFET開關損耗的增加,從而降低了轉化效率,特別是在輕載下,效率的降低比較明顯。
4.5 增加變壓器原副邊匝比
根據圖6~圖8,無論是變壓器原邊等效并聯寄生電容還是原邊MOSFET輸出電容對直流增益曲線的影響,都是發生在工作頻率高于諧振頻率的情況下。因此通過增加變壓器的原副邊匝比(多數是通過增加變壓器原邊繞組的匝數),令LLC拓撲在輕載情況下工作于諧振點附近,則寄生參數對輸出電壓的影響可以忽略,從而輕載下輸出電壓更容易穩定在規格范圍內。當然此設計需要考慮滿載及過流保護前等情況下的直流增益的峰值足夠高,保證這些情況下輸出電壓的穩定。
4.6 減小副邊二極管/同步整流管寄生電容
根據第2部分的分析,變壓器原邊等效并聯電容有一部分為副邊二極管或同步整流管的等效輸出電容,因此選擇較小輸出電容的二極管或者MOSFET將有助于穩定輸出電壓。文獻[8] 提出了在輸出二極管或同步整流管上并聯一個MOSFET與二極管串聯的電路,該電路將部分能量反饋到原邊側,從而在輕載及空載下維持了輸出電壓的穩定。
4.7 輕載下關閉同步整流管
對于副邊為同步整流(MOSFET為副邊側開關管)的設計,在輕載情況下將同步整流的驅動關閉將有助于保持輸出電壓的穩定,當同步整流的驅動關閉后,副邊側通過MOSFET的體二極管續流,體二極管的壓降介于0.7V~1.2V,遠高于同步整流開通時的壓降(V=ID*R(DS(on))),因此相同輸出電壓下所需要的副邊繞組的輸出電壓更高。當然關閉同步整流的驅動也會有額外的問題,在負載突然加重需要將同步整流驅動打開時,由于上述壓差的存在會導致輸出電壓出現過沖現象,因此設計中需要綜合考慮該措施的可實施性。
總結
本文對LLC拓撲在輕載及空載情況下輸出電壓超出規格要求的現象進行了理論分析,證明變壓器原邊等效并聯電容和原邊MOSFET輸出電容的存在產生出了該問題。相應地, 本文提出了多種可行的解決方案,來實現輸出電壓的穩定。本文將對電源開發工程師解決LLC拓撲輕載下的輸出電壓偏高問題提供有益的參考。
參考文獻:
[1] Bo Yang, Fred C. Lee, A.J. Zhang and Guisong Huang, LLC Resonant Converter for Frond End DC/DC Converter, 17th APEC, 2002
[2] Ya, Liu, High Efficiency Optimization of LLC Resonant Converter for Wide Load Range,
[3] Heng Yue, Min Chen, Research on Effects of Transformer Parasitic Capacitance on LLC Light Load Stability, Journal of Power Supply, 2013.3
[4] Shan Yu, Jiqing Dong, the Analysis of High-Frequency Transformer Parasitic Capacitance on LLC Non-load Characteristics, Magnetic elements & Power Supply, 2014.03
[5] Datasheet of IDP2322, Infineon Technologies
[6] Dianbo Fu, Fred C. Lee, Ya Liu and Ming Xu, Novel Multi-Element Resonant Converters for Front-end DC/DC Converters, 2008 IEEE Power Electronics Specialists Conference.
[7] Jae-Hyun Kim, Chong-Eun Kim, Jae-Kuk Kim and Gun-Woo Moon, Analysis for LLC Resonant Converter Considering Parasitic Components at Very Light Load Condition, 8th International Conference on Power Electronics-ECCE Asia, 2011
[8] Yiqing Ye, Chao Yan, Jianhong Zeng and Jianping Yin, A Novel Light Load Solution for LLC Series Resonant Converter, 29th International Telecommunications Energy Conference, 2007




