【導讀】在工業4.0時代,從便攜式電動工具到重型AGV(自動導引車),電池供電設備正加速滲透制造業、倉儲物流和建筑領域。然而,工業級充電器的設計挑戰重重:既要承受嚴苛環境(如高溫、震動、粉塵),又需在120V~480V寬輸入電壓下保持高效穩定,同時滿足輕量化、無風扇散熱的需求。碳化硅(SiC)功率器件的崛起,正為這一難題提供破局關鍵——其超快開關速度和低損耗特性,不僅提升了功率密度,更解鎖了傳統IGBT難以實現的新型PFC(功率因數校正)拓撲。本文將深入解析工業充電器的PFC級設計策略,助您精準選型。

簡介
工業電池充電器需要為不同的電池充電,如鉛酸電池、鎳氫電池和鋰離子電池。大多數基于電池的新型工業設備主要使用12 伏至120 伏的鋰離子電池和磷酸鋰電池。

鋰離子電池組的典型應用
工業充電器由PFC前端電路與帶恒壓恒流控制的隔離式DC-DC變換級組成。

典型電池充電系統框圖
在許多設計中都會使用微控制器來對充電器進行編程,以適應不同的電池電壓和電流容量。為了實現更快速且高效率的充電,需要使用高頻充電器。智能電池充電系統能夠檢測電池的電壓和容量,并根據恒定電壓模式進行充電,同時通過監測電池的電壓、電流和溫度來調節所需的充電電流。SiC MOSFET可在高工作頻率和高溫環境下穩定運行,開關損耗和導通損耗更低。極低的功率損耗使得電池充電器可以實現高功率密度和高效率,散熱片更小,并能自然對流冷卻。
PFC 級選型
接下來,我們將對這些拓撲結構進行選型分析,并討論它們在不同電池供電應用中的適用性。
?升壓 PFC拓撲
連續導通模式升壓PFC 是一種簡單、低成本的解決方案。升壓拓撲由輸入EMI 濾波器、橋式整流器、升壓電感、升壓場效應管和升壓二極管組成。

升壓PFC拓撲
定頻平均模式控制器可用于實現高功率因數和低總諧波失真(THD),并調節輸出電壓。推薦使用安森美NCP1654和 NCP1655CCM PFC 控制器。對于大功率應用,可以使用交錯式PFC控制器,如FAN9672和FAN9673。升壓二極管(D1) 推薦使用650V EliteSiC 二極管。EliteSiC MOSFET 可用于高頻和大功率應用,如2 kW 至6.6 kW。帶有iGaN(集成柵極驅動器)的圖騰柱PFC 控制器IC(如NCP1681)可用于600 W 至1.0 kW 的應用。硅超級結MOSFET 和IGBT可用于 20 kHz 至 60 kHz 的低頻應用。
在大功率應用中,輸入電橋損耗明顯更高。用Si 或SiC MOSFET 等有源開關取代二極管,可以降低功率損耗。半無橋PFC 和圖騰柱PFC 拓撲非常流行,它們可以省去橋式整流器,從而減少損耗。
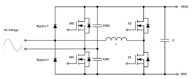
?圖騰柱PFC
圖騰柱PFC 由EMI 濾波器、升壓電感、高頻半橋、低頻半橋、2通道柵極驅動器和定頻圖騰柱PFC 控制器NCP1681B組成。

騰柱 PFC拓撲

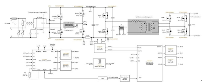
基于 SiC的 3 kW 圖騰柱 PFC和 LLC電源
圖騰柱 PFC的高頻支路要求功率開關中集成的二極管具有低反向恢復時間。SiC和 GaN功率開關適用于圖騰柱PFC 的高頻支路。安森美建議在600 W 至1.2 kW 應用中使用帶集成柵極驅動器的iGaN,在1.5 kW 至6.6 kW 應用中使用SiC MOSFET。集成SiC 二極管的IGBT 可用于20 - 40 kHz 的應用。低頻支路可使用低RDS(on) 硅超級結MOSFET 或低VCE(SAT) IGBT。交錯式圖騰柱PFC 可用于4.0 kW 至6.6 kW 應用。
基于MOSFET的圖騰柱PFC級通過去除笨重且損耗大的橋式整流器,提高了效率和功率密度。安森美的650V EliteSiC MOSFET非常適合圖騰柱PFC的高頻支路。安森美650V EliteSiC MOSFET如NTH4L045N065SC1和NTH4L032N065M3S適合3.0kW的應用;NTH4L015N065SC1和即將上市的NTH4L012N065M3S適合6.6kW的應用。NTHL017N60S5H則適用于圖騰柱PFC的低頻支路。



