【導讀】為保證工業總線通訊的穩定性,工程師通常都在設計時考慮防雷、防浪涌和防過電壓等電路方案,今天就為大家介紹一些有效的總線防浪涌保護解決方案。
浪涌對電路的影響
浪涌包括浪涌電流、浪涌電壓,它是指電路中瞬間出現超過正常工作電壓、電流的現象。在工業通訊現場,雷電過電壓、落雷引發出的誘導雷浪涌,還有電源系統(特別是帶很重的感性負載)開關切換引起的浪涌,這些浪涌產生的瞬態過壓和過流,會導致數據總線通訊網絡癱瘓甚至使元器件發出錯誤的信號,會給用戶帶來很大的損失。
表1 幾種瞬態騷擾的比較

先了解幾種典型的瞬態騷擾:從表中可知,浪涌的能量最高,過電流最大,因此危害性也是最大。
浪涌的形成有兩個類型:一個是共模,一個差模。雷電或大電流切換時產生的浪涌一般是共模的;差模形式的浪涌往往是由于數據電纜附近有高壓線經過,數據線纜和高壓線之間因絕緣不良而產生的,會在數據通信網絡中較長時間內穩定存在。光耦或磁耦器件標稱的耐壓是共模,也就是前端到后端之間的耐壓。如果超過這個耐壓,前端后端都一起燒壞;元器件不會標稱差模的耐壓,差模耐壓能力由電路的設計決定,差模電壓超過電路承受范圍,前端燒壞,后端不會燒壞。
目前總線浪涌防護方案有兩種:采用分立元器件搭建或采用集成模塊。
常規浪涌防護方案——分立方案
許多應用要求滿足IEC61000-4-2靜電放電4級,IEC61000-4-5浪涌抗擾4級要求。一般的收發器ESD、浪涌的防護等級均比較低,如CTM1051M隔離CAN收么器的隔離耐壓為2500VDC,裸機情況下,ESD、浪涌等級均較低,所以有必要增加外圍電路。
防浪涌電路通常分為:隔離法和規避法。
● 隔離法:采用光耦合器或磁耦合器,將輸入和輸出信號隔離分開,這類隔離法只能抑制共模形式的浪涌,不能抑制差模形式的浪涌。
● 規避法:主設備的地連在一起形成單點接地,一旦有浪涌出現就可安全轉移浪涌能量,此外有必要增加一些抑制浪涌的器件,主要有Tvs管、壓敏電阻、氣體放電管。
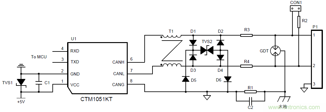
如果將隔離法和規避法相結合,就可以更好地保護系統。規避器件一方面可抑制浪涌保護隔離器件,也可以抑制總線上產生的差模形式浪涌。隔離器件抑制共模形式浪涌,保護主設備。兩者相輔相成,能夠更好地保護總線設備。以CAN總線為例,下圖是分立元器件形成的外圍保護電路。

圖1 CAN總線推薦保護電路
其中GDT置于最前端,提供一級防護,當雷擊、浪涌產生時,GDT瞬間達到低阻狀態,為瞬時大電流提供泄放通道,將CAN_H、CAN_L間電壓鉗制在二十幾伏范圍內。實際取值可根據防護等級及器件成本綜合考慮進行調整,R3與R4建議選用PTC,D1~D6建議選用快恢復二極管。參數表如下。
表2 參數推薦表

高效浪涌防護方案——模塊方案
分立元器件方案雖然能夠提供有效的防護,但是需要引入較多的電子器件,這也就意味著接口電路將占用更多的PCB空間,若器件參數選擇不合適易造成EMC問題。有沒有更簡潔的防護設計呢?答案是肯定的??蛇x擇引入專業的信號浪涌抑制器SP00S12,可用于各種信號傳輸系統,抑制雷擊、浪涌、過壓等有害信號,對設備信號端口進行保護。搭配ZLG的全隔離CTM或SC系列的隔離CAN收發器,如下圖。可極大程度的提升產品的集成度,于此同時極大程度的縮小開發周期。

圖2 模塊方案
方案對比和浪涌抗擾度測試
前面講到總線浪涌防護方案有兩種,接下來總結一下:
● 分立元器件方案:電子器件多、搭建麻煩、復雜、占用PCB空間、易造成EMC問題;
● 模塊方案:使用方便、節省PCB空間、簡化電路。
接下來做一下浪涌抗擾度測試,檢驗一下浪涌抑制器是否滿足IEC61000-4-5±4KV防護要求,以共模浪涌測試為例,在SP00S12輸入端加載4KV、1.2/50μs浪涌電壓,在輸出端測試壓降已被降低至17.1V,波形圖如下。

圖3 輸入端電壓波形4KV

圖4 輸出端波形電壓17.1V
由此可見,在收發器與CAN總線間添加SP00S12,可使CAN信號端口輕松滿足 IEC61000-4-5 ±4KV的浪涌等級要求。
采用一體化的高浪涌防護隔離CAN收發器可以完全代替隔離CAN收發器與浪涌抑制器的組合,如下圖。此方案將最大限度簡化電路設計、節省PCB空間、降低產品成本。它能夠防護4KV浪涌、15KV靜電的同時還具備極佳的EMC特性。

圖5 一體化隔離方案
推薦閱讀:


