【導讀】很多工程師都以為只有電源才會使用電容,其實電容的應用范圍特別廣泛,不僅僅為了保證電源系統有一個好的電源完整性需要使用大量的電容,信號完整性工程師為了保證信號完整性,EMC工程師為了使產品更順利的通過電磁兼容性的測試也是對電容“絞盡腦汁”。
很多工程師都以為只有電源才會使用電容,其實電容的應用范圍特別廣泛,不僅僅為了保證電源系統有一個好的電源完整性需要使用大量的電容,信號完整性工程師為了保證信號完整性,EMC工程師為了使產品更順利的通過電磁兼容性的測試也是對電容“絞盡腦汁”。
電容是非常每一個電路上都會使用的器件,電容會應用在電源系統中,也會應用于信號線上。在低速電路中,我姑且把電容稱之為電容,但是在高速電路上或者電源系統中,電容以及不僅僅是電容,是一個由等效電容、等效電阻和等效電感組成的一個電路,簡單的結構如下圖所示:

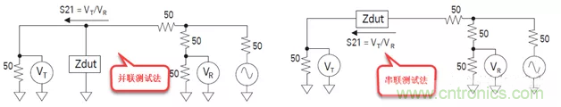
所以電容的參數的測量就不能再使用簡單的萬用表來測量啦!而需要使用網絡分析儀進行測量,使用網絡分析測試時,最重要的方式有并聯測試法和串聯測試法,示意圖如下圖所示:

并聯測試方法簡化裝置如下圖所示:

從上面的示意圖和簡化裝置可以看到,不論是并聯測試方法還是串聯測試方法都采用的2端口網分(當然,也可以考慮用4端口測試方法,有興趣的可以去Google下),這樣測試獲得的參數就是2端口的S參數,即*.s2p的文件,如下圖所示為一顆電容的S參數文件:

通過S參數,工程師可以了解到其阻抗特性、損耗等等,也就是電容的濾波特性,其阻抗特性曲線如下圖所示:

這種測試電容的步驟其實非常簡單,在測試的時候要按照電容的封裝大小設計一塊測試夾具板和校準板,然后把電容焊接上去,通過AFR或者TRL或者SOLT的校準方式進行校準后就可以直接測試電容啦(推薦使用AFR校準,這是最簡單的校準方式,設計的板子也簡單一些)。
電容的S參數模型可以應用于信號完整性和電源完整性仿真中。在使用SIPro/PIPro仿真時,可能有的工程師會有疑惑,為什么在軟件中添加*.s2p的S參數時會強制變為*.s1p呢?這是否有問題?
首先答案是肯定不會有問題。對于電容或者磁珠這類器件,在測量的數據就是s2p,而不是s1p,這是因為在測量的時候使用的2端口的網分測試的。而在仿真的時候使用的是s1p的文件,這樣有一個優勢,就是減弱了器件對夾具板地的影響,這樣就增加了其設計的性能。有興趣的也可以搭建一個仿真電路去分析電容的s1p和s2p的效果是否一樣,原理圖如下圖所示:

S21使用的是s2p模型文件,連接的snp元件這是正常的仿真S參數的連接方式;S43使用的是s2p文件把Ground不連接;S65使用的是S1P的模型文件,Ground連接到TermG上,獲得的結果如下圖所示:

很顯然,三條曲線是重合的,說明s2p和s1p是等效的。
本文主要是簡單介紹了如何簡單的測試電容、磁珠等2端口無源器件的S參數模型,以及為什么在SIPro和PIPro仿真時采用的是s1p的文件。當然,對于如何精確的測試這類無源器件的模型以及如何在ADS中建立相關的模型庫有興趣的,可以再進一步的交流。
2019中國國際3C自動化裝配與測試展覽會將于2019年7月10-12號上海國際博覽中心舉行
如何電源逆變器應用中選擇隔離架構、電路和元件?
使用超低噪聲LDO對電源的影響
使用微型模塊SIP中的集成無源器件
ADI電源產品幫助客戶向工業4.0過渡




