中心議題:
- 介紹光耦合器件的特點和內部結構
- 分析光耦合器件封裝可靠性及其應用
解決方案:
- 光電耦合器件是板上電源原邊和副邊的隔離器件,同時肩負反饋和過壓/過流保護作用
- 為適應光電管的大電流需求,把光電管部分制作為復合晶體管
近年來,通信電子設備由于Internet普及應用獲得了長足發展。這些通信電子設備在實現高功能化的同時,自身不斷小型化,而其中內置的板上電源部件(On-board Power Supply Block),正逐漸成為其小型化的障礙。在板上電源部件里,光電耦合器件是占居空間較大的器件之一,因而成為板上電源部件進一步小型化的關鍵。
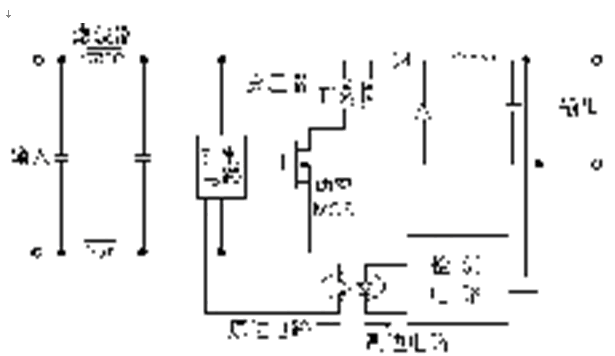
圖1是當今流行的板上電源的示意圖。從圖中可以看出,光電耦合器件(photo coupler)是板上電源原邊和副邊的隔離器件,同時肩負反饋和過壓/過流保護作用。也就是說,它在以板上電源為首的開關電源里,可把副邊輸出反饋到原邊,以便于調整電源輸出。此外,因為過壓/過電流需要實現保護,往往需要幾個光電耦合器件。一旦大量使用光電耦合器件,它所占居的板上電源組裝面積就相當可觀的。為此,強烈要求研究與開發超小型光電耦合器件。本文選取PS29xx系列為例,介紹通用超小型光耦合器件的特點,內部結構,可靠性和符合各種安全規格的應用情況。

光耦合器件的特點和內部結構
光電耦合器件PS29xx系列具有以下特點:①削減組裝面積——以往的PS28xx系列的組裝面積較大(7.0×2.7mm2),新產品PS29xx系列的組裝面積僅為2.5×5.0mm2,節約面積30%以上。②高絕緣耐壓——輸入和輸出之間的絕緣耐壓可保證2500Vr.m.s,完全符合板上電源和通信設備市場需求。③適應安全規格——由于保證絕緣距離為0.4 mm,可適應以UL等各種安全規格,諸如BSI(附加絕緣),北歐4規格(附加絕緣)、VDE、CSA等。④低封裝高度——由于采用扁平封裝,已將封裝高度控制在2.0mm以下,故可用于調制解調器卡。⑤豐富的產品系列——按照用途設計受光晶體管,已開發出豐富多彩的系列產品供用戶選購。 電子電路圖
因為光耦合器是絕緣安全器件,因此,它與其他半導體器件的封裝結構不同,而是有特殊結構要求。它的主要結 構參數如下:① 空間距離(Air Distance)——是指輸入側和輸出側的外部引線距離;②沿面距離(Creepage Distance)——是指沿輸入側引線和輸出側引線之間模制(Mold)樹脂的最短距離,若比最短距離還要短,則便有漏電的危險;③絕緣厚度(Insulation thickness)——是指輸入側和受光側的導體之間的最小距離。

在一般的板上電源和通信設備市場上對光電耦合器件的要求如下:空間距離≥4.0mm,沿面距離≥4.0mm,絕緣距離≥0.4mm,必須滿足這些要求,否則無法應用。以上所述的要求,正是光電耦合器件實用化的結構制約因素。PS289xx系列封裝結構便是在上述的前提下,盡量削減組裝面積而設計的:它的空間距離和沿面距離相等,確保為4.0mm;引線寬為0.4±0.1mm,引線的中心間距為1.27mm,其內部結構如圖2所示。這種結構具備如下優點:①引線長度很短,接地面積的離散很??;②引線水平方向機械強度高。在內部結構里,充分考慮絕緣距離:① LED側和受光器件側的引線框之間距離最短;②LED側的金屬線和受光器件之間距離最短;③LED側的金屬線受光器件側的金屬線間距離最短。 電子技術書籍網
封裝可靠性
盡管PS29xx封裝十分小巧,但是其封裝的可靠性和以往的大型封裝并無差異,同樣可靠。它的引線腳是嵌條狀結構(參閱圖2),非常適合于高密度表面貼裝焊接。PS29xx封裝的可靠性實驗結果,詳見表1所示。為了使PS29xx系列光電耦合器具備很高的可靠性采用了雙重模塑包封;第一層樹脂和引線框之間的距離通過優化,使封裝結構具備很高的可靠性。
電子電路圖
應用舉例
PS29xx系列光電耦合器是通用電子器件,在民用和工業用電子設備中具有廣泛應用。該系列里各型號光電耦合器各有各自的應用領域,例如,PS2911型光電耦合器的特點是超小型、低輸入驅動和高絕緣耐壓(當結溫Ta=25℃、RH=60%、施加AC電壓1分鐘時,可耐壓2.5kV),它適用于板上電源的反饋和過壓保護、輸入/輸出接口和混合IC電路;PS2915型光電耦合器,在輸入端(1、2)上并聯有正、負極相反的兩個LED,它除了具備超小型、低輸入驅動和耐2.5kV高壓之外,還允許輸入AC信號,因此它的應用領域更為廣泛,它還可以用于調制解調器、電話撥號脈沖發生器、線路監視部分環路檢測等。
在PS2932和PS2933型光電耦合器里,適應光電管的大電流需求,專門把光電管部分制作為復合晶體管(戴林頓晶體管),在其輸出端(3、4)可產生60mA的Ic電流。這樣的光電耦合器件用于控制/切斷開關電源主變壓器的勵磁電流,對于發展間歇式開關電源發揮出重要作用。
此外,PS29xx系列光電耦合器件是UL安全規格的認定產品,也有附加絕緣,符合BSI、CSA、VDE和北歐的安全規格,能在世界范圍內廣泛應用。
此外,應該看到光電耦合器件是通用電子器件,它自身的改進也將促進其應用的發展。例如,光電耦合器件中的LED和受光部分光電三極管,若能提高自身的發光效率和光電轉換效率,則將能開拓出許多新的應用領域,其中,重要的應用領域是拓展板上電源的應用。如今利用遙控器啟動的形形色色的板上電源很多,例如現代家庭中應用的低電壓電源,其效率極低,電能浪費很大。今后隨著低耗能光電耦合器件的出現,交流間歇型的開關電源(或串行調解電源)將會普及,對環境保護將會做出重要貢獻。




