【導讀】在上一節中,已經介紹了快速DCEV充電基礎設施的標準配置,以及未來可能的典型基礎設施。下面介紹當今快速DCEV充電器中使用的典型電源轉換器拓撲結構和AC-DC和DC-DC的功率器件的概況。
什么是快速直流充電器中使用的常見拓撲結構和功率器件?
在上一節中,已經介紹了快速DCEV充電基礎設施的標準配置,以及未來可能的典型基礎設施。下面介紹當今快速DCEV充電器中使用的典型電源轉換器拓撲結構和AC-DC和DC-DC的功率器件的概況。
有源整流三相PFC升壓拓撲結構
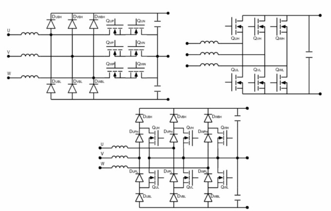
前端三相PFC升壓級可以用多種拓撲結構實現,而且幾種拓撲結構可以滿足相同的電力要求。在“解密三相PFC拓撲結構”中詳細介紹和討論了每種拓撲結構的利弊和操作。圖11展示了快速直流電動車充電應用中常見的PFC架構。它們之間的一個首要區別是雙向性。T-中性點鉗制(T-NPC)和I-NPC拓撲結構通過用開關取代一些二極管而適合雙向操作。6個開關的結構是一個雙向的perse。

圖11. 用于快速直流電動車充電的典型三相功率因素校正(PFC)升壓拓撲結構。
T-NPC(左上)、6開關(右上)和I-NPC(底部)
另一個影響設計和功率器件額定電壓的重要因素是架構中的級數。6個開關的拓撲結構是一個2級架構,通常用900 V或1200 V的開關來實現快速直流電動車充電器。這里SiC MOSFET-模塊具有低RDS on(6-40 mQ)區域的首選解決方案,特別是對于每塊15 kW以上的高功率范圍。這種集成表現出比分立解決方案更優越的功率性能,提高了能效,簡化了設計,減小了整個系統的尺寸,并最大化可靠性。
T-中性點箝位(T-NPC)是一種3級拓撲結構,使用1200 V整流器(以雙向形式用開關代替),中性點路徑上有650 V開關背對背。I-NPC是一個3級架構,可能完全用650 V開關實現。650 V SiC MOSFET或IGBT與共包二極管代表了這些3級拓撲結構的優秀替代方案。

圖12. F1-2 PACK SiC MOSFET模塊半橋。1200 V,10 mQ
DC-DC拓撲結構
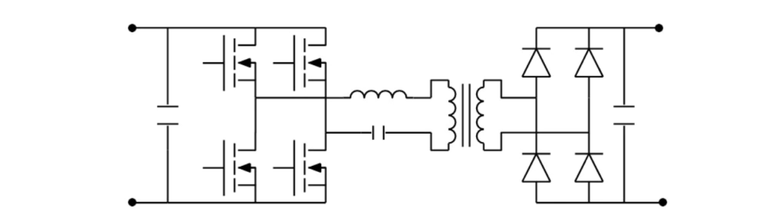
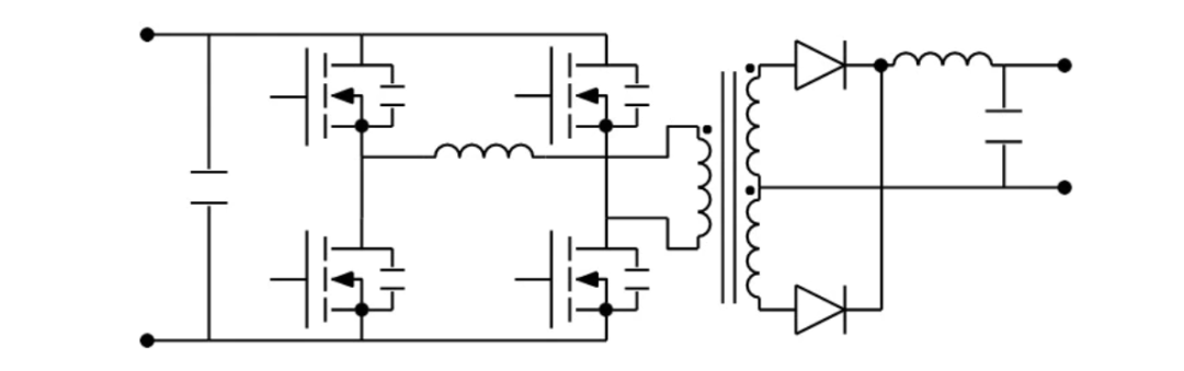
在研究DC-DC轉換級時,主要采用了三種隔離拓撲結構:全橋LLC諧振轉換器、全橋移相雙有源橋(DAB)零電壓過渡(ZVT)轉換器和全橋移相ZVT轉換器(圖13、14和15)。
全橋LLC諧振
LLC轉換器在初級端實現了零電壓開關(ZVS),同時在諧振頻率及以下——在次級端實現了零電流開關(ZCS),從而在諧振頻率附近產生了非常高的峰值效率。作為一個純粹的頻率調制(FM)系統,當系統工作點偏離諧振頻率時,這可能是需要寬輸出電壓操作時的情況,LLC的能效就會下降。
然而,先進的混合調制方案使今天的脈沖調制(PWM)與調頻相結合,限制了最大頻率失控和高損耗。不過,這些混合實現方式還是給已經有時很麻煩的LLC控制算法增加了復雜性。
此外,并聯的LLCs轉換器的電流共享和同步也不是件容易的事。一般來說,當有可能在相對較小的電壓范圍內工作時,和/或當具備實施結合調頻和PWM的先進控制策略的開發技能時,LLC是一種難以超越的設計。它不僅可以提供最高的能效,而且從各個角度看都是一個非常全面的解決方案。LLC可以作為CLLC以雙向形式實現,這是另一種復雜的拓撲結構。

圖13. 全橋LLC轉換器
帶有次級同步整流拓撲結構的移相全橋DAB也非常典型。這些都是用PWM工作,一般來說,需要比LLC轉換器更簡單的控制。DAB可以被認為是傳統的全橋移相ZVT轉換器的演變,但漏電感器在初級端,這簡化了繁瑣的次級端整流,減少了二次開關或二極管的必要額定擊穿電壓。由于實現了ZVT,這些轉換器可以在很寬的輸出電壓范圍內提供穩定的高能效。這對于支持800 V和400 V電池電壓水平的充電器來說是個方便的因素。
DAB的PWM工作帶來了好處。首先,它傾向于使轉換器的電磁干擾(EMI)頻譜比調頻系統中的更緊密。此外,用固定的開關頻率,系統在低負載時的行為更容易解決。通過同步整流,DAB是一種雙向的原生拓撲結構,是快速電動汽車充電器的最通用的替代方案和合適的解決方案之一。

圖14.全橋移相式DAB ZVT轉換器
對于單向操作,傳統的全橋移相ZVT(圖15)仍然是一個可用的選擇,但滲透率越來越低。這種拓撲結構的工作與DAB類似,但位于次級端的電感器在整流中帶來一個顯著的差異。電感器在二極管上設置了高的反向電壓,這將與占空比成正比和反比,因此,根據工作條件,二極管上的反向電壓可能超過輸出電壓的兩到三倍。
這種情況在高輸出電壓的系統中(如電動車充電器)可能具有挑戰性,通常多個次級繞組(具有較低的輸出電壓)被串聯起來。這樣的配置并不那么方便,特別是如果考慮到功率和電壓的額定值,不同的拓撲結構含單一輸出將提供相同或更好的性能。
SiC-模塊代表了上述DC-DC電源轉換級中全橋的一個非常合適和常見的解決方案,起價為15 kW。更高的頻率有助于縮小變壓器和電感器的尺寸,從而縮小整個解決方案的外形尺寸。

圖15. 全橋移相ZVT轉換器
拓撲結構的變體
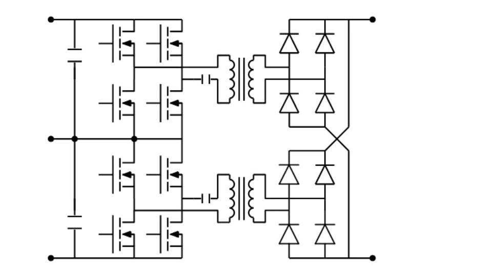
所討論的拓撲結構存在多種變體,帶來額外的優勢和折沖。圖16顯示了用于快速電動車充電的全橋LLC轉換器的一個常見替代方案。在移相中,開關在輸入電壓的一半以下,并使用600 V和650 V的斷電電壓器件。650 V SiC MOSFET、650 V SuperFET 3快速恢復(FR)MOSFET和650 V FS4 IGBT將有助于解決不同的系統要求。
同樣,用于出極端的二極管和整流器需要650 V的阻斷電壓等級。這些3級架構允許單極開關,這有助于減少峰值電流和電流紋波,這將導致用更小的變壓器。這種拓撲結構的主要缺點之一是,與具有較少電源開關的2級版本相比,控制算法需要額外的復雜程度。雙有源橋以及雙有源橋可以很容易地在初級端和次級端并聯或堆疊,以最配合快速電動汽車充電器的電流和電壓需求。

圖16. 3級全橋LLC
這種變體在初級端堆疊(只有一半的輸入電壓應用于每個變壓器),在次級端并聯。
次級端整流
關于次級端整流,如圖15所示,可以有多種解決方案,而且都可以使用不同的拓撲結構。對于400 V和800 V的電池水平和全橋整流,650 V和1200 V的SiC肖特基二極管通常是獨特的性價比解決方案。
由于其零反向恢復特性,與硅基替代品相比,這些器件大大增強了整流性能和能效,大大降低了損耗和整流級的復雜性。硅基二極管,如Hyperfast、UltraFast和Stealth,可以作為成本非常有限的項目的替代品,但要犧牲性能和復雜性。采用中心抽頭整流的解決方案(圖15)對于高電壓輸出整流級來說并不方便。
與全橋整流不同的是,在全橋整流中,二極管的標準反向電壓等于輸出電壓,而在中心抽頭配置中,二極管要承受這個數值的兩倍。常規的全橋移相轉換器(電感在次級端),正如所解釋的那樣,在兩種整流方法(全橋或中心抽頭整流)中都需要更高的擊穿電壓二極管。為了克服常規全橋移相轉換器對1200 V或1700 V額定二極管的需求,幾個輸出將被串聯起來。
其他重要的設計考慮因素
除了電源轉換器中的拓撲結構和開關器件外,在開發快速電動車充電器時,還有其他重要領域需要考慮,尤其是在使用SiC開關在高頻率下工作時。
門極驅動系統
在所有的拓撲結構中,驅動系統仍然是快速直流電動車充電器的一個重要方面,對系統性能有直接影響。
隔離
在隔離的主題下,首先要考慮的問題之一。鑒于快速直流電動車充電器所討論的高功率和高電壓,電隔離對于高端驅動器是必須的。對于低端同類產品,盡管從安全角度看并非總是嚴格必要的,但常見的做法是使用與高端相同的門極驅動系統和電路。
這種方法帶來了多種好處,包括解決方案的實施和系統的穩健性。一方面,它有利于同一半橋上的開關器件之間的延遲匹配。這簡化了PWM序列和死區時間的控制和實施,以防止擊穿事件。此外,隔離驅動器通過最大限度地提高其共模瞬態抗擾度(CMTI)來增強系統的堅固性,這在使用快速開關寬禁帶技術在高dV/dt 驅動時特別重要,如SiC。
這里還需要指出的是,采用開爾文連接的電源開關需要一個浮動或電隔離的驅動器(在高端和低端)來獲得配置的好處,因為它將大大減少損耗和提高傳播時間。
片上保護和功能
門極驅動器的另一個關鍵考慮因素是片上集成功能(除電隔離外)和保護。根據系統的要求和開關的類型,可能需要過電流保護(“DESAT”)—— IGBT和SiC MOSFET的典型保護——米勒鉗制(避免錯誤開啟)。包括這些或其他必要的封裝功能可以實現緊湊的系統,并最大限度地減少布局中的寄生電感,這是使用SiC的高開關頻率系統的基本要求。
在數字控制的系統中,內置保護也非常方便,可以提供板載保護。在系統能效方面,門極驅動器的接受端和源端能力對于通過快速充電和放電寄生門極電容實現快速開關轉換至關重要。在使用SiC技術時,這在高功率應用中特別重要,因為這比基于Si的IGBT或SJ MOSFET實現更快的轉換。
電隔離門極驅動器系列具有3.5 kV和5 kV額定值的NCD57XXX和NCD51XXX為開發快速電動車充電器帶來設計靈活性和系統可靠性,在片上集成了多種功能和保護措施,并顯示出高達9 A的驅動電流能力。該產品組合包括單通道驅動器,如NCD57000/1、NCD5708x、NCD5709x、NCP51152/7,以及雙通道驅動器,如NCP51561、NCP51563和NCD57252/256,以滿足所有使用情況。

圖17. 電隔離的單通道和雙通道門驅動器框圖
驅動器電源
與門極驅動器相鄰的一個話題是驅動它們所需的隔離電源。SiC開關的最佳性能是通過+20 V – 5 V的偏置電壓實現的,而IGBT通常需要+15 V/0 V或15 V。更多的細節可以在“Gen11200VSiCMOSFETs & Modules: 特性和驅動建議”。
同樣,對于門極驅動器來說,電源需要緊湊和堅固,確保在所有工作條件下有穩定的電壓軌。圍繞NCV3064開關穩壓器的電源,如LVDCDC3064-IGBT和LVDCDC3064-SIC有助于滿足這些需求。
保護措施
快速直流電動車充電的另一個重要考慮因素是系統中必要的安全保護,尤其是法規所規定的安全保護。強制性保護是針對車外的接地故障電流(GFC),以防止對人體產生危險的電擊風險。
特別是,充電電路中斷裝置(CCID)是專門為EV充電而開發的,IEC61851-1(前面討論過)和UL 2231-1/2標準分別對其在歐洲/亞洲和北美的實施進行了規范。FAN4147和NCS37014 GFC中斷器滿足這些法規的要求,為開發符合安全要求的EVSE提供了現成的解決方案。
輔助電源
輔助電源單元(PSU)在電力系統中無處不在,快速直流電動車充電也不例外。隔離反激拓撲結構是方便和可靠的選擇,可以提供低壓系統所需的典型的10-40 W。
特別是,對于快速直流電動車充電,直流母線的電壓水平是影響整個系統的主要因素之一?,F在的趨勢是提高這些水平,以減少特定功率水平的峰值電流并提高能效。
如今,直流母線電壓水平高達800 V(甚至更高)是很常見的,并不是所有的傳統方案都適合電動汽車充電。在這里,圍繞NCP1362準諧振谷初級端開關或NCP1252和NCP12700次級端控制器開發的PSU可以幫助解決這些需求。在開關方面,具有高RDS on(160 mOhms)的1200V SiC MOSFET正在被迅速采用,因為它們帶來了出色的性價比,是900 V DC系統的最佳方案。
歸結一切
我們已經看到了電動車市場的增長是如何加速的,以及為什么隨著更多的電動車上路,快速直流充電需要(也將)保持吸引力。
在過去的大多月份里,指向這一方向的新聞如雨后春筍般涌現,其中一個是美國總統宣布的到2030年建立50萬個直流充電樁網絡的計劃。其最終目標是推動電動車成為主流,擺脫以內燃機為基礎的交通工具,并應對氣候變化。
快速和超快速的直流充電樁是電動汽車的一個關鍵支柱,也是完成生態系統的一個不可或缺的元素,在家庭中可以使用較低功率的交流充電替代品,因為可以在較長時間內充電。作為一個新生的、快速發展的市場,快速直流電動車充電器的要求和使用案例在不斷升級,留下了一個需要各種解決方案和不同優化的空間。
不過,所有這些的共同點將是越來越高的功率、電壓水平和能效。此外,隨著此類基礎設施的大規模推出,競爭格局變得更加嚴酷,安裝的投資回報率也將需最大化,預計對尺寸、重量、成本和可靠性的限制也會加強。
現在,SiC功率技術正在成熟,其價格正在達到有吸引力的水平,這為先進的SiC功率集成模塊技術的發展留下了空間。更高的能效和優越的熱性能,使充電系統更輕、更小、成本更優化,可提供高達400 kW的功率。除了SiC技術和功率模塊的內在優勢,充電器的可靠性仍然是有效和廣泛部署電動車的基石。
安森美半導體不僅是SiC技術和功率集成模塊的一個領先供應商,而且在質量上與眾不同。作為極少數擁有SiC完整供應鏈的供應商之一,安森美半導體確保我們的SiC分立及模塊產品的最高質量和可靠性標準,以及卓越的運營和靈活性。
免責聲明:本文為轉載文章,轉載此文目的在于傳遞更多信息,版權歸原作者所有。本文所用視頻、圖片、文字如涉及作品版權問題,請聯系小編進行處理。
推薦閱讀:


