【導讀】采用鋰離子電池供電的高功率密度,高效率,三相無刷直流(BLDC)電機可實現無繩電動工具,真空吸塵器和電動自行車的開發。然而,為了節省更緊湊的機電設備的空間,設計人員面臨著進一步縮小其電機控制電子設備的壓力。
采用鋰離子電池供電的高功率密度,高效率,三相無刷直流(BLDC)電機可實現無繩電動工具,真空吸塵器和電動自行車的開發。然而,為了節省更緊湊的機電設備的空間,設計人員面臨著進一步縮小其電機控制電子設備的壓力。
這不是一項簡單的任務。除了將驅動器組件擠壓到狹小空間的明顯困難之外,將所有部件推得更緊密地增加了熱管理,當然還有電磁干擾(EMI)問題。
電機控制電路設計人員可以做出更纖薄的設計通過轉向新一代高度集成的柵極驅動器,這是電機控制系統中關鍵的元件。
本文將介紹BLDC電機在引入合適的柵極驅動器之前的操作以及如何使用它們來克服緊湊型電機控制系統的設計挑戰。
構建更好的電動機
由于能源效率和節省空間的雙重商業壓力,電動機設計迅速發展。數字控制的BLDC電機代表了這一演變的一個方面。電機的普及是由于使用電子換向,與傳統(電刷換向)直流電機相比,效率更高,對于以相同速度和負載運行的電機,效率提高了20%到30%。
這種改進使BLDC電機能夠在給定的功率輸出下更小,更輕,更安靜。 BLDC電機的其他優點包括出色的速度與轉矩特性,更動態的響應,無噪音運行以及更高的速度范圍。工程師們還推動設計在更高的電壓和頻率下運行,因為這樣可以使緊湊型電動機完成與更大的傳統電機相同的工作。
BLDC電機成功的關鍵是電子開關模式電源和電機控制電路產生一個三相輸入,進而產生旋轉磁場,拉動電機的轉子。由于磁場和轉子以相同的頻率旋轉,電機被歸類為“同步”。霍爾效應傳感器傳遞定子和轉子的相對位置,使控制器可以在適當的時刻切換磁場。 “無傳感器”技術可監測反電動勢(EMF)以確定定子和轉子位置。
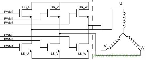
順序向三相BLDC電機施加電流的常見配置包括三對功率MOSFET安排在橋梁結構中。每對充當逆變器,將來自電源的直流電壓轉換為驅動電機繞組所需的交流電壓(圖1)。在高壓應用中,通常使用絕緣柵雙極晶體管(IGBT)代替MOSFET。

圖1:數字三相BLDC電機控制通常使用三對MOSFET,每對MOSFET為電機的一個繞組提供交流電壓。 (圖像:德州儀器)
晶體管對包括一個低端器件(源極接地)和一個高端器件(源極在地和高壓電源軌之間浮動)。
在典型的布置中,使用脈沖寬度調制(PWM)來控制MOSFET柵極,其有效地將輸入DC電壓轉換為調制的驅動電壓。應該使用比預期的電動機轉速高至少一個數量級的PWM頻率。每對MOSFET控制電機一相的磁場。有關驅動BLDC的更多信息,請參閱庫文章“如何為無刷直流電機供電和控制。”
電動機控制系統
完整的電機控制系統包括電源,主機微控制器,柵極驅動器和半橋拓撲結構的MOSFET(圖2)。微控制器設置PWM占空比并負責開環控制。在低壓設計中,柵極驅動器和MOSFET橋有時集成在一個單元中。然而,對于高功率單元,柵極驅動器和MOSFET橋接器是分開的,以便于熱管理,使得不同的工藝技術可用于柵極驅動器和橋接器,并限度地降低EMI。

圖2:基于TI MSP 430微控制器的BLDC電動機控制原理圖。 (圖像:德州儀器)
MOSFET橋可以由分立器件或集成芯片組成。將低端和高端MOSFET集成在同一封裝中的關鍵優勢在于,即使MOSFET具有不同的功耗,它也允許頂部和底部MOSFET之間的自然熱均衡。無論是集成還是離散,每個晶體管對都需要一個獨立的柵極驅動器來控制開關時序和驅動電流。
也可以使用分立元件設計柵極驅動器電路。這種方法的優勢在于它允許工程師調整柵極驅動器以匹配MOSFET特性并優化性能。缺點是需要高水平的電機設計經驗和適應分立解決方案所需的空間。
模塊化電機控制解決方案提供了另一種選擇,市場上有各種各樣的集成柵極驅動器。更好的模塊化門驅動解決方案包括:
高集成度以限度地減少器件所需的空間
高驅動電流可降低開關損耗并提高效率
高柵極驅動電壓,確保MOSFET導通內阻(“RDS(ON)”)
高電流過流,過壓和過溫保護,可在惡劣的條件下實現可靠的系統運行
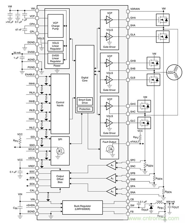
德州儀器(TI)的DRV8323x系列三相柵極驅動器可降低系統元件數量,降低成本和復雜性,同時滿足高效BLDC電機的需求。
DRV8323x系列有三種型號。每個都集成了三個獨立的柵極驅動器,能夠驅動高側和低側MOSFET對。柵極驅動器包括一個電荷泵,用于為高端晶體管產生高柵極電壓(具有高達100%的占空比支持),以及一個用于為低端晶體管供電的線性穩壓器。
TI柵極驅動器包括讀出放大器,如果需要,還可以配置為放大低端MOSFET上的電壓。這些器件可提供高達1安培的電流,具有2安培吸收峰值柵極驅動電流,并可通過單電源供電,輸入電源范圍為6至60伏。
DRV8323R版本,適用于例如,集成三個雙向電流檢測放大器,使用低側分流電阻監控每個MOSFET橋的電流水平??赏ㄟ^SPI或硬件接口調整電流檢測放大器的增益設置。微控制器連接到DRV8323R的EN_GATE,因此它可以啟用或禁用柵極驅動輸出。
DRV8323R器件還集成了一個600毫安(mA)降壓穩壓器,可用于為外部控制器供電。該穩壓器可以使用柵極驅動器電源或單獨的一個(圖3)。

圖3:高度集成的柵極驅動器,如TI的DRV8323R在節省空間的同時減少系統組件數量,成本和復雜性。 (圖像:德州儀器)
柵極驅動器具有多種保護功能,包括電源欠壓鎖定,電荷泵欠壓鎖定,過流監控,柵極驅動器短路檢測和過溫關斷。
每個DRV832x都封裝在尺寸僅為5 x 5到7 x 7毫米(mm)的芯片中(取決于選項)。這些產品可以節省超過24個分立元件所需的空間。
使用集成柵極驅動器進行設計
為了使設計人員能夠正常運行,TI提供了參考設計TIDA-01485。這是一款99%效率,1千瓦(kW)功率級參考設計,適用于三相36伏BLDC電機,適用于使用十節鋰離子電池供電的電動工具等應用。
參考設計展示了如何使用高度集成的柵極驅動器(如DRV8323R),通過在此功率級別形成電機控制電路之一的基礎,節省電機控制設計的空間。參考設計實現了基于傳感器的控制。 (參見圖書館文章“為什么以及如何正弦控制三相無刷直流電機”。)
參考設計的主要元件是MSP430F5132微控制器,DRV8323R柵極驅動器和三個CSD88599 60伏特半橋MOSFET功率模塊(圖4)。

圖4:TIDA-01485是1 kW,99%效率的功率級參考設計用于三相36伏BLDC電機,可由十節鋰離子電池供電。 (圖像:德州儀器)
雖然柵極驅動器是高度集成的模塊化解決方案,消除了分立設計的許多復雜性,但仍需要一些設計工作來創建完全工作的系統。參考設計通過展示一個全面的解決方案幫助設計人員繪制原型。
例如,柵極驅動器需要多個去耦電容才能正常工作。在參考設計中,1微法(μF)電容(C13)將低端MOSFET的驅動電壓(DVDD)去耦,該電壓源自DRV8323R的內部線性穩壓器(圖5)。該電容必須盡可能靠近柵極驅動器放置,以盡量減小環路阻抗。需要一個值為4.7μF(C10)的第二個去耦電容來將直流電源輸入(PVDD)與36伏電池去耦。

圖5:DRV8323R柵極驅動器的應用電路。應盡量減少走線長度以限制EMI。 (圖片:德州儀器)
二極管D6有助于在短路條件下電池電壓下降時隔離柵極驅動器電源。該二極管非常重要,因為它的存在使PVDD去耦電容(C10)能夠在小持續時間下降時保持輸入電壓。
保持電壓可防止柵極驅動器進入不希望的欠壓鎖定狀態。 C11和C12是使電荷泵工作的關鍵器件,也應盡可能靠近柵極驅動器。
通常,良好的設計做法是盡量減小高端和低端的環路長度側柵極驅動器,主要用于降低EMI。高端環路從DRV8323 GH_X到功率MOSFET,并通過SH_X返回。低側環路從DRV8323 GL_X到功率MOSFET,并通過GND返回。
切換時序的重要性
MOSFET的選擇是性能和效率的關鍵BLDC電機由于沒有兩個MOSFET系列完全相同,因此每種選擇都取決于所需的開關時間。即使是稍微錯誤的定時也會導致問題,包括低效率,高EMI和可能的電機故障。
例如,不正確的定時會導致直通,導致低壓和高壓的情況側面MOSFET偶然導通,導致災難性的短路。其他時序問題包括由可能損壞MOSFET的寄生電容觸發的瞬變。外部短路,焊接橋或MOSFET在特定狀態下掛起也會引發問題。
TI將其DRV8323標記為“智能”柵極驅動器,因為它為設計人員提供了對時序和反饋的控制以消除這些問題。例如,驅動器包括一個內部狀態機,用于防止柵極驅動器中的短路事件,控制MOSFET橋死區時間(IDEAD),并防止外部功率MOSFET的寄生導通。
DRV8323柵極驅動器還包括用于高側和低側驅動器的可調節推挽式拓撲結構,可實現外部MOSFET橋的強大上拉和下拉,以避免雜散電容問題。可調柵極驅動器支持動態柵極驅動電流(IDRIVE)和持續時間(tDRIVE)變化(不需要限流柵極驅動電阻)來微調系統操作(圖6)。

圖6:用于三相BLDC電機的一個MOSFET橋中的高側(VGHx)和低側晶體管(VGLx)的電壓和電流輸入。 IDRIVE和tDRIVE對于正確的電機運行和效率非常重要; IHOLD用于將柵極維持在所需狀態,ISTRONG防止低端晶體管的柵極 - 源極電容引起導通。 (圖片:德州儀器)
首先應根據外部MOSFET的特性選擇IDRIVE和tDRIVE,例如柵極 - 漏極電荷,以及所需的上升和下降時間。例如,如果IDRIVE太低,MOSFET的上升和下降時間將會更長,從而導致高開關損耗。上升和下降時間也決定(在一定程度上)每個MOSFET的續流二極管的恢復尖峰的能量和持續時間,這可能進一步消耗效率。
當改變柵極驅動器的狀態時, IDRIVE應用于tDRIVE周期,該周期必須足夠長,以使柵極電容完全充電或放電。根據經驗,選擇tDRIVE使其大約是MOSFET開關上升和下降時間的兩倍。請注意,tDRIVE不會增加PWM時間,如果在有效期間收到PWM命令,則會終止。
在tDRIVE周期后,使用固定保持電流(IHOLD)將門保持在期望的狀態(拉起或拉下)。在高端導通期間,低端MOSFET柵極受到強下拉,以防止晶體管的柵極 - 源極電容導致導通。
固定的tDRIVE持續時間確保在故障條件下,例如MOSFET柵極短路,峰值電流時間受到限制。這限制了傳輸的能量并防止損壞柵極驅動引腳和晶體管。
結論
模塊化電機驅動器通過消除數十個分立元件節省空間并增強新一代的優勢緊湊型,數字控制,高功率密度BLDC電機。這些“智能”柵極驅動器還包括簡化設置功率MOSFET開關時序的棘手開發過程的技術,同時減輕寄生電容的影響并降低EMI。
仍然需要注意確保外設精心選擇功率MOSFET和去耦電容等電路。但是,如圖所示,主要的電機驅動器供應商提供參考設計,開發人員可以根據這些設計原型。
免責聲明:本文為轉載文章,轉載此文目的在于傳遞更多信息,版權歸原作者所有。本文所用視頻、圖片、文字如涉及作品版權問題,請電話或者郵箱聯系小編進行侵刪。


