【導讀】在分析遠程站點的材料時,無法把探針放進材料中,此時,高頻收發器為準確量化材料的體積分數提供了一種可行的方法,而且不存在直接接觸材料時的不利影響。正交調解器為測量這些應用的幅度和相移提供了一種強大的新方法。這里談到的接收器信號鏈采用ADL5380寬帶正交解調器、 ADA4940-2超低功耗、低失真、全差分ADC 驅動器和AD7903雙通道、差分、16 位、1 MSPS PulSAR® ADC,不但可以提供準確的數據,同時還能確保操作的安全性和經濟性。
在圖1 所示接收器中,一個連續波信號從發射(Tx)天線發出,通過待分析的材料,到達接收(Rx)天線。接收到的信號將相對于原始發射信號進行衰減和相移處理。該幅度變化和相移可用來確定媒介內容。

圖1. 接收機功能框圖
幅度和相移可以直接關聯元件的透射率和反射率屬性,如圖2 所示。舉例來說,在油氣水流中,對于介電常數、損耗和分散度而言,水高,油低,氣超低。


圖2. 不同均質媒介的透射率和反射率
接收器子系統的實現
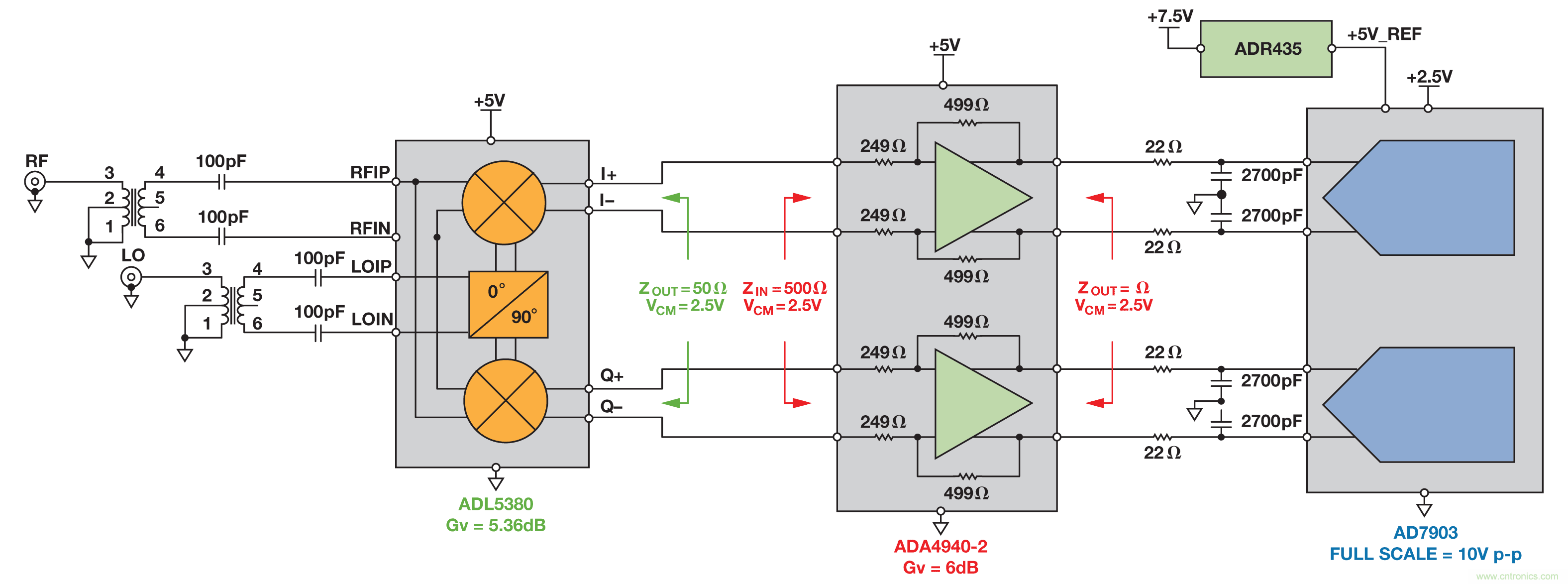
圖3 所示接收器子系統把RF 信號轉換成數字信號,以精確測量幅度和相位。信號鏈由一個正交解調器、一個雙通道差分放大器和一個雙通道差分SAR ADC 構成。這種設計的主要目的是在高頻RF輸入動態范圍較大的條件下,獲得高精度的相位和幅度測量結果。

圖3. 面向材料分析的接收器簡化子系統
正交解調器
正交解調器提供一個同相(I)信號和一個正好反相90°的正交(Q)信號。I 和Q 信號為矢量,因此,可以用三角恒等式計算接收信號的幅度和相移,如圖4 所示。本振(LO)輸入為原始發射信號,RF 輸入為接收信號。解調器生成一個和差項。兩個信號的頻率完全相同,ωLO = ωRF,因此,結果會過濾掉高頻和項,差項則駐留于直流。接收信號的相位為?RF,不同于發射信號的相位?LO。該相移為?LO – ?RF,是媒介介 電常數導致的結果,有助于確定材料內容。


圖4. 利用正交解調器測量幅度和相位
真實I/Q 解調器具有許多缺陷,包括正交相位誤差、增益不平衡、LO-RF 泄漏等,所有這些都會導致解調信號質量下降。要選擇解調器,首先確定RF 輸入頻率范圍、幅度精度和相位精度要求。
ADL5380 采用5 V 單電源供電,可接受400 MHz 至6 GHz 范圍內的RF 或IF 輸入頻率,是接收器信號鏈的理想選擇。根據配置,可提供5.36 dB 電壓轉換增益,其差分I 和Q 輸出可以把2.5 V p-p差分信號驅動至500 Ω 負載。在900 MHz 時,其噪聲系數為10.9 dB,IP1dB 為11.6 dBm,三階交調截點(IIP3)為29.7 dBm,動態范圍出色;而0.07 dB 的幅度平衡和0.2°的相位平衡則可實現杰出的解調精度。采用高級SiGe 雙極性工藝制造,提供微型4 mm × 4 mm、24 引腳LFCSP 封裝。
ADC 驅動器和高分辨率精密ADC
ADA4940-2 全差分雙通道放大器具有卓越的動態性能和可調輸出共模,是驅動高分辨率雙通道SAR ADC 的理想之選。該器件采用5 V 單電源供電,在2.5 V 共模下可提供±5 V 差分輸出。根據配置可提供2 倍增益(6 dB),并把ADC 輸入驅動至滿量程。RC濾波器(22 Ω/2.7 nF)有助于限制噪聲,減少來自ADC 輸入端容性DAC 的反沖。采用專有SiGe 互補雙極性工藝制造,提供微型4 mm× 4 mm、24 引腳LFCSP 封裝。
AD7903 雙通道16 位1 MSPS 逐次逼近型ADC 具有出色的精度,滿量程增益誤差為±0.006%,失調誤差為±0.015 mV。該器件采用2.5 V 單電源供電,1 MSPS 時功耗僅12 mW。使用高分辨率ADC的主要目標是實現±1°的相位精度,尤其是當輸入信號的直流幅度較小時。ADC 所要求的5 V 基準電壓源由ADR435低噪聲基準電壓源產生。
如圖5 所示,接收器子系統利用ADL5380-EVALZ, EB-D24CP44-2Z, EVAL-AD7903SDZ, 和 EVAL-SDP-CB1Z評估套件實現。這些電路組件針對子系統中的互連優化。兩個高頻鎖相輸入源提供RF 和LO 輸入信號。

圖5. 接收器子系統評估平臺
表1 總結了接收器子系統中各個組件的輸入和輸出電壓電平。在 解調器的RF 輸入端,11.6 dBm 的信號產生的輸入在ADC 滿量程 范圍的–1 dB 之內。表中假定,ADL5380 的負載為500 Ω,轉換增 益為5.3573 dB,功率增益為–4.643 dB,ADA4940-2 的增益為6 dB。 該接收器子系統的校準程序和性能結果將在后續章節討論。
表1. 接收器子系統各組件的輸入和輸出電壓電平

接收器子系統誤差校準
接收器子系統有三個主要誤差源:失調、增益和相位。
I 和Q 通道的各個差分直流幅度與RF 和LO 信號的相對相位存在 正弦關系。因此,I 和Q 通道的理想直流幅度可以通過以下方式計算得到:

隨著相位移過極化坐標,理想狀況下,有些位置會產生相同的電 壓。例如,I(余弦)通道上的電壓應與+90°或–90°相移相同。然而,對于本應產生相同直流幅度的輸入相位,恒定相移誤差(不受RF 和LO 的相對相位影響)會導致子系統通道產生不同結果。這種情況如圖6 和圖7 所示,其中,當輸入應為0 V 時,結果產生了兩個不同的輸出碼。這種情況下,–37°的相移遠遠大于含有鎖相環的真實系統的預期值。結果,+90°實際上表現為+53°,–90°表現為–127°。
通過10 個步驟從–180°到+180°收集結果,其中,未校正數據產生圖6 和圖7 所示橢圓形。通過確定系統中的額外相移量,可以解決該誤差問題。表2 顯示,系統相移誤差在整個傳遞函數范圍內都是恒定不變的。
表2. 接收器子系統在0-dBm RF 輸入幅度條件下的實測相移小結

系統相位誤差校準
對于圖5 所示系統,當步長為10°時,平均實測相移誤差為–37.32°。 在已知該額外相移時,可以算出經調整的子系統直流電壓。變量 ?PHASE_SHIFT 定義為觀測到的額外系統相移的平均值。相位補償信 號鏈中產生的直流電壓可以計算如下:

對于給定的相位設置,等式5 和等式6 提供了目標輸入電壓。現在,子系統已線性化,可以校正失調誤差和增益誤差了。圖6 和圖7 中同時顯示了線性化的I 和Q 通道結果。對數據集進行線性回歸計算,結果將產生圖中所示最優擬合線。該擬合線為各個轉換信號鏈的實測子系統傳遞函數。

圖6. 線性化的I 通道結果 (5)

圖7. 線性化的Q 通道結果(6)
系統O_set 誤差和增益誤差校準
接收器子系統中各信號鏈的理想失調應為0 LSB,但是,對于I通道和Q 通道,實測失調分別為–12.546 LSB 和_22.599 LSB。最優擬合線的斜率代表子系統的斜率。理想子系統斜率可計算如下:
圖6 和圖7 中的結果表明,I 通道和Q 通道的實測斜率分別為6315.5 和6273.1。為了校正系統增益誤差,必須調整這些斜率。校正增益誤差和失調誤差可以確保,利用等式1 計算得到的信號幅度與理想信號幅度相匹配。失調校正與實測失調誤差正好相反:
增益誤差校正系數為:
(9)接收轉換結果可通過以下方式校正:
(10)子系統的校準直流輸入電壓按以下方式計算:
要計算各子系統信號鏈的感知模擬輸入電壓,則須在I 通道和Q通道上使用等式11。利用這些完全調整過的I 通道和Q 通道電壓來計算以各直流信號幅度定義的RF 信號幅度。要評估整個校準程序的精度,可以把收集到的結果轉換成理想子系統電壓,后者產生于調解器輸出端,假設條件是不存在相移誤差。這可以通過以下方式實現:用前面計算得到的平均直流幅度乘以每次試驗的實測相位正弦分數(除掉其中計算得到的相移誤差)。計算過程如下:

?相移為前面計算得到的相位誤差,平均校準后幅度為來自等式1 的 直流幅度結果,已經過失調誤差和增益誤差補償。表3 所示為在0 dBm RF 輸入幅度條件下,各目標相位輸入的校準程序的結果。等式12 和等式13 計算得到的校正因子將集成到旨在以此處所示方式檢測相位和幅度的任何系統之中。
接收器子系統評估結果
表3. 0 dBm RF 輸入幅度條件下某些目標相位輸入端實現的結果。

圖8 為實測絕對相位誤差直方圖,其中,對于從–180° 到 +180°的 每10°步長,其精度均高于1°。

圖8. 0 dBm輸入電平(相位步長為10°)條件下的實測絕對相位誤差直方圖
為了在任何給定輸入電平條件下精確測量相位,RF 相對于LO 的感知相移誤差(?PHASE_SHIFT)應恒定不變。如果實測相移誤差開始以目標相位步長(?TARGET)或幅度函數的形式發生變化,則這里所提校準程序的精度將開始下降。室溫下的評估結果顯示,900 MHz條件下,對于最大值為11.6 dBm、最小值約為–20 dBm 的RF 幅度而言,相移誤差保持相對恒定。
圖9 所示為接收器子系統的動態范圍以及相應幅度導致的額外相位誤差。當輸入幅度降至–20 dBm 以下時,相位誤差校準精度將開始下滑。系統用戶需要確定可接受的信號鏈誤差水平,以確定可接受的最小信號幅度。

圖9. 接收器子系統的動態范圍以及相應的額外相位誤差
圖9 所示結果用5 V ADC 基準電壓源收集。該ADC 基準電壓源的幅度可以降低,從而為系統提供更小的量化水平。這樣,在小信號條件下,相位誤差精度會略有提升,但會增加系統飽和幾率。為了提高系統動態范圍,另一種不錯的選擇是采用一種過采樣方案,該方案可以提高ADC 的無噪聲位分辨率。求均值的采樣每增加一倍,結果可使系統分辨率增加½ LSB。給定分辨率增量的過采樣比計算方法如下:
當噪聲幅度不再能隨機改變各采樣的ADC 輸出代碼時,過采樣會達到一個效益遞減點。在該點時,系統的有效分辨率將不能再次提升。過采樣導致的帶寬下降并非大問題,因為系統是以緩慢變化的幅度測量信號的。
AD7903 評估軟件提供一個校準程序,允許用戶針對三個誤差源,對ADC 輸出結果進行校正:相位、增益和失調。用戶需要收集系統未經校正的結果,確定本文計算的校準系數。圖10 所示為圖形用戶界面,其中,校準系數已高亮顯示。 系數一旦確定,則可利用這個面板來計算解調器的相位和幅度。極化坐標為觀測到的RF 輸入信號提供了一種直觀的呈現方式。幅度和相位計算通過等式1 和等式2 計算。用"采樣數(Num Samples)"下拉框,通過調整每次捕獲的采樣數,可實現對過采樣比的控制。

Figure 10. Receiver subsystem calibration GUI.
結論
本文探討了遠程檢測應用面臨的主要挑戰,并提出了一種利用ADL5380、ADA4940-2 和AD7903 接收器子系統的新型解決方案,該方案可以精確、可靠地測量材料內容。提出的信號鏈具有寬動態范圍的特點,在900 MHz 條件下,可實現0°至360°的測量范圍,精度優于1°。
參考電路
Mallach, Malte 和 Thomas Musch, "超寬帶 微波掃描技術:多相流測量新概念" GeMiC 2014,德國亞琛,2014 年3 月10-12 日。 Ryan Curran
推薦閱讀:


