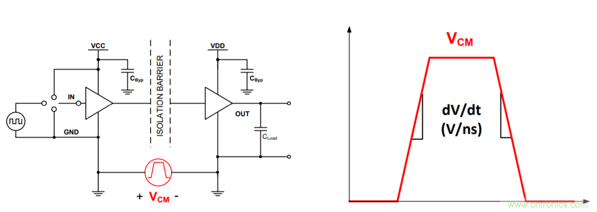
【導讀】CMTI,Common mode transient immunity,是隔離產品(包括iCoupler digital isolators 和optocouplers)最重要的指標之一。 CMTI共模瞬變抗擾度,指是指瞬態穿過隔離層以破壞驅動器輸出狀態所需的最低上升或下降dV/dt(kV/µs or V/ns),如圖:

圖1. CMTI定義
CMTI分為靜態和動態。靜態是指把輸入引腳連邏輯高電平或者低電平,然后模擬施加共模瞬變,理論上在CMTI規格以內的沖擊都無法改變輸出狀態。UL and VDE 0884-11 并沒有要求強制通過動態CMTI的測試,和靜態CMTI的要求一樣,動態CMTI的沖擊下,輸出也應當保持正常,如果CMTI的能力不夠強, 會出現類似missing pulse, excessive propagation delay, high or low error 或者 output latch的錯誤, 如下圖:

圖2. 錯誤類型
CMTI在應用中的意義
在應用中,這種瞬態通常是由開關節點上的高 DV/DT 引起的。如圖以光伏逆變器系統為例,隔離驅動器有一側的地是懸浮的并且快速切換的。這里CMTI是一個關鍵指標,如果CMTI能力不夠,可能會導致輸出錯誤,可能會出現電路短路,影響系統安全。對其他應用比如電機驅動器,變頻器也是如此。

圖3. 典型光伏逆變器系統
那么應該怎么挑選CMTI參數呢?為了減少開關損耗而縮短上升下降時間,對CMTI的要求會變高。另外為了提高功率密度,節省成本,很多新的平臺會考慮提高開關頻率,甚至采用SiC或GaN,這同樣會帶來CMTI需求的變大。另外,實驗證明, 具有高CMTI的器件在干擾大的環境中, EMC/EMI的性能會更好。比如一個1500V的變頻器,64kHz的開關頻率,50-ns的上升/下降時間需要最少30-V/ns的CMTI, 建議選擇40V/ns以上。
推薦閱讀:




